Запчасти Case 475 (140) - CABLE PLOW - MECHANICAL (89) - TOOLS

Схема запчастей Case 475 - (140) - CABLE PLOW - MECHANICAL (89) - TOOLS
FIT
1:1
100%

Артикул

Название

Примечание

Количество

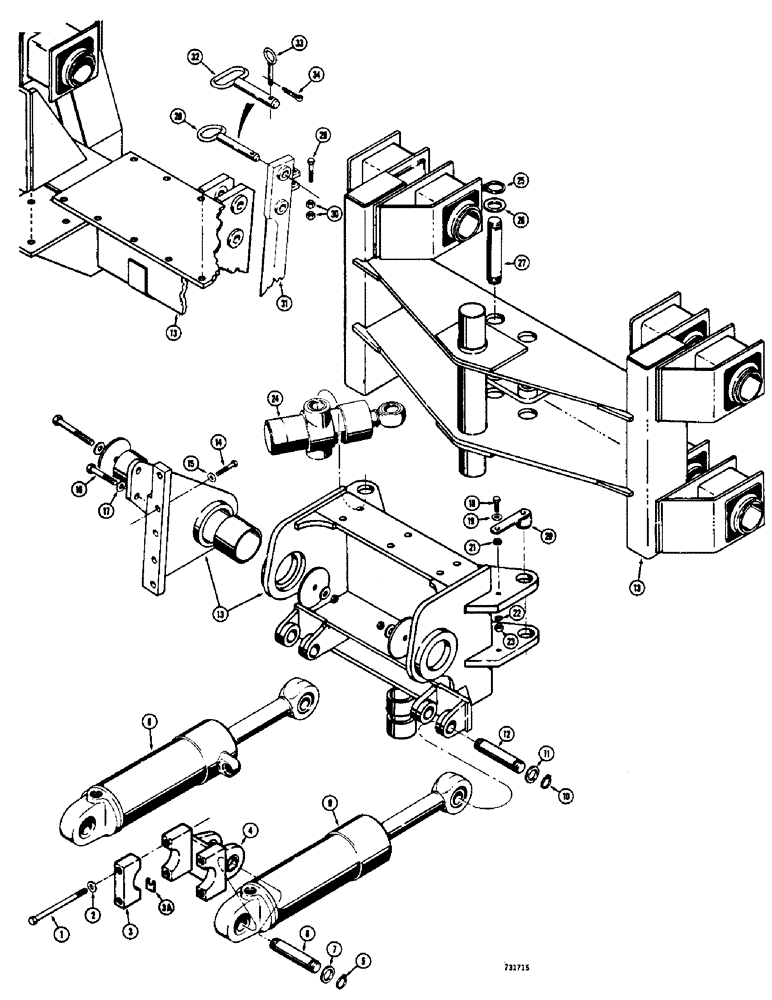
1

13-1472

CAPSCREW,Hex, 7/8" - 9 x 4 1/2", Gr 5

SPARE PART

8шт.

2

D34667

WASHER,23.02mm ID x 38.1mm OD x 3.57mm Thk

Special

8шт.

3

D34663

CLAMP

Cylinder mounting, front

4шт.

3a

D33982

BUSHING

SPACER - clamp

4шт.

4

R24448

SPARE PART CLAMP - cylinder mounting, rear

2шт.

5

D25280

SNAP RING,#175, Ext

4шт.

6

D45047

PIN

Lift cylinder mounting

2шт.

7

195-2152

WASHER,1 13/16" x 2 1/2" x .109"

WASHER - flat, 1-3/4

4шт.

8

REF

INSTRUCTION

CYLINDER - lift, RH (See Figs. 168 and 169A for proper cylinder)

1шт.

9

REF

INSTRUCTION

CYLINDER - lift, LH (See Figs. 168 and 169A for proper cylinder)

1шт.

10

D25279

SNAP RING,M35, Int

Retaining

4шт.

11

D28610

WASHER,38.5mm ID x 63.5mm OD x 2.66mm Thk

Special

4шт.

12

D44881

PIN,38.1mm OD x 136.4mm L

, Serial Range: Cylinder-plow

2шт.

13

REF

INSTRUCTION

PLOW - cable (Parts list Figs. 172 thru 181C)

1шт.

14

26-1232

BOLT,Hex, 3/4" - 10 x 2", Gr 8

12шт.

15

D34666

WASHER,33.34mm ID x 63.5mm OD x 2.38mm Thk

Special

12шт.

16

13-1236

BOLT,Hex, 3/4" - 10 x 2-1/4", Gr 5

4шт.

17

D34666

WASHER,33.34mm ID x 63.5mm OD x 2.38mm Thk

Special

4шт.

18

13-832

BOLT,Hex, 1/2" - 13 x 2", Gr 5

4шт.

19

195-33

WASHER,1/2"

4шт.

20

R24452

PIN

ASSEMBLY - swing cylinder

4шт.

21

B18337

SPACER

Pin assembly

4шт.

22

92-8

LOCK WASHER,1/2"

4шт.

23

25-108

NUT,1/2"-13, G5

4шт.

24

REF

INSTRUCTION

CYLINDER - swing (See Figs. 170 and 171A for proper cylinders)

2шт.

25

D25279

SNAP RING,M35, Int

Retaining

4шт.

26

D28610

WASHER,38.5mm ID x 63.5mm OD x 2.66mm Thk

Special

4шт.

27

D32931

PIN

Rod, swing cylinder

2шт.

28

R33465

SPARE PART Blade mounting, 1-1/2" dia. (Before tractor S/N 3049850)

2шт.

29

13-736

BOLT,Hex, 7/16" - 14 x 2-1/4", Gr 5

2шт.

30

25-107

NUT,7/16"-14, G5

4шт.

31

REF

INSTRUCTION

BLADE ASSEMBLY - parts list Figs. 176 thru 181C

1шт.

32

H596908

AXLE PIN

Blade mounting, 2" dia. (Tractor S/N 3049850 and after)

2шт.

Part of Pin Kit P/N H600288

1шт.

33

H590026

AXLE PIN

Blade mounting (Tractor S/N 3049850 and after)

2шт.

Part of Pin Kit P/N H600288

1шт.

34

132-311

COTTER PIN,5/32" x 1 1/4"

2шт.

Part of Pin Kit P/N H600288

1шт.

H600288

KIT

Pin, to convert to 2" mounting pins, Includes Ref. 32-34, gussets, holder assembly and instructions

1шт.

Выбрано товаров: 39