Запчасти Case 475 (144) - COULTER-ROLLING (89) - TOOLS

Схема запчастей Case 475 - (144) - COULTER-ROLLING (89) - TOOLS
FIT
1:1
100%

Артикул

Название

Примечание

Количество

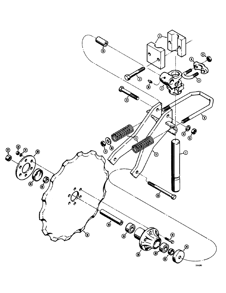
1

R24344

ROD

- coulter mounting

1шт.

2

13-1060

BOLT,Hex, 5/8" - 11 x 3-3/4", Gr 5

HHCS - 5/8" - 11 NC x 3-3/4"

2шт.

Ref. 2 nut for the screw is P/N 25-1010.

1шт.

3

R24343

WASHER

BLOCK - clamping

1шт.

Ref. 3 Quanity required should read 2.

1шт.

4

T38336

HARDWARE

BOLT - "U"

2шт.

5

25-108

NUT,1/2"-13, G5

- hex., 1/2" - 13 NC

4шт.

6

T2164

CLASP

CLAMP - coulter mounting

1шт.

7

T2165

MOUNTING PARTS

MOUNT - coulter

1шт.

8

T38335

U-BOLT

BOLT - "U"

1шт.

9

T38341

VALVE SPRING

SPRING - coulter

2шт.

10

195-2075

WASHER,11/16" x 1 1/2" x 109"

- flat, 5/8"

2шт.

11

230-4117

LOCK NUT,7/16"-14, GA

NUT - hex., 5/8" - 11 NC

2шт.

12

13-1068

BOLT,Hex, 5/8" - 11 x 4-1/4", Gr 5

HHCS - 5/8" - 11 NC x 4-1/4"

1шт.

13

T38340

SPACER

- mounting

1шт.

14

92-10

LOCK WASHER,5/8"

WASHER, LOCK, 5/8"

1шт.

15

25-1010

NUT,5/8"-11, G5

1шт.

16

219-1

LUBE NIPPLE,1/8" - 27 NPTF

FITTING - grease, straight (1/8" NPT)

1шт.

17

T39321

ARM

- coulter mounting

1шт.

18

T13054

BLADE

- coulter, 18" notched

1шт.

19

14-620

BOLT,Hex, 3/8" - 24 x 1-1/4", Gr 5

HHCS - 3/8" - 24 NF x 1-1/4"

6шт.

20

T12707

WASHER

- special

6шт.

21

92-6

LOCK WASHER,3/8"

6шт.

22

25-156

JAM NUT,Jam, 3/8"-24, G5

- hex., jam (3/8" - 24 NF)

6шт.

23

16-8116

LARGE PIN

HHCS - 1/2" - 20 NF x 7-1/4"

1шт.

24

T39595

WASHER

GUARD - trash

2шт.

25

T39597

SPACER

- hub

2шт.

26

T39593

AXLE

- coulter

1шт.

27

131-9

LOCK NUT,Prev Torque, Hex, 1/2" - 20, Gr B

NUT - hex., lock (1/2" - 20 NF)

1шт.

T39596

HUB

ASSEMBLY - coulter

1шт.

28

NSS

NOT SOLD SEPARAT

HUB - coulter

1шт.

29

T39594

BALL BEARING,0.7505" ID x 1.7805" OD x 0.61"

BEARING ASSEMBLY - ball

2шт.

Выбрано товаров: 32