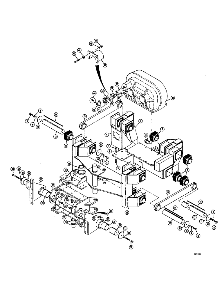
Запчасти Case 475 (173A) - CABLE PLOW, FRAMES AND RELATED PARTS, TRACTOR SN. 3049850 AND AFTER (89) - TOOLS

Схема запчастей Case 475 - (173A) - CABLE PLOW, FRAMES AND RELATED PARTS, TRACTOR SN. 3049850 AND AFTER (89) - TOOLS
FIT
1:1
100%

Артикул

Название

Примечание

Количество

1

H596726

MOUNTING PARTS

FRAME - gear box and blade mounting

1шт.

2

H230862

SHOCK ABSORBER

BUSHING - rubber

8шт.

3

H275404

BUSHING

- blade

8шт.

4

H562108

SUPPORT

MOUNT - motor

1шт.

5

113-772

BOLT (SPREADER),Hex, 3/4" - 10 x 2-1/2", Gr 8

HHCS - 3/4" - 10 NC x 2-1/2" (Grade 8)

4шт.

6

D34666

WASHER,33.34mm ID x 63.5mm OD x 2.38mm Thk

- special

4шт.

7

131-1152

LOCK NUT,3/4"-10, GC

NUT, LOCK, 3/4"-10, GC

4шт.

8

113-2605

BOLT,Hex, 5/8" - 11 x 1-1/4", Gr 8, Full Thd

HHCS - 5/8" - 11 NC x 1-1/4" (Grade 8)

14шт.

9

192-25

LOCK WASHER,5/8"

WASHER, LOCK, 5/8"

14шт.

10

NLS

NO LONGER SERVICED

- special

14шт.

11

H230516

WASHER

- special, retainer

14шт.

12

H200089

SHAFT

- link mounting

6шт.

13

H200097

SHAFT

- link mounting

1шт.

14

H255380

KEY

- square, 3/8" x 13-1/4"

8шт.

15

H587568

LINK

- gear box frame to pivot frame

4шт.

H573436

FUNNEL

FRAME ASSEMBLY - pivot

1шт.

16

NSS

NOT SOLD SEPARAT

FRAME - pivot

1шт.

17

H230862

SHOCK ABSORBER

BUSHING - rubber

8шт.

18

H596635

FUNNEL

FRAME - swing

1шт.

19

H199463

BUSHING

- frame

2шт.

20

113-772

BOLT (SPREADER),Hex, 3/4" - 10 x 2-1/2", Gr 8

HHCS - 3/4" - 10 NC x 2-1/2" (Grade 8)

6шт.

21

D34666

WASHER,33.34mm ID x 63.5mm OD x 2.38mm Thk

- special

12шт.

22

131-1152

LOCK NUT,3/4"-10, GC

NUT, LOCK, 3/4"-10, GC

6шт.

23

H596569

FRAME

- trunnion

1шт.

24

H199463

BUSHING

- frame

2шт.

25

H560979

PLATE ASSY.

PLATE - side, mounting (L.H.)

1шт.

26

H199307

BUSHING

- plate

1шт.

27

H560987

PLATE ASSY.

PLATE - side, mounting (R.H.)

1шт.

28

H199307

BUSHING

- plate

1шт.

29

H200055

SHAFT

- pivot

2шт.

30

113-2604

BOLT,Hex, 5/8" - 11 x 6", Gr 8

HHCS - 5/8" - 11 NC x 6" (Grade 8)

2шт.

31

D43266

WASHER

- special

4шт.

32

H228452

WASHER

- special, retainer

4шт.

33

131-1219

LOCK NUT,5/8"-11, GC

NUT, LOCK, 5/8"-11, GC

2шт.

34

219-55

LUBE NIPPLE,90 Degree Elbow, 1/8" - 27 NPTF

NIPPLE, LUBE, 90º, 1/8" NPT x .84" lg

1шт.

35

219-1

LUBE NIPPLE,1/8" - 27 NPTF

FITTING - grease, straight (1/8" NPT)

3шт.

36

H542282

DAMPER

VIBRATOR - gear box (Parts list Fig. 174)

1шт.

37

HO34488

KEY

- sq., 3/8" x 1-1/2"

1шт.

38

H242354

YOKE - drive, keyed

1шт.

39

H577478

DIFF. SPIDER

JOINTS - "U"

1шт.

40

H234823

YOKE

- drive, splined

1шт.

41

62-516

HEX SOC SCREW,5/16"-24 x 1"

SHCS - 5/16" - 18 NC x 1"

4шт.

42

131-176

LOCK NUT,Prev Torque, Hex, 5/16" - 18, Gr A

NUT - hex., lock (5/16" - 18 NC)

4шт.

43

62-612

HEX SOC SCREW,3/8"-24 x 3/4"

SHCS - 24 NF x 3/4"

4шт.

44

219-8

LUBE NIPPLE,1/4" - 28 NPTF

FITTING - grease (1/8" - 28 taper)

1шт.

45

138-2056

PIN,6.35mm OD x 63.5mm L, Coiled

1шт.

46

R29927

GUARD - yoke

1шт.

47

13-840

BOLT,Hex, 1/2" - 13 x 2-1/2", Gr 5

HHCS - 1/2" - 13 NC x 2-1/2"

4шт.

48

R24323

WASHER

- special

8шт.

49

92-8

LOCK WASHER,1/2"

4шт.

50

25-108

NUT,1/2"-13, G5

- hex. (1/2" - 13 NC)

4шт.

Выбрано товаров: 51