Запчасти Case 475 (049A) - AIR CLEANER AND EXHAUST SYSTEM, HORIZONTAL STYLE AIR INTAKE (10) - ENGINE

Схема запчастей Case 475 - (049A) - AIR CLEANER AND EXHAUST SYSTEM, HORIZONTAL STYLE AIR INTAKE (10) - ENGINE
FIT
1:1
100%

Артикул

Название

Примечание

Количество

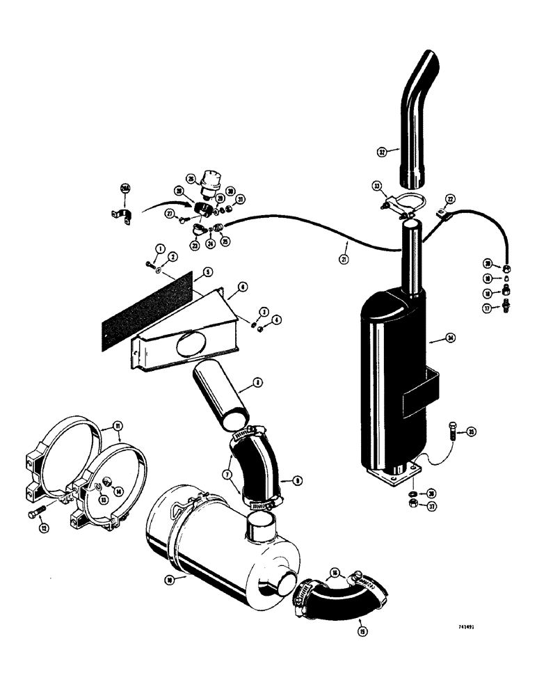
1

13-616

BOLT,Hex, 3/8" - 16 x 1", Gr 5, Full Thd

2шт.

2

195-25

WASHER,3/8"

- flat () 3/8"

2шт.

3

92-6

LOCK WASHER,3/8"

2шт.

4

25-106

NUT,3/8"-16, G5

- hex. (3/8" - 16 NC)

2шт.

5

R30489

SCREEN - air intake

1шт.

6

R30488

CHAMBER

- air intake

1шт.

7

214-264

HOSE CLAMP,#52, 2.81" - 3.75", Type F Worm

CLAMP - hose, screw type

2шт.

8

R30490

O-RING,0.139" Thk x 3.859" ID, -241, Cl 5, 75 Duro

TUBE - air cleaner intake

1шт.

9

D36262

LARGE HOSE

ELBOW - hose, air cleaner intake

1шт.

10

D36261

CLEANER

AIR CLEANER ASSEMBLY - parts list Fig. 48

1шт.

11

R24049

BAND

- air cleaner mounting

2шт.

12

13-512

BOLT,Hex, 5/16" - 18 x 3/4", Gr 5

4шт.

13

92-5

LOCK WASHER,5/16"

4шт.

14

9635082

NUT,5/16" - 18, Gr 5

- hex. (5/16" - 18 NC)

4шт.

15

R24740

HOSE ASSY.

HOSE - air, Serial Range: cleaner-manifold

1шт.

16

214-264

HOSE CLAMP,#52, 2.81" - 3.75", Type F Worm

CLAMP - hose, screw type

2шт.

17

D36364

CONNECTOR - special, filtered

1шт.

D35091

PIPE FITTING

CONNECTOR ASSEMBLY - female

1шт.

18

NSS

NOT SOLD SEPARAT

CONNECTOR - female

1шт.

19

D37176

SLEEVE

- connector

1шт.

20

D37362

TUBE NUT

- connector

1шт.

21

D36944

TUBE

-, Serial Range: indicator-manifold

1шт.

22

D43839

CLAMP

- tube

1шт.

D45588

FITTING

ELBOW ASSEMBLY - special, 90 degrees

1шт.

23

NSS

NOT SOLD SEPARAT

ELBOW - 90 degrees

1шт.

24

D37176

SLEEVE

- elbow

1шт.

25

D37362

TUBE NUT

- connector

1шт.

26

D47217

INDICATOR

FILTER INDICATOR - air cleaner

1шт.

27

173-202

SCREW,Rnd Hd, 1/4" - 20 x 3/4"

RHMS - 1/4" - 20 NC x 3/4" (Plated)

1-2шт.

28

D45064

CLAMP,1 3/8", Insul, 1/4" Bolt

- indicator, "P" style

1шт.

28a

R33808

CLAMP

- indicator, "U" style

1шт.

29

195-18

WASHER,1/4"

- plain () D45064 clamp 1/4"

1шт.

30

92-4

LOCK WASHER,1/4"

WASHER, LOCK, 1/4"

1-2шт.

31

25-104

NUT,1/4"-20, G5

1-2шт.

32

R30487

PIPE, EXHAUST SYSTEM

STACK - exhaust pipe

1шт.

33

A27077

CLAMP

ASSEMBLY - muffler

1шт.

34

R26105

MUFFLER

- exhaust

1шт.

35

13-826

BOLT,Hex, 1/2" - 13 x 1-5/8", Gr 5

4шт.

36

92-8

LOCK WASHER,1/2"

4шт.

37

25-108

NUT,1/2"-13, G5

- hex. (1/2" - 13 NC)

4шт.

Выбрано товаров: 40