Запчасти Case 475 (070) - DRIVE TRAIN ASSEMBLIES, SPLITTER BOX, PUMPS, TRANSMISSION CONTROL (21) - TRANSMISSION

Схема запчастей Case 475 - (070) - DRIVE TRAIN ASSEMBLIES, SPLITTER BOX, PUMPS, TRANSMISSION CONTROL (21) - TRANSMISSION
FIT
1:1
100%

Артикул

Название

Примечание

Количество

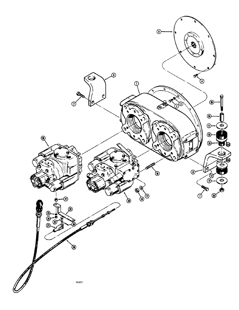
1

R24321

DRIVE ASSY.

SPARE PART DOUBLE PUMP - splitter box (Parts list Fig. 100)

1шт.

2

13-618

BOLT,Hex, 3/8" - 16 x 1-1/8", Gr 5

12шт.

3

92-6

LOCK WASHER,3/8"

12шт.

4

R14979

SCREW

Special

8шт.

5

RESERVED

1шт.

6

REF

INSTRUCTION

ADAPTER - splitter, Serial Range: box-flywheel

1шт.

7

13-1024

BOLT,Hex, 5/8" - 11 x 1-1/2", Gr 5, Full Thd

4шт.

8

R24798

ANGLE

SPARE PART BRACKET - splitter box mounting, RH

1шт.

9

R24797

ANGLE

SPARE PART BRACKET - splitter box mounting, LH

1шт.

10

13-1064

BOLT,Hex, 5/8" - 11 x 4", Gr 5

2шт.

11

CASD35009

WASHER,16.67mm ID x 63.5mm OD

Special

4шт.

12

R31034

WASHER,22.23mm ID x 63.5mm OD x 12.7mm Thk

DAMPENER - rubber

4шт.

12a

R31035

WASHER

Heat treated

4шт.

13

D35010

BUSHING,22.23mm ID x 41.27mm OD x 19.05mm L

Rubber

2шт.

14

R18586

SPACER

SPACER - engine mounts

2шт.

15

131-14

LOCK NUT,5/8"-11, GC

2шт.

16

R24322

STUD

Special

8шт.

17

R24343

WASHER

SPARE PART Special, hardened

8шт.

18

25-108

NUT,1/2"-13, G5

Hex

8шт.

19

R25520

PUMP

ASSEMBLY - hydrostatic, transmission drive (Parts list Fig. 108)

1шт.

20

R24324

PUMP

ASSEMBLY - hydrostatic, plow drive (Parts list Fig. 106)

1шт.

21

G11270

SPACER

Lever

1шт.

22

R24422

LEVER

Control, pump

1шт.

23

92-4

LOCK WASHER,1/4"

1шт.

24

25-104

NUT,1/4"-20, G5

1шт.

25

141-1

CLEVIS PIN,3/16" x .580"

1шт.

26

132-5

COTTER PIN,1/16" x 1/2"

1шт.

27

213-1

ADJUSTABLE CLEVIS,#10-32

YOKE

1шт.

28

R24416

CABLE PULLING GRIP

Vernier, transmission pump control (Parts list Fig. 71A)

1шт.

Выбрано товаров: 29