Запчасти Case 475 (094) - TRANSMISSION PINION AND SHAFT (21) - TRANSMISSION

Схема запчастей Case 475 - (094) - TRANSMISSION PINION AND SHAFT (21) - TRANSMISSION
FIT
1:1
100%

Артикул

Название

Примечание

Количество

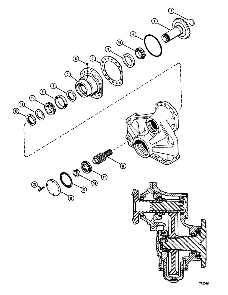
1

NSS

NOT SOLD SEPARAT

GEAR - pinion (See page 84 for service)

2шт.

2

A50099

PLUG

- bevel pinion (2-17/64" cup type)

2шт.

3

RESERVED

1шт.

4

A50108

SEALING RING

RING - seal, final drive (8-1/4 x 8-1/2 x 1/8")

2шт.

5

A50193

CARRIER

- pinion gear

2шт.

6

A50096

VALVE

- pressure relief

2шт.

7

A50199

SHIM,.003" Thk

Carrier .003" Thk

1шт.

7

A50198

SHIM,.005" Thk

Carrier .005" Thk

1шт.

8

A50419

OIL SEAL

- oil, carrier, 3 x 4 x 15/32"

2шт.

9

F9803

BEARING CUP

CUP - bearing, inner & outer (4-25/32" O.D.)

4шт.

10

F9804

ROLLER BEARING

CONE - bearing, inner (3-1/16" I.D.)

2шт.

11

A50197

ROLLER BEARING,3" ID x 0.906"

CONE - bearing, outer (3" I.D.)

2шт.

12

A50103

WASHER

- bearing retaining (Keyed)

2шт.

13

A50167

NUT

- lock, pinion gear

2шт.

14

RESERVED

1шт.

15

RESERVED

1шт.

16

A50143

SHAFT

- pinion

2шт.

17

A50145

BEARING, ROLLER, CYL,45mm ID x 100mm OD x 25.01mm W

BEARING - pinion shaft, outer race (W/rollers & retaining ring)

2шт.

18

A50144

ROLLER BEARING,44.99mm ID x 25mm W

BEARING - pinion shaft, inner race

2шт.

19

A50345

COVER

- pinion shaft

2шт.

20

A50346

GASKET

- cover

2шт.

21

61-612

HEX SOC SCREW,3/8"-16 x 3/4"

SCREW - 3/8 x 3/4" N.C. hex. sckt. hd.

6шт.

Выбрано товаров: 22