Запчасти Case 475 (148) - THREE SPOOL VALVE AND LEVERS (35) - HYDRAULIC SYSTEMS

Схема запчастей Case 475 - (148) - THREE SPOOL VALVE AND LEVERS (35) - HYDRAULIC SYSTEMS
FIT
1:1
100%

Артикул

Название

Примечание

Количество

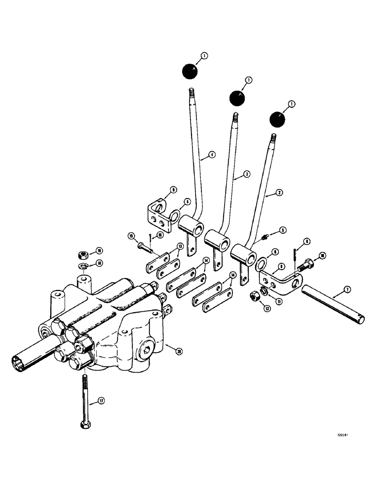
1

70213

KNOB

- lever

3шт.

2

R24346

LEVER - control, R.H. (Reel)

1шт.

3

R24347

LEVER

- control, center (Plow)

1шт.

4

R24345

LEVER - control, L.H. (Swing)

1шт.

5

219-4

LUBE NIPPLE,1/8" - 27 NPTF

FITTING - grease, straight (1/8" NPT)

3шт.

6

A26411

WASHER

- special, spacer

1шт.

7

R24351

PIN

- lever mounting

1шт.

8

138-96

LOCK PIN,3/16" x 1", Slotted

PIN, 3/16" x 1", Slotted

1шт.

9

D47216

BRACKET

- lever mounting

2шт.

10

13-616

BOLT,Hex, 3/8" - 16 x 1", Gr 5, Full Thd

4шт.

11

92-6

LOCK WASHER,3/8"

4шт.

12

25-106

NUT,3/8"-16, G5

- hex., (3/8" - 16 NC)

4шт.

13

R24353

LINK - short, to L.H. lever

2шт.

14

R24352

DRAG LINK

LINK - long, to R.H. and center levers

4шт.

15

D45388

PIN

- clevis

6шт.

16

132-24

COTTER PIN,3/32" x 1/2"

PIN, SPLIT (COTTER), 3/32" x 1/2"

6шт.

17

13-668

BOLT,Hex, 3/8" - 16 x 4-1/4", Gr 5

HHCS - 3/8" - 16 NC x 4-1/4"

4шт.

18

92-6

LOCK WASHER,3/8"

4шт.

19

25-106

NUT,3/8"-16, G5

- hex., (3/8" - 16 NC)

4шт.

20

R24354

VALVE - equipment control (3 spool) Parts list Fig. 158

1шт.

Выбрано товаров: 0