Запчасти Case 475 (166) - G33346 REEL CARRIER LIFT CYLINDER, HAS SOLID PISTON ROD EYE (35) - HYDRAULIC SYSTEMS

Схема запчастей Case 475 - (166) - G33346 REEL CARRIER LIFT CYLINDER, HAS SOLID PISTON ROD EYE (35) - HYDRAULIC SYSTEMS
FIT
1:1
100%

Артикул

Название

Примечание

Количество

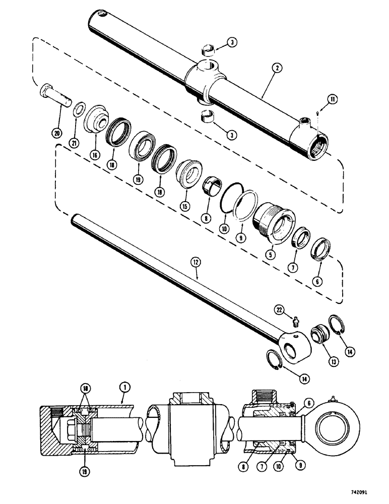
1

G33346

CYLINDER BLOCK

CYLINDER - lift, reel carrier (2-1/2" dia. x 27-3/8" stroke)

2шт.

2

D36215

TUBE

- cylinder body

1шт.

3

30634

BUSHING,32.05mm ID x 38.18mm OD x 17.6mm L

- tube trunnion

2шт.

5

G33578

GLAND

ASSEMBLY

1шт.

5

NSS

NOT SOLD SEPARAT

GLAND

1шт.

6

D95141

WIPER SEAL

WIPER - piston rod, outer (1-1/4 x 1-3/4 x 5/16")

1шт.

Part of Cylinder Repair Seal Kit P/N G32295

1шт.

7

D36968

SEAL,31.72mm ID x 44.58mm OD x 10.69mm Thk

- piston rod (1-1/4 x 1-3/4 x 13/32")

1шт.

Part of Cylinder Repair Seal Kit P/N G32295

1шт.

8

D27705

WIPER

WIPER - piston rod, inner

1шт.

9

D32129

SPRING

RING - gland "O" ring back-up

1шт.

Part of Cylinder Repair Seal Kit P/N G32295

1шт.

10

A28318

O-RING,0.139" Thk x 2.484" ID, -230, Cl 5, 75 Duro

"O" RING - gland (2-1/2 x 2-3/4 x 1/8")

1шт.

Part of Cylinder Repair Seal Kit P/N G32295

1шт.

11

187-1031

SELF-TAP SCREW,Pan, 0.164"-32 x 1/4"

SCREW - self tapping, #8 - 32 NC x 1/4"

1шт.

12

G33348

ROD

- piston (1-1/4" dia.)

1шт.

13

D22200

BEARING,25.4mm ID x 36.5mm OD x 22.23mm L

BUSHING - piston rod (Self-aligning)

1шт.

14

D27833

SNAP RING,1.625", Int, #162

Ring, Snap, 1.625", Int, #162

2шт.

15

G33347

PISTON ASSY.

PISTON - split (Rod end)

1шт.

16

D28364

PISTON

- split (Bolt end)

1шт.

17

G33193

PACKING

ASSY. - piston

1шт.

Part of Cylinder Repair Seal Kit P/N G32295

1шт.

17

RESERVED

1шт.

18

NSS

NOT SOLD SEPARAT

PACKING ASSY. - "V" type

2шт.

19

NSS

NOT SOLD SEPARAT

RING - center bearing

1шт.

20

28-1240

BOLT,Hex, 3/4" - 16 x 2-1/2", Gr 8

HHCS - 3/4" - 16 NF x 1-1/2" (Grade 8)

1шт.

21

G32317

WASHER,33.34mm ID x 63.5mm OD x 2.38mm Thk

- heat treated (7/8" x 1-3/8" x 9/64")

1шт.

22

219-1

LUBE NIPPLE,1/8" - 27 NPTF

FITTING - grease, straight (1/8" NPT)

1шт.

G32295

GASKET KIT

seal, cylinder, repair, Includes: Ref. 6 - 7, 9 - 10 and G33193

1шт.

Выбрано товаров: 0