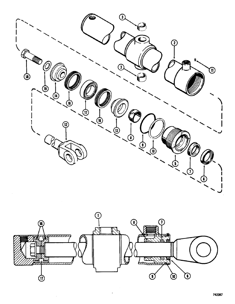
Запчасти Case 475 (167A) - G34344 REEL CARRIER AND DOZER LIFT CYLINDER, HAS YOKE SYTLE ROD EYE (35) - HYDRAULIC SYSTEMS

Схема запчастей Case 475 - (167A) - G34344 REEL CARRIER AND DOZER LIFT CYLINDER, HAS YOKE SYTLE ROD EYE (35) - HYDRAULIC SYSTEMS
FIT
1:1
100%

Артикул

Название

Примечание

Количество

1

G34344

CYLINDER

- reel carrier and dozer blade (2-1/2" dia. x 28" stroke)

2шт.

2

G34346

CYLINDER ASSY.,2.5" ID x 35" L

TUBE - cylinder body

1шт.

3

30634

BUSHING,32.05mm ID x 38.18mm OD x 17.6mm L

- tube trunnion

2шт.

4

RESERVED

1шт.

5

G33578

GLAND

ASSEMBLY

1шт.

5

NSS

NOT SOLD SEPARAT

GLAND

1шт.

6

D95141

WIPER SEAL

WIPER - piston rod, outer (1-1/4 x 1-3/4 x 5/16")

1шт.

Part of Cylinder Repair Seal Kit P/N G32295

1шт.

7

D36968

SEAL,31.72mm ID x 44.58mm OD x 10.69mm Thk

- piston rod (1-1/4 x 1-3/4 x 7/16")

1шт.

Part of Cylinder Repair Seal Kit P/N G32295

1шт.

8

D27705

WIPER

- piston rod, inner (Split type)

1шт.

9

A28318

O-RING,0.139" Thk x 2.484" ID, -230, Cl 5, 75 Duro

"O" RING - gland (2-1/2 x 2-3/4 x 1/8")

1шт.

Part of Cylinder Repair Seal Kit P/N G32295

1шт.

10

G32129

BACK-UP RING,63.25mm ID x 69.35mm OD x 1.4mm Thk

- gland "O" ring back-up

1шт.

Part of Cylinder Repair Seal Kit P/N G32295

1шт.

11

187-1031

SELF-TAP SCREW,Pan, 0.164"-32 x 1/4"

SCREW - self tapping #8 - 32 NC x 1/4"

1шт.

12

G34348

ROD

- piston (1-1/4" dia.)

1шт.

13

G33347

PISTON ASSY.

PISTON - split (Rod end)

1шт.

14

D28364

PISTON

- split (Bolt end)

1шт.

15

RESERVED

1шт.

16

G33193

PACKING

ASSEMBLY - piston

1шт.

Part of Cylinder Repair Seal Kit P/N G32295

1шт.

16

NSS

NOT SOLD SEPARAT

PACKING ASSY. - "V" type

2шт.

17

NSS

NOT SOLD SEPARAT

RING - center bearing

1шт.

18

28-1240

BOLT,Hex, 3/4" - 16 x 2-1/2", Gr 8

HHCS - 3/4" - 16 NF x 1-1/2" (Grade 8)

1шт.

19

G32317

WASHER,33.34mm ID x 63.5mm OD x 2.38mm Thk

- hardened (7/8" x 1-3/8" x 1/8")

1шт.

G32295

GASKET KIT

SEAL KIT - cylinder repair, Includes: Ref. 6 - 7, 9 - 10 and P/N G33193

1шт.

Выбрано товаров: 0