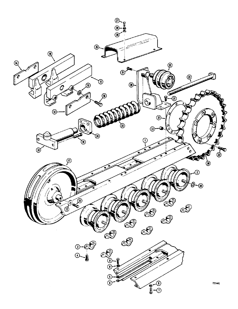
Запчасти Case 475 (124) - TRACK FRAME AND RECOIL SYSTEM (48) - TRACKS & TRACK SUSPENSION

Схема запчастей Case 475 - (124) - TRACK FRAME AND RECOIL SYSTEM (48) - TRACKS & TRACK SUSPENSION
FIT
1:1
100%

Артикул

Название

Примечание

Количество

1

D35359

SPARE PART Track, LH

1шт.

1

D35358

SPARE PART Track, RH

1шт.

2

REF

INSTRUCTION

ROLLER - track (Parts list Fig. 126)

10шт.

3

D35346

SHIN

CAP - track roller shaft retainer

20шт.

4

13-1020

BOLT,Hex, 5/8" - 11 x 1-1/4", Gr 5, Full Thd

40шт.

5

D35290

STRIP

SHIM - wear, track channel (.0149" thick)

1шт.

6

D35276

PLATE

Wear, track channel

4шт.

7

13-1024

BOLT,Hex, 5/8" - 11 x 1-1/2", Gr 5, Full Thd

4шт.

8

13-1020

BOLT,Hex, 5/8" - 11 x 1-1/4", Gr 5, Full Thd

4шт.

9

92-10

LOCK WASHER,5/8"

8шт.

10

D48593

FRONT IDLER

BRACKET - idler, RH

2шт.

11

D48592

FRONT IDLER

BRACKET - idler, LH

1шт.

12

D21262

WASHER

Special

4шт.

13

13-1220

BOLT,Hex, 3/4" - 10 x 1-1/4", Gr 5

4шт.

14

D35269

PLATE

Idler guide

4шт.

15

D35268

SHIM,1/32" Thk

Guide plate

1шт.

16

13-1224

BOLT,Hex, 3/4" - 10 x 1-1/2", Gr 5

8шт.

17

D35271

FRONT IDLER

WHEEL - complete (Parts list Fig. 128)

2шт.

18

D48596

ADJUSTER

Track, hydraulic (Parts list Fig. 128)

2шт.

19

13-1244

BOLT,Hex, 3/4" - 10 x 2-3/4", Gr 5

4шт.

20

D35355

BRACKET

Mounting, track carrier roller (LH)

1шт.

20

D35354

BRACKET

SPARE PART Mounting, track carrier roller (RH)

1шт.

21

13-1220

BOLT,Hex, 3/4" - 10 x 1-1/4", Gr 5

10шт.

22

D35277

SPRING

Recoil

2шт.

23

D38668

BOLT

STUD ASSEMBLY - recoil spring

2шт.

24

D47539

NUT

Tension adjusting

2шт.

25

D49923

ROLLER

TRACK CARRIER - parts list Fig. 126

2шт.

26

D35337

COVER

Recoil spring

2шт.

27

13-816

BOLT,Hex, 1/2" - 13 x 1", Gr 5, Full Thd

8шт.

28

195-33

WASHER,1/2"

8шт.

29

92-8

LOCK WASHER,1/2"

8шт.

30

D43349

DRIVE SPROCKET

2шт.

31

D39530

SHIM,.03125" Thk

Drive sprocket

1шт.

32

70119

BOLT,Hex, 3/4" - 16 x 2.75", Gr 5

Special

14шт.

33

232-46112

LOCK NUT,3/4"-16, GC

14шт.

34

D51644

SHIM

.0359" thick, between rollers and track frame

1шт.

Выбрано товаров: 36