Запчасти Case 475 (100) - ALTERNATOR MOUNTING (55) - ELECTRICAL SYSTEMS

Схема запчастей Case 475 - (100) - ALTERNATOR MOUNTING (55) - ELECTRICAL SYSTEMS
FIT
1:1
100%

Артикул

Название

Примечание

Количество

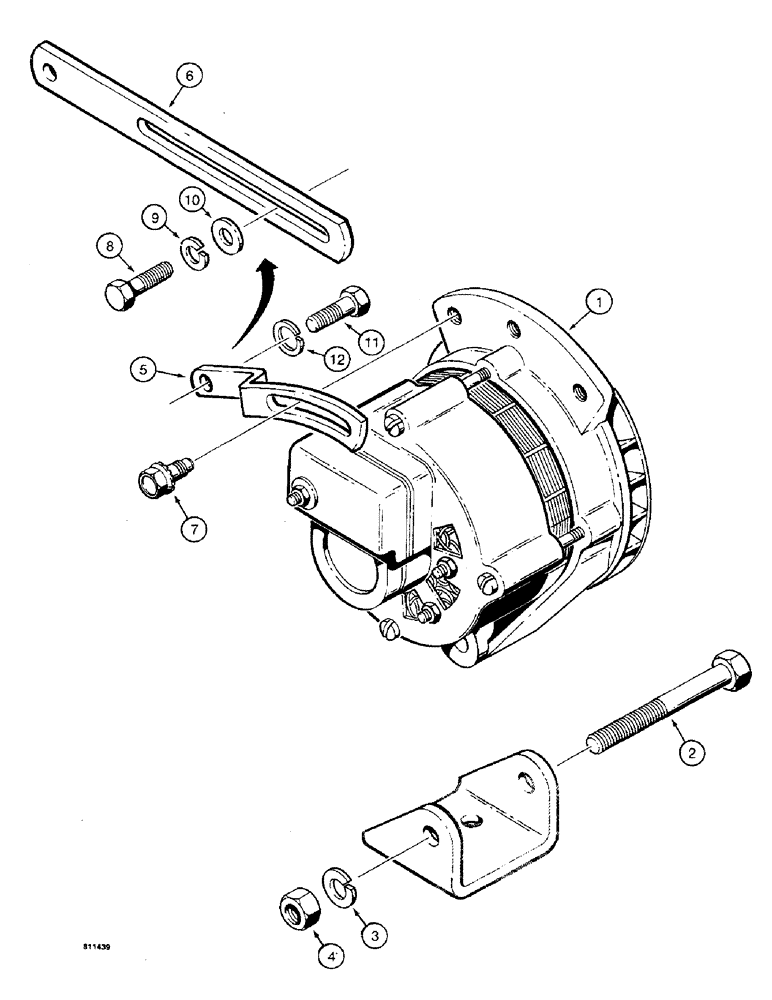
1

A41340

ALTERNATOR

- Motorola no. MH12N601, does not include pulley, parts list and pulley on figure 70

1шт.

2

13-648

BOLT,Hex, 3/8" - 16 x 3", Gr 5

- hex head, 3/8" - 16 NC x 3"

1шт.

3

92-6

LOCK WASHER,3/8"

1шт.

4

129-103

NUT,Hex, 3/8" - 16, Gr 5

NUT, 3/8"-16, G5

1шт.

5

L41455

STRAP

- alternator adjusting, curved, if used

1шт.

6

R40121

STRAP

- alternator adjusting, straight, if used

1шт.

7

193-514

SCREW,SEMS, Hex Hd, 5/16"-18 x 3/4"

HARDWARE ASSEMBLY - bolt and washer, special, if used

1шт.

8

13-516

BOLT,Hex, 5/16" - 18 x 1", Gr 5

If used Hex, 5/16"-18 x 1", G5, Full Thd

1шт.

9

92-5

LOCK WASHER,5/16"

if used 5/16"

1шт.

10

95-5

WASHER,3/8" x 7/8" x .083"

- flat, 5/16"

1шт.

11

13-614

BOLT,Hex, 3/8" - 16 x 7/8", Gr 5, Full Thd

1шт.

12

92-6

LOCK WASHER,3/8"

1шт.

Выбрано товаров: 12