Запчасти Case 475 (258) - CABLE PLOW AND CYLINDER MOUNTING (89) - TOOLS

Схема запчастей Case 475 - (258) - CABLE PLOW AND CYLINDER MOUNTING (89) - TOOLS
FIT
1:1
100%

Артикул

Название

Примечание

Количество

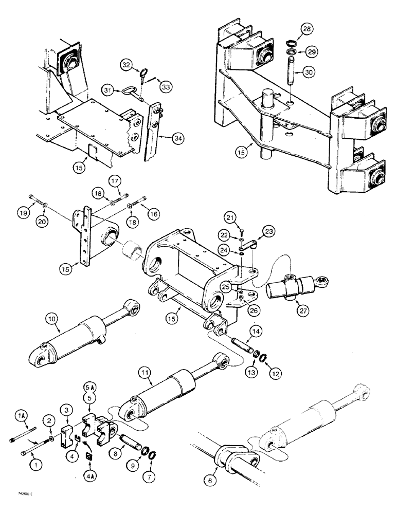
1

13-1472

CAPSCREW,Hex, 7/8" - 9 x 4 1/2", Gr 5

BOLT - hex head, 7/8" - 9 NC x 4-1/2", used with crossbar rear clamp with lugs (See refs. 5 and 5A), if used

6-8шт.

Ref. 1 - 5 used with D50529 rear crossmember only. They are not used with R39843 rear crossbar. See Figure 276 for identification of rear crossbars.

1шт.

1a

166-159

BOLT - Ferry head, 7/8" - 9 NC x 4-1/2", used with crossbar rear clamps with lugs, (See refs. 5 and 5A), if used

2шт.

Ref. 1 - 5 used with D50529 rear crossmember only. They are not used with R39843 rear crossbar. See Figure 276 for identification of rear crossbars.

1шт.

2

D34667

WASHER,23.02mm ID x 38.1mm OD x 3.57mm Thk

- special, used with clamps 5 and 5A only, if used

8шт.

Ref. 1 - 5 used with D50529 rear crossmember only. They are not used with R39843 rear crossbar. See Figure 276 for identification of rear crossbars.

1шт.

3

D34663

CLAMP

- front, used with clamps 5 and 5A only, if used

4шт.

Ref. 1 - 5 used with D50529 rear crossmember only. They are not used with R39843 rear crossbar. See Figure 276 for identification of rear crossbars.

1шт.

4

D33982

BUSHING

SPACER - clamp, used with clamps 5 and 5A only, if used, no longer used, order R28516 spacer, Ref. 4A

4шт.

Ref. 1 - 5 used with D50529 rear crossmember only. They are not used with R39843 rear crossbar. See Figure 276 for identification of rear crossbars.

1шт.

4a

R28516

SPACER

- clamp, used with clamps 5 and 5A only, if used

4шт.

Ref. 1 - 5 used with D50529 rear crossmember only. They are not used with R39843 rear crossbar. See Figure 276 for identification of rear crossbars.

1шт.

5

R24448

CLAMP - rear, with lugs, used with rear crossbars without lift cylinder mounting lugs, see figure 276, used before tractor SN 3065501, if used

2шт.

Ref. 1 - 5 used with D50529 rear crossmember only. They are not used with R39843 rear crossbar. See Figure 276 for identification of rear crossbars.

1шт.

5a

R39021

CLAMP - rear, with lugs, used with rear crossbars without lift cylinder mounting lugs, see figure 276, used tractor SN 3065501 and after, if used

2шт.

Ref. 1 - 5 used with D50529 rear crossmember only. They are not used with R39843 rear crossbar. See Figure 276 for identification of rear crossbars.

1шт.

6

REF

INSTRUCTION

CROSSBAR - rear, with lugs for plow lift cylinder mounting, used without refs. 1-5, see figure 276

1шт.

7

D25280

SNAP RING,#175, Ext

Ring, Snap, , pin #175, Ext

4шт.

8

D45047

PIN

- lift cylinder mounting

2шт.

9

195-2152

WASHER,1 13/16" x 2 1/2" x .109"

- flat, 1-3/4"

4шт.

10

G34210

CYLINDER ASSY.

CYLINDER - lift, left-hand, parts list figure 226

1шт.

11

G34211

CYLINDER ASSY.

CYLINDER - lift, right-hand, parts list figure 226

1шт.

12

D25279

SNAP RING,M35, Int

- pin retaining

4шт.

13

D28610

WASHER,38.5mm ID x 63.5mm OD x 2.66mm Thk

- special

4шт.

14

D44881

PIN,38.1mm OD x 136.4mm L

- lift cylinder to cable plow

2шт.

No bushing is used where the Ref. 14 pin goes through the eyelets of Ref. 15.

1шт.

15

REF

INSTRUCTION

PLOW - cable, parts list figures 260 - 266

1шт.

16

13-1236

BOLT,Hex, 3/4" - 10 x 2-1/4", Gr 5

Replaces ferry head bolt on some models Hex, 3/4"-10 x 2 1/4", G5

8шт.

17

166-135

BOLT

- Ferry head, 3/4" - 10 NC x 2-1/4"

2-1шт.

18

D34666

WASHER,33.34mm ID x 63.5mm OD x 2.38mm Thk

- special

10шт.

19

13-1236

BOLT,Hex, 3/4" - 10 x 2-1/4", Gr 5

4шт.

20

D34666

WASHER,33.34mm ID x 63.5mm OD x 2.38mm Thk

- special

4шт.

21

13-832

BOLT,Hex, 1/2" - 13 x 2", Gr 5

4шт.

22

195-33

WASHER,1/2"

- flat, 1/2"

4шт.

23

R24452

PIN

- swing cylinder, at center pivot

4шт.

24

B18337

SPACER

- pin

4шт.

25

92-8

LOCK WASHER,1/2"

4шт.

26

25-108

NUT,1/2"-13, G5

- hex, 1/2" - 13 NC

4шт.

27

REF

INSTRUCTION

CYLINDER - plow swing, see figure 228 or 230 for correct assembly and components

2шт.

28

D25279

SNAP RING,M35, Int

- pin retaining

4шт.

29

D28610

WASHER,38.5mm ID x 63.5mm OD x 2.66mm Thk

- special

4шт.

30

D32931

PIN

- swing cylinder, rod end

2шт.

31

H596908

AXLE PIN

PIN - blade mounting

2шт.

32

H590026

AXLE PIN

PIN - small, pin retaining

2шт.

33

132-311

COTTER PIN,5/32" x 1 1/4"

5/32" x 1 1/4"

2шт.

34

REF

INSTRUCTION

BLADE ASSEMBLY - see figures 268 - 272 for correct assembly and components

1шт.

Выбрано товаров: 46