Запчасти Case 475 (274) - COULTER (89) - TOOLS

Схема запчастей Case 475 - (274) - COULTER (89) - TOOLS
FIT
1:1
100%

Артикул

Название

Примечание

Количество

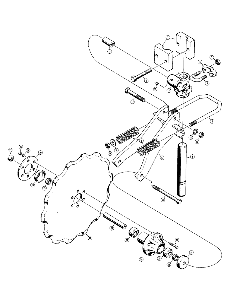
1

R24344

ROD

PIN - coulter mounting

1шт.

2

13-1064

BOLT,Hex, 5/8" - 11 x 4", Gr 5

- hex head, 5/8" - 11 NC x 4"

2шт.

3

R24343

WASHER

BLOCK - clamping

2шт.

4

T38336

HARDWARE

U-BOLT - coulter pin clamp

1шт.

5

25-108

NUT,1/2"-13, G5

- hex, 1/2" - 13 NC

2шт.

6

T2164

CLASP

CLAMP - coulter pin

1шт.

7

T2165

MOUNTING PARTS

BRACKET - coulter pin

1шт.

8

T38335

U-BOLT

- large

1шт.

9

T38341

VALVE SPRING

SPRING - coulter

2шт.

10

195-2075

WASHER,11/16" x 1 1/2" x 109"

- flat, 5/8"

2шт.

11

230-4117

LOCK NUT,7/16"-14, GA

NUT - hex, 5/8" - 11 NC

2шт.

12

13-1068

BOLT,Hex, 5/8" - 11 x 4-1/4", Gr 5

- hex head, 5/8" - 11 NC x 4-1/4"

1шт.

13

T38340

SPACER

- mounting

1шт.

14

92-10

LOCK WASHER,5/8"

WASHER, LOCK, 5/8"

1шт.

15

25-1010

NUT,5/8"-11, G5

1шт.

16

219-1

LUBE NIPPLE,1/8" - 27 NPTF

GREASE FITTING - straight, 1/8" NPT

1шт.

17

T39321

ARM

- coulter mounting

1шт.

18

T13054

BLADE

- coulter, 18" notched

1шт.

19

13-624

BOLT,Hex, 3/8" - 16 x 1-1/2", Gr 5

- hex head, 3/8" - 16 NC x 1-1/2", replaces bolt with fine threads

6шт.

20

T12707

WASHER

- special

1шт.

21

92-6

LOCK WASHER,3/8"

6шт.

22

9635082

NUT,5/16" - 18, Gr 5

- hex, 3/8" - 16 NC, replaces self-locking nut with fine threads

6шт.

23

16-8116

LARGE PIN

BOLT - hex head, 1/2" - 20 NF x 7-1/4"

1шт.

24

T39595

WASHER

GUARD - dirt, coulter hub and shaft

2шт.

25

T39597

SPACER

- hub

2шт.

26

T39593

AXLE

SHAFT - coulter

1шт.

27

131-9

LOCK NUT,Prev Torque, Hex, 1/2" - 20, Gr B

NUT - hex, self-locking, 1/2" - 20 NF

1шт.

T39596

HUB

ASSEMBLY - coulter, Includes: Refs. 28, 29

1шт.

28

NSS

NOT SOLD SEPARAT

HUB - coulter

1шт.

29

A70280

BALL BEARING

- hub assembly

2шт.

Выбрано товаров: 30