Запчасти Case 475 (040) - WATER MANIFOLD AND THERMOSTAT, 336BD DIESEL ENGINE (10) - ENGINE

Схема запчастей Case 475 - (040) - WATER MANIFOLD AND THERMOSTAT, 336BD DIESEL ENGINE (10) - ENGINE
FIT
1:1
100%

Артикул

Название

Примечание

Количество

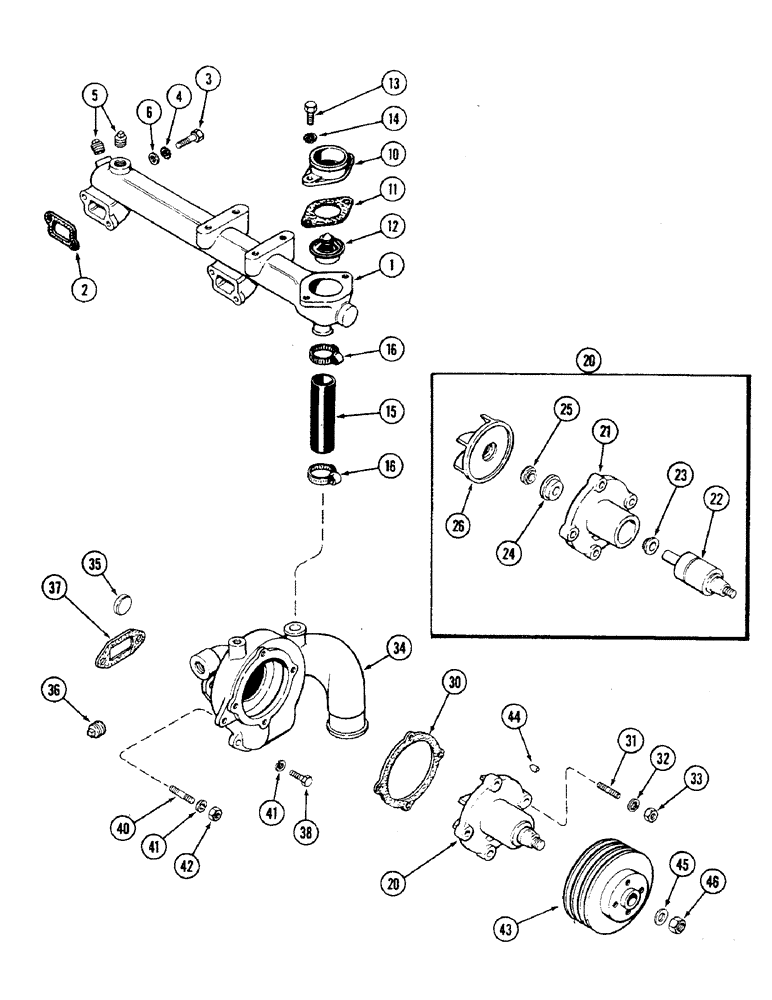
1

A141963

MANIFOLD

- water (Replaces A58735)

1шт.

2

A58637

MANIFOLD GASKET

- water manifold

2шт.

3

13-624

BOLT,Hex, 3/8" - 16 x 1-1/2", Gr 5

- manifold (3/8 x 1-1/2" NC hex)

2шт.

3

413-632

BOLT,Hex, 3/8" - 16 x 2", Gr 5

Manifold Hex, 3/8"-16 x 2", G5

2шт.

4

193-10

LOCK WASHER,Ext Tooth, 0.391" ID x 0.682" OD, STL, PLN

WASHER, LOCK, Ext Tooth, 3/8"

4шт.

5

221-4

DRAIN PLUG,Sq Hd, 1/2"-14 NPTF

PLUG - 1/2" PT, square head

2шт.

6

195-25

WASHER,3/8"

- flat, 13/32 x 13/16 x 1/16" (10.3 to 20.6 x 1.6 MM)

4шт.

10

A58736

HOUSING

- thermostat

1шт.

11

G46907

GASKET

-, Serial Range: housing-manifold

1шт.

12

A57641

THERMOSTAT

- engine coolant, 180 degrees F (82 degrees C)

1шт.

13

13-614

BOLT,Hex, 3/8" - 16 x 7/8", Gr 5, Full Thd

Housing Hex, 3/8"-16 x 7/8", G5, Full Thd

2шт.

14

193-10

LOCK WASHER,Ext Tooth, 0.391" ID x 0.682" OD, STL, PLN

WASHER, LOCK, Ext Tooth, 3/8"

2шт.

15

A58737

HOSE,30.99mm ID x 134.62mm L, SAE 20R4

- manifold to pump, 1-1/4" ID x 5" (31.8 MM OD x 127 MM)

1шт.

16

214-256

HOSE CLAMP,#20, 0.81" - 1.75", Type F Worm

CLAMP - hose, 1-3/16" to 1-3/4" (30.2 to 44.5 MM)

2шт.

20

A61266

PUMP

ASSEMBLY - water (Order A157143, A155047 and 14-820, see figure 42), body, Includes: Refs. 21-26

1шт.

21

NSS

NOT SOLD SEPARAT

BODY - pump (See ref 20), WATER

1шт.

22

A154521

SHAFT

ASSEMBLY - bearing (Order A156995, A155047 and 14-820, figure 42), water pump and body, Includes: Ref. 23

1шт.

23

CASA29440

SLINGER

- water, pump and body

1шт.

24

A142499

SEAL

- pump shaft, water snd body

1шт.

25

A34000

SEAL

SEAT - impeller, water pump and body

1шт.

26

A61267

IMPELLER

INPELLER - water, pump and body

1шт.

30

A58646

GASKET

- pump to body, water

1шт.

31

G102128

BOLT

- pump to body (Special) (Replaces A62234), water

4шт.

32

193-30

LOCK WASHER,Int Tooth, 3/8"

WASHER, LOCK, , Water pump and body Int Tooth, 3/8"

4шт.

33

25-106

NUT,3/8"-16, G5

- 3/8" NC hex, water pump and body

4шт.

34

A138498

HOUSING

BODY ASSEMBLY - water pump, Includes: Ref. 35

1шт.

35

A58568

PLUG,Cup, 1 3/8", Stainless

- 1-3/8" (34.9 MM) cup type, water pump and body

1шт.

36

221-5

DRAIN PLUG,Sq Hd, 1/4"-14 NPTF

PLUG - 3/4" PT, square head, water pump and body

1шт.

37

A58649

GASKET

- body to block, water pump

1шт.

38

13-620

BOLT,Hex, 3/8" - 16 x 1-1/4", Gr 5, Full Thd

Body, water pump Hex, 3/8"-16 x 1 1/4", G5, Full Thd

2шт.

40

G102128

BOLT

- body (3/8" NS x 1-17/32") (Replaces G11204), water pump

2шт.

41

92-6

LOCK WASHER,3/8"

water pump and body 3/8"

4шт.

42

25-106

NUT,3/8"-16, G5

- 3/8" NC hex, water pump and body

2шт.

43

A60690

PULLEY

- fan, water pump and body

1шт.

44

126-116

WOODRUFF KEY,#9, 3/16" x 3/4", HT

Pulley, water pump and body #9, 3/16" x 3/4", HT

1шт.

45

A58651

WASHER

- pump to shaft, water and body

1шт.

46

131-1106

LOCK NUT,1/2"-20, GB

NUT, LOCK, , Water pump and body 1/2"-20, GB

1шт.

Выбрано товаров: 0