Запчасти Case 475 (052) - OPTIONAL MUFFLERS, SPARK ARRESTER MUFFLER (10) - ENGINE

Схема запчастей Case 475 - (052) - OPTIONAL MUFFLERS, SPARK ARRESTER MUFFLER (10) - ENGINE
FIT
1:1
100%

Артикул

Название

Примечание

Количество

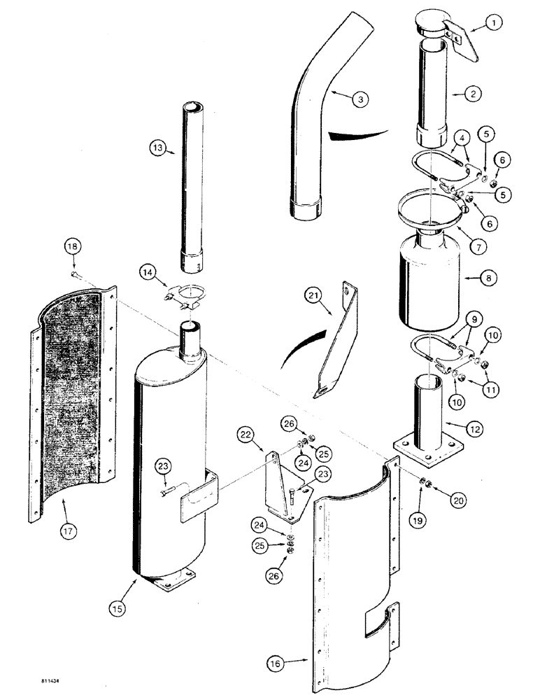
1

D33884

CAP

- exhaust pipe

1шт.

2

D33883

TUBE

EXHAUST PIPE - upper, straight, no longer used, order R30869 exhaust pipe

1шт.

3

R30869

PIPE, EXHAUST SYSTEM

EXHAUST PIPE - upper, bent

1шт.

4

L73711

CLAMP

ASSEMBLY - upper exhaust pipe, Includes: Refs. 5, 6

1шт.

5

92-6

LOCK WASHER,3/8"

2шт.

6

25-106

NUT,3/8"-16, G5

- hex, 3/8" - 16 NC

2шт.

7

NLS

NO LONGER SERVICED

STRAP - spark arrester

1шт.

8

D33881

ARRESTER

SPARK ARRESTER - engine

1шт.

9

A13240

CLAMP,2-5/8" ID

ASSEMBLY - lower exhaust pipe, Includes: Refs. 10, 11

1шт.

10

92-5

LOCK WASHER,5/16"

2шт.

11

9635082

NUT,5/16" - 18, Gr 5

- hex, 5/16" - 18 NC

2шт.

12

D47780

EXHAUST SYSTEM PIPE

EXHAUST PIPE - lower

1шт.

13

R35502

PIPE

EXHAUST PIPE, muffler used on models with increased noise reduction

1шт.

14

A27077

CLAMP

ASSEMBLY - includes hardware, muffler used on models with increased noise reduction

1шт.

15

R35500

MUFFLER

- bracket may include weld nuts for side mounting bracket, muffler used on models with increased noise reduction

1шт.

16

R35486

COVER - muffler, padded, with slot, muffler used on models with increased noise reduction

1шт.

17

R35487

COVER

- muffler, padded, without slot, muffler used on models with increased noise reduction

1шт.

18

13-510

BOLT,Hex, 5/16" - 18 x 5/8", Gr 5, Full Thd

- hex head, 5/16" - 18 NC x 3/4", muffler used on models with increased noise reduction

12шт.

19

92-5

LOCK WASHER,5/16"

muffler used on models with increased noise reduction 5/16"

12шт.

20

9635082

NUT,5/16" - 18, Gr 5

- hex, 5/16" - 18 NC, muffler used on models with increased noise reduction

12шт.

21

R41109

BRACKET

- muffler support, used before tractor sn 3065501, muffler used on models with increased noise reduction

1шт.

22

R41096

BRACKET - muffler support, used on tractor sn 3065501 and after, muffler used on models with increased noise reduction

1шт.

23

13-616

BOLT,Hex, 3/8" - 16 x 1", Gr 5, Full Thd

Muffler used on models with increased noise reduction Hex, 3/8"-16 x 1", G5, Full Thd

3шт.

24

195-25

WASHER,3/8"

- flat, , muffler used on models with increased noise reduction 3/8"

3шт.

25

92-6

LOCK WASHER,3/8"

muffler used on models with increased noise reduction 3/8"

3шт.

26

25-106

NUT,3/8"-16, G5

- hex, 3/8" - 16 NC, muffler used on models with increased noise reduction

2-3шт.

Выбрано товаров: 26