Запчасти Case 475 (172) - TRANSMISSION CONTROL VALVE (21) - TRANSMISSION

Схема запчастей Case 475 - (172) - TRANSMISSION CONTROL VALVE (21) - TRANSMISSION
FIT
1:1
100%

Артикул

Название

Примечание

Количество

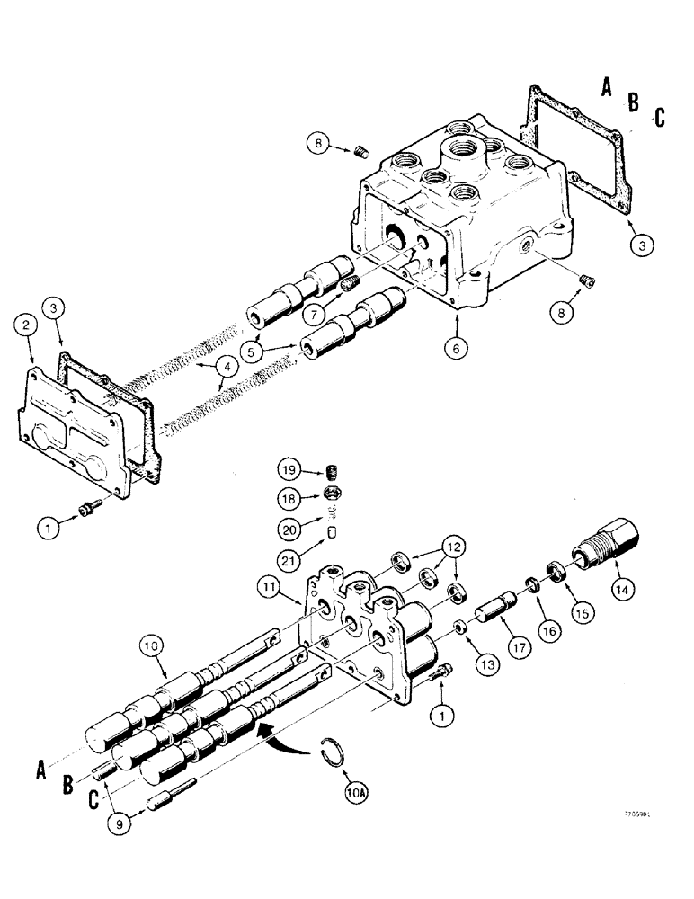
R20724

VALVE

CONTROL VALVE - three spool, Includes: Refs. 1-21

1шт.

1

193-511

HEX SOC SCREW,Sems, 1/4"-28 x 5/8"

SCREW AND WASHER - 1/4" - 28 NF x 2-5/8"

12шт.

2

R21384

COVER

- rear

1шт.

3

35665

GASKET

- covers

2шт.

4

71125

SPRING

- spool

2шт.

5

74916

SPOOL

- brake

2шт.

6

NSS

NOT SOLD SEPARAT

BODY - valve

1шт.

7

221-42

X,Sltd, 1/4" NPT

PLUG - slotted, 1/4" NPT

1шт.

8

221-849

PLUG,Hex Soc, 1/8"-27

- hex socket head, 1/8" NPT

2шт.

9

71141

ROD

- spool

2шт.

10

G107659

ROD

SPOOL - shift, Includes: Ref. 10A

3шт.

10a

71144

RING

SNAP RING - shift spool

1шт.

11

R13941

COVER ASSY

COVER - front

1шт.

12

71121

WIPER SEAL,15.88mm ID x 20.78mm OD x 2.74mm Thk

U-CUP SEAL - 13/16" (21 MM) OD, if used

3шт.

12

G105700

OIL SEAL

- double lip, with spring, 1-1/8" (29 MM) OD, if used, Includes: Ref. 13

3шт.

13

51200266

SEAL

- rod, small

2шт.

14

A50455

HOUSING

- piston, Includes: Ref. 15

2шт.

15

71121

WIPER SEAL,15.88mm ID x 20.78mm OD x 2.74mm Thk

- piston housing

1шт.

16

51200265

RING

QUAD RING - piston

2шт.

17

A50457

PISTON

- brake

2шт.

18

131-407

LOCK NUT,Pal, 3/8" - 16, 0.145" High

NUT - hex, self-locking, 3/8"-16 NC

3шт.

19

G104208

SET SCREW

- hex socket, 3/8" - 16 NC x 3/8"

3шт.

20

71119

SPRING

- detent

3шт.

21

71120

VALVE

PIN - spool detent

3шт.

Выбрано товаров: 24