Запчасти Case 475 (176) - TRACK FRAMES AND RELATED PARTS (48) - TRACKS & TRACK SUSPENSION

Схема запчастей Case 475 - (176) - TRACK FRAMES AND RELATED PARTS (48) - TRACKS & TRACK SUSPENSION
FIT
1:1
100%

Артикул

Название

Примечание

Количество

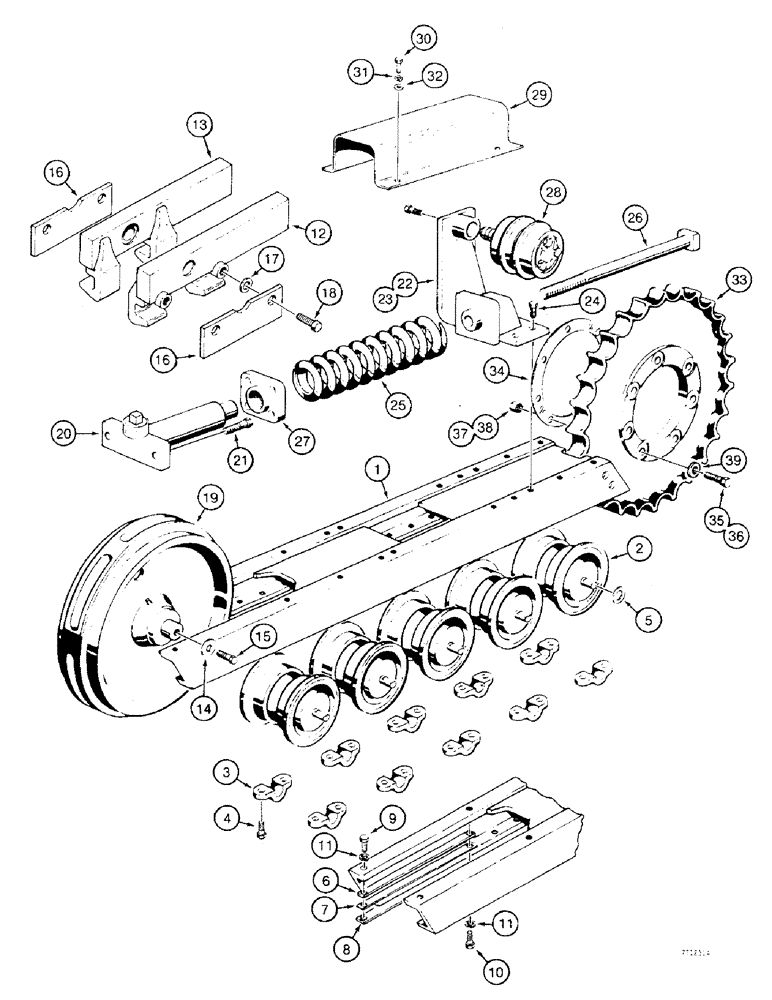
1

D35359

TRACK FRAME - left-hand

1шт.

1

D35358

TRACK FRAME - right-hand

1шт.

2

REF

INSTRUCTION

TRACK ROLLER - see figure 180 for the correct assembly and components

10шт.

3

D35346

SHIN

BRACKET - mounting, track roller, if used

20шт.

4

13-1020

BOLT,Hex, 5/8" - 11 x 1-1/4", Gr 5, Full Thd

40шт.

5

D51644

SHIM

- track roller, if used

1шт.

6

R35793

SHIM,.059" Thk

Idler bracket (1.6 mm) .059" Thk

1шт.

7

D35290

STRIP

SHIM - idler bracket, 1/64" (0.4 MM) thick

1шт.

8

D35276

PLATE

WEAR PLATE - idler

4шт.

9

13-1024

BOLT,Hex, 5/8" - 11 x 1-1/2", Gr 5, Full Thd

4шт.

10

13-1020

BOLT,Hex, 5/8" - 11 x 1-1/4", Gr 5, Full Thd

4шт.

11

92-10

LOCK WASHER,5/8"

WASHER, LOCK, 5/8"

8шт.

12

D48593

FRONT IDLER

BRACKET - idler, right-hand

2шт.

13

D48592

FRONT IDLER

BRACKET - idler, left-hand

2шт.

14

D21262

WASHER

- special

4шт.

15

13-1220

BOLT,Hex, 3/4" - 10 x 1-1/4", Gr 5

4шт.

16

D35269

PLATE

- guide, idler

4шт.

17

D35268

SHIM,1/32" Thk

Guide, plate 1/32" Thk

1шт.

18

13-1224

BOLT,Hex, 3/4" - 10 x 1-1/2", Gr 5

8шт.

19

D35271

FRONT IDLER

IDLER ASSEMBLY - parts list figure 178

2шт.

20

D48596

ADJUSTER

TRACK ADJUSTER ASSEMBLY - parts list figure 178

2шт.

21

13-1244

BOLT,Hex, 3/4" - 10 x 2-3/4", Gr 5

54шт.

22

D35354

BRACKET

- carrier roller, right-hand

1шт.

23

D35355

BRACKET

- carrier roller, left-hand

1шт.

24

13-1220

BOLT,Hex, 3/4" - 10 x 1-1/4", Gr 5

10шт.

25

D35277

SPRING

- recoil

2шт.

26

D38668

BOLT

- special, track adjuster

2шт.

27

D47539

NUT

RETAINER - threaded, track adjuster bolt

2шт.

28

D49923

ROLLER

CARRIER ROLLER - track, parts list figure 182

2шт.

29

D35337

COVER

- recoil spring

2шт.

30

13-816

BOLT,Hex, 1/2" - 13 x 1", Gr 5, Full Thd

8шт.

31

92-8

LOCK WASHER,1/2"

8шт.

32

195-33

WASHER,1/2"

- flat, 1/2"

8шт.

33

D43349

DRIVE SPROCKET

SPROCKET - track drive

2шт.

34

D39530

SHIM,.03125" Thk

Sprocket .03125" Thk

1шт.

35

70119

BOLT,Hex, 3/4" - 16 x 2.75", Gr 5

- special, 3/4" - 16 NF threads, if used, may be replaced with R27954 bolt and 131-737 nut

14шт.

36

R27954

BOLT

- special, 3/4" - 10 NC threads, if used

14шт.

37

232-46112

LOCK NUT,3/4"-16, GC

NUT - hex, self-locking, 3/4" - 16 NF threads, no longer available, order 131-737 nut

14шт.

38

280375

NUT,3/4"-10, GC

NUT - hex, self-locking, 3/4" - 10 NC

14шт.

39

D34666

WASHER,33.34mm ID x 63.5mm OD x 2.38mm Thk

- hardened

14шт.

Выбрано товаров: 40