Запчасти Case 475 (186) - TRACK CHAINS (48) - TRACKS & TRACK SUSPENSION

Схема запчастей Case 475 - (186) - TRACK CHAINS (48) - TRACKS & TRACK SUSPENSION
FIT
1:1
100%

Артикул

Название

Примечание

Количество

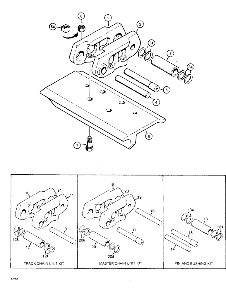
D48011

CHAIN

ASSEMBLY - 18 unit

2шт.

D48010

CHAIN (AG)

CHAIN ASSEMBLY - 19 unit, Includes: Refs. 1-5

2шт.

1

D43181

LINK

- track chain, left-hand

19шт.

2

D43182

LINK

- track chain, right-hand

19шт.

3

D48007

BUSHING

- track

19шт.

3a

D48006

SEALING WASHER

BELLEVILLE SPRING - pin mounting

76шт.

4

D43184

PIN

- track, standard

18шт.

5

D43185

PIN

- track, master

1шт.

6

REF

INSTRUCTION

TRACK SHOE - see figure 188

74шт.

7

R24688

FLANGE BOLT

BOLT - special, 1/2-20 NF-3a---1.56in length

296шт.

8

D43242

NUT

- hex, special, if used

296шт.

Do not mix hex nuts and square nuts on the same machine.

1шт.

8a

R24578

NUT

- square, special, if used

296шт.

Do not mix hex nuts and square nuts on the same machine.

1шт.

D48039

DRAG LINK

KIT - track chain unit, Includes: Refs. 9-12A

70шт.

9

D43184

PIN

- track, standard, chain unit kit

2шт.

10

D43181

LINK

- track chain, left-hand, unit kit

1шт.

11

D43182

LINK

- track chain, right-hand, unit kit

1шт.

12

D48007

BUSHING

- track chain, unit kit

1шт.

12a

D48006

SEALING WASHER

BELLEVILLE SPRING - pin mounting, track chain unit kit

4шт.

D48040

KIT

- pin and bushing, Includes: Refs. 13-15

1шт.

13

D48007

BUSHING

- track chain, pin kit

74шт.

13a

D48006

SEALING WASHER

BELLEVILLE SPRING - pin mounting, brushing kit

296шт.

14

D43398

PIN

- track, .003" (0.076 MM) oversize, brushing kit

70шт.

15

D44051

PIN

- track, master, .003" (0.076 MM) oversize, brushing kit

4шт.

D48038

DRAG LINK

KIT - master chain unit, Includes: Refs. 16-20A

4шт.

16

D43184

PIN

- track, standard, master chain unit kit

1шт.

17

D43185

PIN

- track, master, chain unit kit

1шт.

18

D43181

LINK

- track chain, left-hand, master unit kit

1шт.

19

D43182

LINK

- track chain, right-hand, master unit kit

1шт.

20

D48007

BUSHING

- track chain, master chain unit kit

1шт.

20a

D48006

SEALING WASHER

BELLEVILLE SPRING - pin mounting, master chain unit kit

4шт.

Выбрано товаров: 32