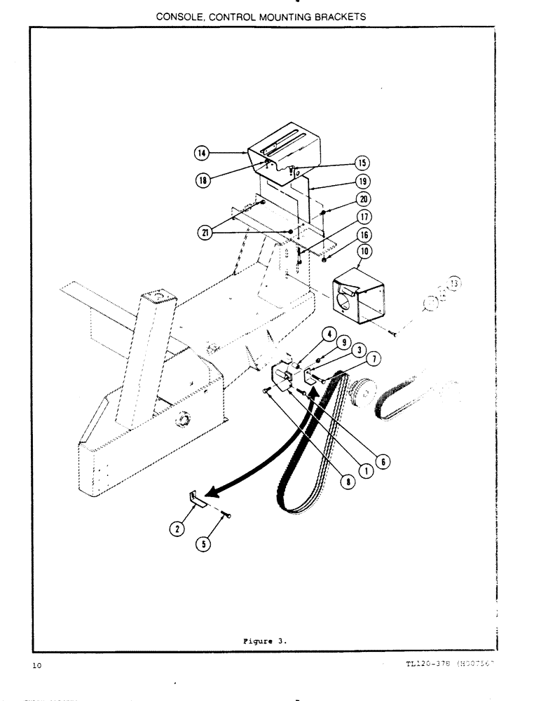
Запчасти Case 120 (10) - CONSOLE, CONTROL MOUNTING BRACKETS

Схема запчастей Case 120 - (10) - CONSOLE, CONTROL MOUNTING BRACKETS
FIT
1:1
100%

Артикул

Название

Примечание

Количество

1

H603191

CLUTCH ASSEMBLY

Mounting Bracket - Clutch

1шт.

2

H311928

Retainer - Belt

1шт.

3

H317495

ANGLE

Retainer - Belt

1шт.

4

H317487

Spacer

1шт.

5

113-110

BOLT,Hex, 5/16" - 18 x 2-1/4", Gr 5

Hex, 5/16"-18 x 2 1/4", G5

2шт.

6

113-110

BOLT,Hex, 5/16" - 18 x 2-1/4", Gr 5

Hex, 5/16"-18 x 2 1/4", G5

1шт.

7

113-177

BOLT,Hex, 5/16" - 18 x 3", Gr 5

1шт.

8

113-233

BOLT,Hex, 3/8" - 16 x 1-3/4", Gr 5

1шт.

9

230-4216

LOCK NUT,3/8"-16, GA

Nut NC HH C/L (3/8)

1шт.

10

H608513

Mounting Bracket - Auxiliary Transmission

1шт.

11

113-207

BOLT,Hex, 3/8" - 16 x 1", Gr 5

4шт.

12

195-525

WASHER,3/8", SAE

4шт.

13

230-4216

LOCK NUT,3/8"-16, GA

Nut NC HH C/L (3/8)

4шт.

14

H603357

Console - Lever

1шт.

15

113-206

BOLT,Hex, 3/8" - 16 x 3/4", Gr 5, Full Thd

2шт.

16

230-4216

LOCK NUT,3/8"-16, GA

Nut - NC HH C/L (3/8)

2шт.

17

H42465

Bolt - NF HH (3/8 x 2 1/4) (chain adjust)

1шт.

18

131-1133

NUT,3/8"-24, GC

Nut NF HH C/L (3/8)

1шт.

19

H333419

PLATE ASSY.

Plate - Decal Mounting

1шт.

20

113-102

BOLT,Hex, 5/16" - 18 x 3/4", Gr 5

Hex, 5/16"-18 x 3/4", G5, Full Thd

2шт.

21

131-176

LOCK NUT,Prev Torque, Hex, 5/16" - 18, Gr A

Nut NC HH C/L (5/16)

2шт.

Выбрано товаров: 21