Запчасти Case 360 (9-022) - JACKSHAFT AND TRENCHER DRIVE CHAIN (09) - CHASSIS/ATTACHMENTS

Схема запчастей Case 360 - (9-022) - JACKSHAFT AND TRENCHER DRIVE CHAIN (09) - CHASSIS/ATTACHMENTS
23
9
13
17
19
4
21
25
9
3
8
5
8
11
30
9
10
31
6
28
12
32
7
11
10
14
5
14
6
11
20
9
1
22
9
16
3
18
4
2
29
13
9
11
29
30
8
15
24
20
7
2
12
26
28
8
33
27
FIT
1:1
100%

Артикул

Название

Примечание

Количество

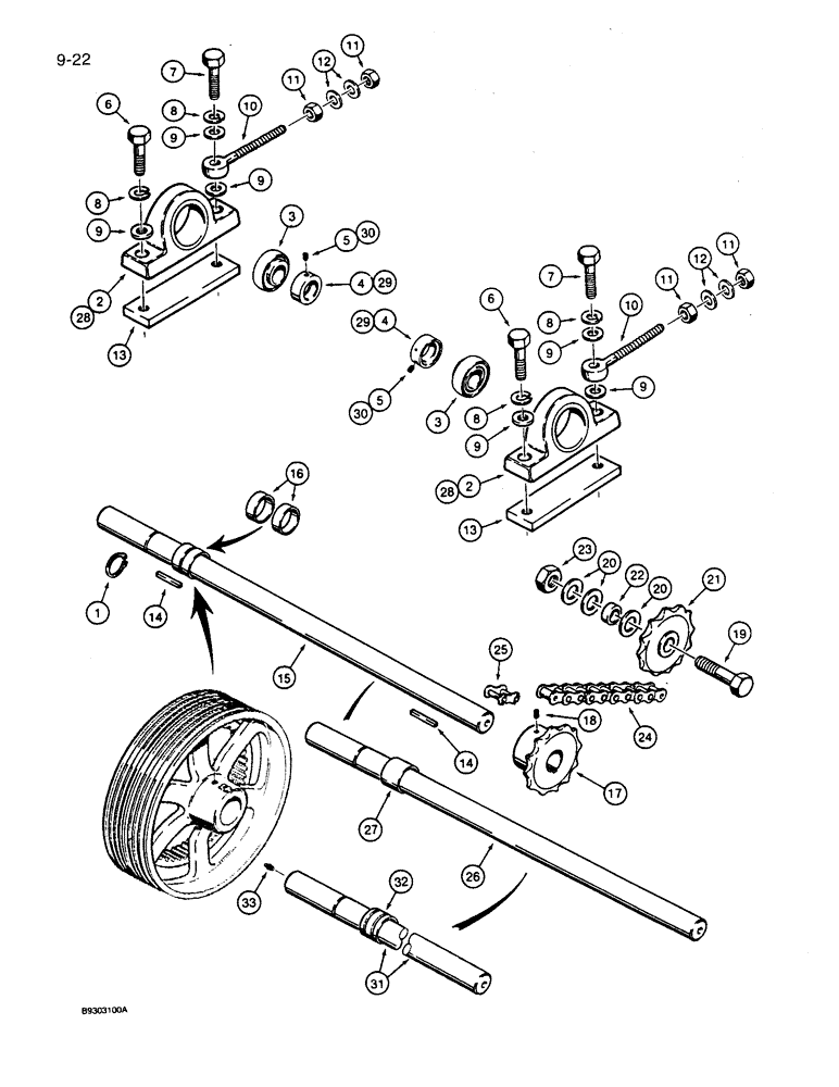
1

A7409

SNAP RING,#137, Ext

jackshaft #137, Ext

1шт.

H435441

BEARING

pillow block, jackshaft, no longer available, order H435941 bearing assembly for service, Incl. Ref. 2 - 4

1шт.

2

NSS

NOT SOLD SEPARAT

HOUSING - bearing

1шт.

3

H435887

BEARING CARRIER

RING - lock, pillow block, Incl. Ref. 4 and 5

1шт.

4

NSS

NOT SOLD SEPARAT

RING - lock, bearing

1шт.

5

NSS

NOT SOLD SEPARAT

SCREW - set, bearing

1шт.

6

413-836

BOLT,Hex, 1/2" - 13 x 2-1/4", Gr 5

2шт.

7

413-844

BOLT,Hex, 1/2" - 13 x 2-3/4", Gr 5

hex, 1/2 NC x 2-3/4 inch

2шт.

8

80679

LOCK WASHER,1/20.507 CST ZND

4шт.

9

H274894

WASHER

flat, 1/2 inch, special

4-6шт.

10

H170233

BOLT (SPREADER)

EYEBOLT - jackshaft adjusting

2шт.

11

425-118

NUT,1/2"-20, G5

4шт.

12

H274894

WASHER

flat, 1/2", special

4шт.

13

H167486

BAR

tapped

2шт.

14

H434608

KEY

8 mm x 8 mm x 46 mm long, jackshaft

2шт.

H670893

SHAFT

JACKSHAFT ASSEMBLY - trencher, no longer available, order H675073 jackshaft assembly for service, Incl. Ref. 15 and 16

1шт.

15

NSS

NOT SOLD SEPARAT

JACKSHAFT - trencher

1шт.

16

H756692

BEARING

jackshaft, pressed on, must be machined after installation

2шт.

17

H114256

DRIVE SPROCKET

drive, Incl. Ref. 18

1шт.

18

83-66

SET SCREW,Hex Soc, 3/8"-16 x 3/8"

set, hex socket, 3/8 NC x 3/8 inch, cup point

2шт.

19

413-1244

BOLT,Hex, 3/4" - 10 x 2-3/4", Gr 5

hex, 3/4 NC x 2-3/4 inch

1шт.

20

D34666

WASHER,33.34mm ID x 63.5mm OD x 2.38mm Thk

flat, 3/4", hardened, plated

1шт.

21

H747436

DRIVE SPROCKET

idler

1шт.

22

H142679

SPACER

idler sprocket

1шт.

23

232-41112

NUT,3/4"-10, GC

1шт.

24

H753319

CHAIN (AG)

drive, trencher, ASA No. 80, Incl. Ref. 25

1шт.

25

60961

DRAG LINK

chain connector

1шт.

H750562

CHAIN (AG)

offset link for #80 chain

1шт.

H673577

SHAFT

JACKSHAFT ASSEMBLY - trencher, no longer available, order H675073 jackshaft assembly for service, Incl. Ref. 26 and 27

1шт.

26

NSS

NOT SOLD SEPARAT

JACKSHAFT - trencher

1шт.

27

H436439

WASHER

BUSHING - jackshaft, pressed on, must be machined after installation

1шт.

H435941

BEARING CARRIER

pillow block, jackshaft, Incl. Ref. 28

2шт.

28

NSS

NOT SOLD SEPARAT

HOUSING - bearing

1шт.

H435975

BEARING CARRIER

RING - lock, pillow block, Incl. Ref. 29 and 30

1шт.

29

NSS

NOT SOLD SEPARAT

RING - lock, bearing

1шт.

30

NSS

NOT SOLD SEPARAT

SCREW - set, bearing

1шт.

H675073

SHAFT

JACKSHAFT ASSEMBLY - trencher, Incl. Ref. 31 and 32

1шт.

31

NSS

NOT SOLD SEPARAT

JACKSHAFT - trencher

1шт.

32

H439255

BEARING

BUSHING - jackshaft, pressed on, must be machined after installation

1шт.

33

219-1

LUBE NIPPLE,1/8" - 27 NPTF

1шт.

Выбрано товаров: 40