Запчасти Case 360 (9-062) - BACKHOE DIPPER AND BUCKET (09) - CHASSIS/ATTACHMENTS

Схема запчастей Case 360 - (9-062) - BACKHOE DIPPER AND BUCKET (09) - CHASSIS/ATTACHMENTS
4
19
20
1
10
12
23
15
3
7
11
10
9
8
21
9
7
2
16
14
17
22
5
13
18
1
6
FIT
1:1
100%

Артикул

Название

Примечание

Количество

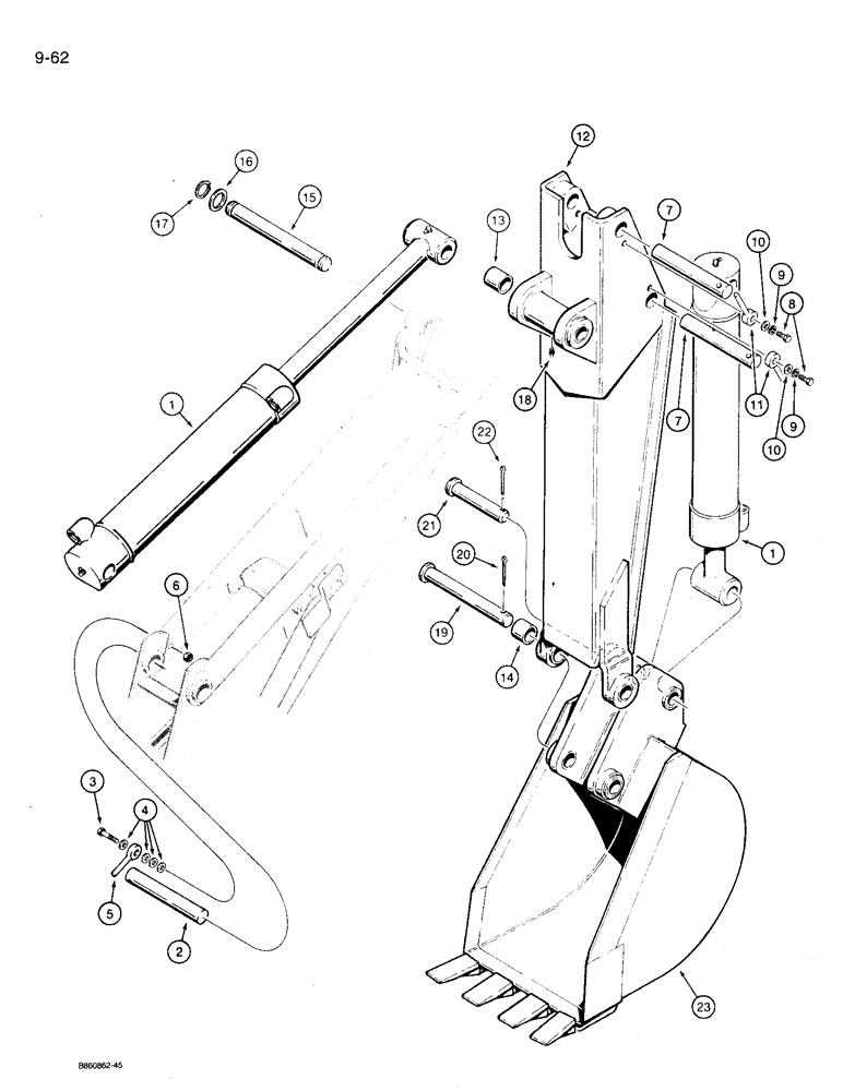
1

G100936

CYLINDER,Double Acting, 38.1mm Rod, 371.35mm Stroke

dipper and bucket, parts list Fig. 8-50

2шт.

2

H50690

AXLE PIN,28.57mm OD x 171.45mm L

dipper cylinder closed, Serial Range: end-boom

1шт.

3

413-620

BOLT,Hex, 3/8" - 16 x 1-1/4", Gr 5

1шт.

4

196-1

WASHER,13/32" x 13/16" x .089", HDN

flat, 13/32 x 13/16 x 3/32 inch, hardened

4шт.

5

H313981

PIN

retaining

1шт.

6

232-4116

NUT,3/8"-16, GC

1шт.

7

H50690

AXLE PIN,28.57mm OD x 171.45mm L

dipper cylinder rod end to dipper and bucket cylinder closed, Serial Range: end-dipper

2шт.

8

413-620

BOLT,Hex, 3/8" - 16 x 1-1/4", Gr 5

2шт.

9

492-11038

LOCK WASHER,3/8"

2шт.

10

196-1

WASHER,13/32" x 13/16" x .089", HDN

flat, 13/32 x 13/16 x 3/32 inch, hardened

2шт.

11

H313981

PIN

retaining

2шт.

12

H514687

BOOM

backhoe, Incl. Ref. 13 and 14

1шт.

13

H56192

BUSHING,28.91mm ID x 36.63mm OD x 44.45mm L

dipper pivot

2шт.

14

H56184

BUSHING,29.08mm ID x 44.5mm OD x 28.6mm L

bucket pivot

2шт.

15

H50658

PIVOT

, Serial Range: boom-dipper

1шт.

16

195-81016

WASHER,1.140" x 1 7/8" x .032"

3шт.

17

F62235

SNAP RING,#112, Ext

pin #112, Ext

2шт.

18

219-8

LUBE NIPPLE,1/4" - 28 NPTF

1шт.

19

H50682

PIN

bucket pivot, Serial Range: dipper-bucket

1шт.

20

432-2432

COTTER PIN,3/8" x 2"

Dipper to bucket pin

1шт.

21

H257048

PIN,28.5mm OD x 146.05mm L

bucket cylinder rod, Serial Range: end-bucket

1шт.

22

432-1628

COTTER PIN,1/4" x 1 3/4"

Bucket cylinder pin

1шт.

23

REF

INSTRUCTION

BUCKET - backhoe, for correct assembly and components, see Figs. 9-64 and 9-66

1шт.

Выбрано товаров: 23