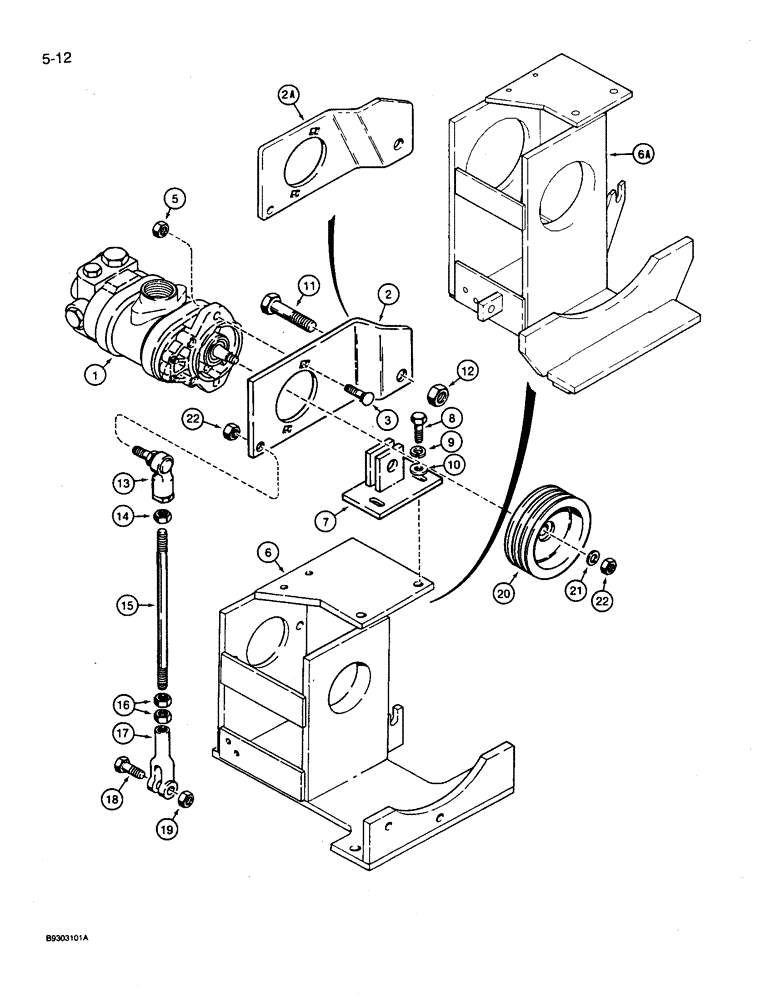
Запчасти Case 360 (5-12) - DUAL PUMP MOUNTING - DEUTZ DIESEL ENGINE MODELS (05) - STEERING

Схема запчастей Case 360 - (5-12) - DUAL PUMP MOUNTING - DEUTZ DIESEL ENGINE MODELS (05) - STEERING
19
21
3
5
2
9
15
22
13
20
8
6
18
7
6a
10
1
22
17
11
12
16
14
2a
FIT
1:1
100%

Артикул

Название

Примечание

Количество

1

H664938

O-RING

dual, steering and equipment hydraulic, parts list Fig. 5-20

1шт.

2

H435525

LARGE PLATE

PLATE, LARGE dual pump mounting, prior to P.I.N. JAF0104257

1шт.

2a

123339A1

PLATE

dual pump mounting, P.I.N. JAF0104257 and after

1шт.

3

433-624

CARRIAGE BOLT,Sq Nk, 3/8" - 16 x 1 1/2", Gr 5

2шт.

5

232-4116

NUT,3/8"-16, GC

2шт.

6

H673144

BRACKET

mounting, engine and ground drive pump, left-hand side, prior to P.I.N. JAF0104257, see Fig. 2-14 for bracket mounting hardware

1шт.

6a

120809A1

SUPPORT

mounting, engine and ground drive pump, left-hand side, P.I.N. JAF0104257 and after, see Fig. 2-15A for bracket mounting hardware

1шт.

7

H672832

BRACKET

pivot, dual pump mounting bracket

1шт.

8

413-820

BOLT,Hex, 1/2" - 13 x 1-1/4", Gr 5

2шт.

9

80679

LOCK WASHER,1/20.507 CST ZND

2шт.

10

H274894

WASHER

flat, 1/2 inch, special

2шт.

11

413-1232

BOLT,Hex, 3/4" - 10 x 2", Gr 5

1шт.

12

232-41112

NUT,3/4"-10, GC

1шт.

13

L44143

BALL JOINT

ball, 1/2 inch NF

1шт.

14

425-158

JAM NUT,Jam, 1/2"-20, G5

1шт.

15

H434888

THREADED ROD

drive belt adjusting

1шт.

16

425-158

JAM NUT,Jam, 1/2"-20, G5

2шт.

17

H310706

CLEVIS COUPLING

drive belt adjusting rod

1шт.

18

413-828

BOLT,Hex, 1/2" - 13 x 1-3/4", Gr 5

1шт.

19

232-4118

NUT,1/2"-13, GC

1шт.

20

H428995

SHEAVE

dual pump

1шт.

21

H274894

WASHER

flat, 1/2 inch, special

1шт.

22

230-4718

hex, self-locking, 1/2 inch NF

2шт.

REF 22 230-4718 ORDER 131-168 6/26 DB CAM

1шт.

Выбрано товаров: 24