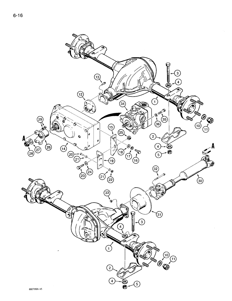
Запчасти Case 360 (6-16) - DRIVE LINE MOUNTING (06) - POWER TRAIN

Схема запчастей Case 360 - (6-16) - DRIVE LINE MOUNTING (06) - POWER TRAIN
4
10
21
1
24
31
12
3
25
16
36
19
28
1
11
32
3
17
18
23
5
20
2
21
10
27
35
11
34
4
30
14
22
26
4
5
29
2
13
4
33
15
FIT
1:1
100%

Артикул

Название

Примечание

Количество

1

H670638

AXLE HOUSING

AXLE ASSEMBLY - front and rear, parts list Fig. 6-22

2шт.

2

H256719

SPRING SEAT

BRACKET - axle mounting

4шт.

3

326-1088

BOLT,Hex, 5/8" - 11 x 5-1/2", Gr 8

8шт.

4

T53567

BEARING WASHER,16.66mm ID x 33.33mm OD x 3.43mm Thk

flat, 5/8 inch, hardened

16шт.

5

131-1219

LOCK NUT,5/8"-11, GC

8шт.

10

495-11066

WASHER,5/8", SAE

flat, 21/32 x 1-5/16 x 3/32 inch, if used

20шт.

11

N4221

WHEEL NUT

special, wheel

20шт.

REF; 11A 131-918 FLANGE NUT 1/2" X 20 PER H93VA41

1шт.

12

H415497

SHIN

FLANGE - companion, front, Serial Range: axle-transmission

1шт.

13

166-543

12 PT SCREW,Flg, 3/8" - 24 x 3/4", Gr 8

12 point, 3/8 NF x 3/4 inch, grade 8

4шт.

14

H672754

GEARBOX ASSY

TRANSMISSION ASSEMBLY - ground drive, parts list Fig. 20

1шт.

15

H433260

BRACKET

transmission mounting, front

1шт.

16

413-816

BOLT,Hex, 1/2" - 13 x 1", Gr 5

2шт.

17

80679

LOCK WASHER,1/20.507 CST ZND

2шт.

18

H274894

WASHER

flat, 1/2 inch, special

2шт.

19

H428979

ANGLE

transmission mounting, rear

1шт.

20

413-620

BOLT,Hex, 3/8" - 16 x 1-1/4", Gr 5

2шт.

21

196-1

WASHER,13/32" x 13/16" x .089", HDN

flat, 13/32 x 13/16 x 3/32 inch, hardened

4шт.

22

232-4116

NUT,3/8"-16, GC

2шт.

23

413-820

BOLT,Hex, 1/2" - 13 x 1-1/4", Gr 5

1шт.

24

H274894

WASHER

flat, 1/2 inch, special

1шт.

25

232-4118

NUT,1/2"-13, GC

1шт.

26

H208488

YOKE

UNIVERSAL JOINT YOKE transmission to drive shaft

1шт.

27

H224501

WASHER

flat, 7/8 inch, special, included with transmission assembly

1шт.

28

131-465

LOCK NUT,7/8"-14, G8

light hex, self-locking, 7/8 inch NF, included with transmission assembly

1шт.

29

H183566

BOLT

special, includes hardware

2шт.

30

H672125

SHAFT

drive, transmission to rear axle, parts list Fig 6-26

1шт.

31

H672613

BRAKE DISC

DISC, BRAKE brake

1шт.

32

413-660

BOLT,Hex, 3/8" - 16 x 3-3/4", Gr 5

hex, 3/8 NC x 3-3/4 inch

4шт.

33

232-4116

NUT,3/8"-16, GC

4шт.

34

REF

INSTRUCTION

MOTOR ASSEMBLY - ground drive, for correct assembly and components, see Figs, 6-15A or 6-15C

1шт.

35

413-824

BOLT,Hex, 1/2" - 13 x 1-1/2", Gr 5

2шт.

36

80679

LOCK WASHER,1/20.507 CST ZND

2шт.

Выбрано товаров: 33