Запчасти Case 360 (6-20) - TRANSMISSION - H672754 (06) - POWER TRAIN

Схема запчастей Case 360 - (6-20) - TRANSMISSION - H672754 (06) - POWER TRAIN
13
18
8
6
18
3
9
17
8
8
4
21
1
14
13
12
3
15
20
16
7
5
11
7
13
7
19
10
8
13
13
2
FIT
1:1
100%

Артикул

Название

Примечание

Количество

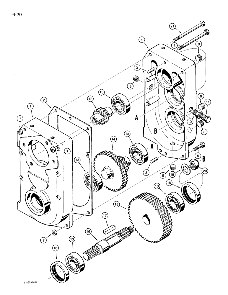
H672754

GEARBOX ASSY

TRANSMISSION ASSEMBLY - ground drive, Incl. Ref. 1 - 21

1шт.

1

H412866

CASE

transmission, rear

1шт.

2

H413153

GASKET

housing

1шт.

3

H755272

DOWEL

3/8 x 1 inch long

2шт.

4

H412858

CASE

transmission, front

1шт.

5

413-624

BOLT,Hex, 3/8" - 16 x 1-1/2", Gr 5

2шт.

6

413-692

BOLT,Hex, 3/8" - 16 x 5-3/4", Gr 5

hex, 3/8 NC x 5-3/4 inch

2шт.

7

232-4116

NUT,3/8"-16, GC

8шт.

8

221-844

PLUG,Hex Soc, 1/2"-14

4шт.

9

221-843

PLUG,Hex Soc, 3/8"-18

1шт.

10

221-87

REDUCER,1/2" NPT x 1/8" NPT

pipe, 1/2 male x 1/8 inch female

1шт.

11

R11152

FITTING

BREATHER - housing

1шт.

12

H253112

GEAR

AND SHAFT - input

1шт.

13

A26581

BALL BEARING,1.378" ID x 2.8346" OD x 0.6693"

Ball, shafts

5шт.

14

H253153

GEAR

AND SHAFT - cluster, intermediate

1шт.

15

H253146

GEAR

output reduction

1шт.

16

H253138

SHAFT

output

1шт.

17

H70045

KEY

square, 3/8 x 1-3/4 inch long

1шт.

18

H754226

OIL SEAL

output shaft

2шт.

19

H224501

WASHER

flat, 7/8 inch, special

1шт.

20

131-465

LOCK NUT,7/8"-14, G8

light hex, self-locking, 7/8 inch NF

1шт.

21

413-684

BOLT,Hex, 3/8" - 16 x 5-1/4", Gr 5

hex, 3/8 NC x 5-1/4 inch

4шт.

Выбрано товаров: 22