Запчасти Case 360 (8-04) - BASIC HYDRAULIC CIRCUIT (08) - HYDRAULICS

Схема запчастей Case 360 - (8-04) - BASIC HYDRAULIC CIRCUIT (08) - HYDRAULICS
6
22
38
15
33
18
15
12
28
14
1
23
27
41
7
36
26
30
34
26
20
32
9
21
35
31
17
39
5
34
29
37
25
10
23
34
24
2
5
11
8
13
40
16
32
4
19
3
FIT
1:1
100%

Артикул

Название

Примечание

Количество

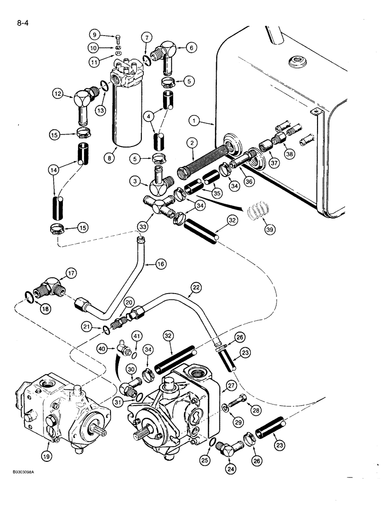
1

H670836

TANK

RESERVOIR - hydraulic oil, mounting shown on Fig. 8-2

1шт.

2

H151399

FILTER STRAINER

suction filter

1шт.

3

217-330

FITTING,90 Degree Elbow, 3/4" Hose Barb x 1" Male NPTF

90 degree, 3/4 stem end x 1 inch PT

1шт.

4

H316331

HOSE

3/4 (19) ID x 33 inch (838 mm) long, reservoir to suction filter, cut from H379214 bulk hose, see below

1шт.

5

214-254

HOSE CLAMP,#12, 0.69" - 1.25", Type F Worm

adj, 11/16 - 1-1/4 inch dia

2шт.

6

217-351

FITTING,90 Degree Elbow, 3/4" Hose Barb x 1-1/16" - 12 Male ORB

Incl. Ref. 7

1шт.

7

237-6012

O-RING,0.116" Thk x 0.924" ID, -912, Cl 6, 90 Duro

1шт.

8

H672690

FILTER ASSY

suction, hydraulic oil, parts list Fig. 8-72

1шт.

9

413-612

BOLT,Hex, 3/8" - 16 x 3/4", Gr 5

2шт.

10

492-11038

LOCK WASHER,3/8"

2шт.

11

196-1

WASHER,13/32" x 13/16" x .089", HDN

flat, 13/32 x 13/16 x 3/32 inch, hardened

2шт.

12

217-351

FITTING,90 Degree Elbow, 3/4" Hose Barb x 1-1/16" - 12 Male ORB

Incl. Ref. 13

1шт.

13

237-6012

O-RING,0.116" Thk x 0.924" ID, -912, Cl 6, 90 Duro

1шт.

14

H307918

HOSE ASSY.

3/4 (19) ID x 12 inch (305 mm) long, suction filter to ground drive pump supply tube, cut from H379214 bulk hose, see below

1шт.

15

214-254

HOSE CLAMP,#12, 0.69" - 1.25", Type F Worm

adj, 11/16 - 1-1/4 inch dia.

2шт.

16

H672289

TUBE ASSY.,19 mm OD

ground drive pump supply

1шт.

17

218-5118

ELBOW,90 Degree Elbow, 1-1/16" - 12 Male JIC x 1-5/16" - 12 Male ORB

Adj. O-Ring, Incl. Ref. 18

1шт.

18

237-6016

O-RING,0.116" Thk x 1.171" ID, -916, Cl 6, 90 Duro

1шт.

19

REF

INSTRUCTION

PUMP ASSEMBLY - ground drive, for correct assembly and components, see Figs. 6-10 and 6-13A

1шт.

Part illustrated may not be true representation of your pump or motor assembly. See pages referred to in parts description for identification and illustration of your pump or motor assembly.

1шт.

20

218-5064

HYD CONNECTOR,1-1/16" - 12 Male JIC x 1-1/16" - 12 Male ORB

Straight, O-Ring boss, Incl. Ref. 21

1шт.

21

237-6012

O-RING,0.116" Thk x 0.924" ID, -912, Cl 6, 90 Duro

1шт.

22

H672334

TUBE,19 mm OD

ground drive pump to ground drive motor supply hose

1шт.

23

H317271

HOSE

3/4 (19) ID x 30 inch (762 mm) long, ground drive pump to ground drive motor, cut from H379214 bulk hose, see below

1шт.

24

217-364

FITTING,90 Degree Elbow, 3/4" Hose Barb x 3/4" - 16 Male ORB

90 deg, 3/4 stem end x 3/4-16 inch adj. O-ring boss, Incl. Ref. 25

1шт.

25

237-6008

O-RING,0.087" Thk x 0.644" ID, -908, Cl 6, 90 Duro

1шт.

26

214-254

HOSE CLAMP,#12, 0.69" - 1.25", Type F Worm

adj, 11/16 - 1-1/4 inch dia

2шт.

27

REF

INSTRUCTION

MOTOR ASSEMBLY - ground drive, for correct assembly and components, see Figs. 6-15A and 6-15C

1шт.

Part illustrated may not be true representation of your pump or motor assembly. See pages referred to in parts description for identification and illustration of your pump or motor assembly.

1шт.

28

413-820

BOLT,Hex, 1/2" - 13 x 1-1/4", Gr 5

2шт.

29

80679

LOCK WASHER,1/20.507 CST ZND

2шт.

H379214

HYDRAULIC HOSE,19.00 mm ID x 5588.00 mm Bulk, SAE 30R2

1шт.

30

217-364

FITTING,90 Degree Elbow, 3/4" Hose Barb x 3/4" - 16 Male ORB

90 deg, 3/4 stem end x 3/4-16 inch adj. O-ring boss, prior to P.I.N. JAF0104134, Incl. Ref. 31

1шт.

31

237-6008

O-RING,0.087" Thk x 0.644" ID, -908, Cl 6, 90 Duro

1шт.

32

H307900

HOSE ASSY.

SPARE PART 3/4 (19) ID x 6 inch (152 mm) long, ground drive motor to tee, cut from H379214 bulk hose, see below

1шт.

33

H377408

TEE

special, connection to oil cooler circuit

1шт.

34

214-254

HOSE CLAMP,#12, 0.69" - 1.25", Type F Worm

adj, 11/16 - 1-1/4 inch dia.

4шт.

35

H355180

HOSE,10.00", SAE 30R2

Tee to Reservoir, Cut from H379214 Bulk Hose, See Below

1шт.

36

217-155

FITTING,3/4" Hose Barb x 3/4" Male NPTF

stem, straight, 3/4 inch hose ID x PT

1шт.

37

221-339

COUPLING,Pipe, 3/4" NPT

pipe, 3/4 inch

1шт.

38

H627513

VALVE

check, hydraulic oil return

1шт.

39

H315986

SPRING

hose

1шт.

40

217-315

FITTING,45 Degree Elbow, 3/4" Hose Barb x 1-1/16" - 12 Male ORB

45 deg, 3/4 stem end x 1-1/16-12 inch adj O-ring, P.I.N. JAF0104134 and after, Incl. Ref. 41

1шт.

41

237-6012

O-RING,0.116" Thk x 0.924" ID, -912, Cl 6, 90 Duro

1шт.

H379214

HYDRAULIC HOSE,19.00 mm ID x 5588.00 mm Bulk, SAE 30R2

1шт.

Выбрано товаров: 45