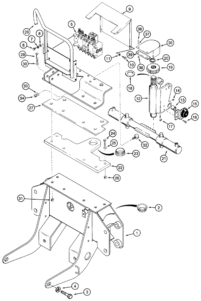
Запчасти Case 460 (9-20) - BACKHOE FRAME, VALVE COVER, AND SWING TOWER, D100 BACKHOE (09) - CHASSIS/ATTACHMENTS

Схема запчастей Case 460 - (9-20) - BACKHOE FRAME, VALVE COVER, AND SWING TOWER, D100 BACKHOE (09) - CHASSIS/ATTACHMENTS
24
17
33
6
1
36
32
31
25
3
27
22
26
14
20
35
8
29
15
11
21
34
9
38
23
16
4
30
10
2
12
5
37
7
13
28
39
19
18
FIT
1:1
100%

Артикул

Название

Примечание

Количество

116156A1

CHASSIS

FRAME ASSEMBLY - backhoe attachment

1шт.

1

NSS

NOT SOLD SEPARAT

FRAME - backhoe attachment

1шт.

2

H434397

BUSHING,70.04mm ID x 89mm OD x 32mm L

- backhoe frame, includes: Refs. 1 and 2

1шт.

3

413-2048

BOLT,Hex, 1-1/4" - 7 x 3", Gr 5

- hex, 1-1/4 NC x 3 inch

4шт.

4

D43536

WASHER

- flat, special, 1-1/4 inch, hardened

4шт.

5

H674300

VALVE

ASSEMBLY - control, backhoe, parts list figures 8-56 - 8-64

1шт.

6

414-512

BOLT,Hex, 5/16" - 24 x 3/4", Gr 5

3шт.

7

492-11031

LOCK WASHER,5/16"

WASHER, LOCK, 5/16"

3шт.

8

496-11034

WASHER,11/32" x 11/16" x 1/16", HDN

- flat, 11/32 x 11/16 x 1/16 inch, hardened

3шт.

9

117523A1

COVER

CONSOLE - valve

1шт.

10

413-516

BOLT,Hex, 5/16" - 18 x 1", Gr 5

- hex, 5/16 NC x 1 inch

4шт.

11

496-11034

WASHER,11/32" x 11/16" x 1/16", HDN

- flat, 11/32 x 11/16 x 1/16 inch, hardened

4шт.

H672641

POST

TOWER ASSEMBLY - swing, backhoe, includes: Refs. 12 and 13

1шт.

12

NSS

NOT SOLD SEPARAT

TOWER - swing

1шт.

13

H56192

BUSHING,28.91mm ID x 36.63mm OD x 44.45mm L

- swing tower

2шт.

14

219-8

LUBE NIPPLE,1/4" - 28 NPTF

NIPPLE, LUBE, , straight, taper 1/4"-28 NPT x .54" lg

3шт.

15

H625756

BRACKET

BUMPER - rubber, pin retainer and swing cushion

2шт.

16

413-824

BOLT,Hex, 1/2" - 13 x 1-1/2", Gr 5

4шт.

17

230-4218

LOCK NUT,1/2"-13, GA

NUT - hex, self-locking, 1/2 inch NC

4шт.

18

H434429

BLOCK

SHIM - swing gear

1шт.

19

H434489

PINION

GEAR - swing

1шт.

20

L59033

SNAP RING,#212, Ext

Ring, Snap, , swing gear #212, Ext

2шт.

21

H514125

CYLINDER ASSY.

CYLINDER ASSEMBLY - 70 (2-3/4) ID x 203 mm (8 inch) stroke, swing, parts list figure 8-66

1шт.

22

H672652

PLATE

ASSEMBLY - bushing mounting, includes: Ref. 23

1шт.

23

H434397

BUSHING,70.04mm ID x 89mm OD x 32mm L

- mounting plate

1шт.

24

413-1240

BOLT,Hex, 3/4" - 10 x 2-1/2", Gr 5

Hex, 3/4"-10 x 2-1/2", G5

2шт.

25

D34666

WASHER,33.34mm ID x 63.5mm OD x 2.38mm Thk

- flat, special, 3/4 inch

2шт.

26

232-41112

NUT,3/4"-10, GC

NUT, LOCK, 3/4"-10, GC

2шт.

27

H434386

LARGE PLATE

PLATE - lower, cylinder mounting bracket

1шт.

28

116162A1

ANGLE

- swing cylinder mounting

1шт.

29

413-1260

BOLT,Hex, 3/4" - 10 x 3-3/4", Gr 5

- hex, 3/4 NC x 3-3/4 inch

4шт.

30

D34666

WASHER,33.34mm ID x 63.5mm OD x 2.38mm Thk

- flat, special, 3/4 inch

4шт.

31

232-41112

NUT,3/4"-10, GC

NUT, LOCK, 3/4"-10, GC

4шт.

32

H434525

GUIDE

- rack, swing, Serial Range: cylinder-bracket

1шт.

33

495-11066

WASHER,5/8", SAE

- flat, 21/32 x 1-5/16 x 3/32 inch

1шт.

34

230-47110

LOCK NUT,5/8"-18, GB

NUT, LOCK, 5/8"-18, GB

1шт.

35

H672647

COVER

- swing gear

1шт.

36

413-524

BOLT,Hex, 5/16" - 18 x 1-1/2", Gr 5

- hex, 5/16 NC x 1-1/2 inch

2шт.

37

496-11034

WASHER,11/32" x 11/16" x 1/16", HDN

- flat, 11/32 x 11/16 x 1/16 inch, hardened

2шт.

38

230-4215

NUT,5/16"-18, GA

NUT - hex, self-locking, 5/16 inch NC

2шт.

39

139121A1

SPACER

BAR - spacer, cover

1шт.

Выбрано товаров: 41