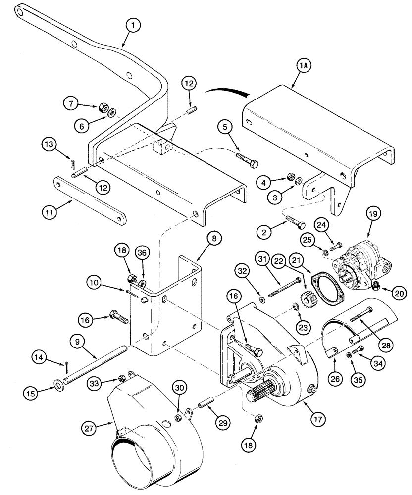
Запчасти Case 460 (9-78) - HYDRA-BORER AND GEARBOX MOUNTING (09) - CHASSIS/ATTACHMENTS

Схема запчастей Case 460 - (9-78) - HYDRA-BORER AND GEARBOX MOUNTING (09) - CHASSIS/ATTACHMENTS
36
34
16
18
1a
14
32
5
2
15
28
18
27
23
6
16
35
12
31
30
25
33
20
10
29
9
7
8
4
24
13
12
1
3
26
17
19
21
22
11
FIT
1:1
100%

Артикул

Название

Примечание

Количество

1

117597A1

FRAME

- Hydra-Borer, used on models without offset trencher

1шт.

1a

138645A1

ANCHOR

FRAME - Hydra-Borer, used on models with offset trencher

1шт.

2

413-832

BOLT,Hex, 1/2" - 13 x 2", Gr 5

Used on models with offset trencher Hex, 1/2"-13 x 2", G5

3шт.

3

496-21053

WASHER,17/32" x 1 1/16" x .134"

- flat, 17/32 x 1-1/16 x 1/8 inch, hardened, Used on models with offset trencher

3шт.

4

232-4118

NUT,1/2"-13, GC

NUT, LOCK, , Used on models with offset trencher 1/2"-13, GC

3шт.

5

413-1256

BOLT,Hex, 3/4" - 10 x 3-1/2", Gr 5

Used with 117597A1 frame Hex, 3/4"-10 x 3 1/2", G5

3шт.

6

D34666

WASHER,33.34mm ID x 63.5mm OD x 2.38mm Thk

- flat, special, 3/4 inch, hardened, used with 117597A1 frame

6шт.

7

232-41112

NUT,3/4"-10, GC

NUT, LOCK, , Used with 117597A1 frame 3/4"-10, GC

1шт.

8

H672537

MOUNTING PARTS

BRACKET - Hydra-Borer gearbox mounting

1шт.

9

H434278

SHAFT

- pivot

1шт.

10

432-1624

COTTER PIN,1/4" x 1 1/2"

Pin, Split (Cotter), 1/4" x 1-1/2"

2шт.

11

H434194

LINK

- support, mounting bracket

2шт.

12

H175414

PIN

- locking

1шт.

13

S120261

PIN

- hair, locking pin retaining

2шт.

14

432-816

COTTER PIN,1/8" x 1"

1/8" x 1"

2шт.

15

495-11081

WASHER,3/4", SAE

2шт.

16

413-832

BOLT,Hex, 1/2" - 13 x 2", Gr 5

4шт.

17

H666875

GEARBOX ASSY

GEARBOX ASSEMBLY - Hydra-Borer, parts list figure 9-80

1шт.

18

232-41112

NUT,3/4"-10, GC

NUT, LOCK, 3/4"-10, GC

4шт.

19

H654814

MOTOR

ASSEMBLY - hydraulic, Hydra-Borer, new, parts list figure 8-108

1шт.

20

221-84

REDUCER,Hex, 1/4" x 1/8" NPT

- pipe, 1/4 male x 1/8 inch female

1шт.

21

A58617

GASKET

- cover plate, motor

1шт.

22

H426023

SPUR

GEAR - input pinion

1шт.

23

100-1168

SNAP RING,#68, Ext

Ring, Snap, #68, Ext

2шт.

24

413-720

BOLT,Hex, 7/16" - 14 x 1-1/4", Gr 5

- hex, 7/16 NC x 1-1/4 inch

2шт.

25

492-11044

LOCK WASHER,7/16"

WASHER, LOCK, 7/16"

2шт.

26

H645838

SHIELD

- Hydra-Borer shaft

1шт.

27

H645788

GUARD

- Hydra-Borer

1шт.

28

413-544

BOLT,Hex, 5/16" - 18 x 2-3/4", Gr 5

- hex, 5/16 NC x 2-3/4 inch

1шт.

29

H217174

SPACER

-, Serial Range: gearbox-guard

1шт.

30

230-4215

NUT,5/16"-18, GA

NUT - hex, self-locking, 5/16 inch NC

1шт.

31

413-672

BOLT,Hex, 3/8" - 16 x 4-1/2", Gr 5

- hex, 3/8 NC x 4-1/2 inch

1шт.

32

495-11041

WASHER,0.406" ID x 0.812" OD x 0.065" W

(Flat, 13/32 x 13/16 x 1/16") 3/8", SAE

1шт.

33

230-4216

LOCK NUT,3/8"-16, GA

NUT - hex, self-locking, 3/8 inch NC

1шт.

34

413-616

BOLT,Hex, 3/8" - 16 x 1", Gr 5

- hex, 3/8 NC x 1 inch, Included with H666875 gearbox

2шт.

35

492-11038

LOCK WASHER,3/8"

included with H666875 gearbox 3/8"

2шт.

36

H274894

WASHER

- flat, special

2шт.

Выбрано товаров: 0