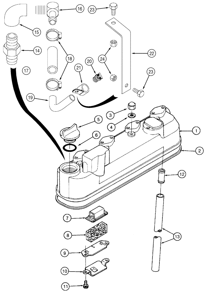
Запчасти Case 460 (2-20) - CYLINDER HEAD COVER, KUBOTA V1505-B ENGINE (02) - ENGINE

Схема запчастей Case 460 - (2-20) - CYLINDER HEAD COVER, KUBOTA V1505-B ENGINE (02) - ENGINE
7
11
21
2
13
14
6
24
16
10
18
20
17
22
3
23
19
15
12
5
9
1
4
23
8
FIT
1:1
100%

Артикул

Название

Примечание

Количество

1

125302A1

COVER

- cylinder head

1шт.

2

125303A1

GASKET

- cylinder head cover

1шт.

3

125311A1

NUT

- cap

4шт.

4

1959234C1

WASHER

GASKET - 7.3 x 12 x 15 mm

4шт.

5

125312A1

PLUG

CAP - oil filler, if used, see Refs. 14 through 24

1шт.

6

1959239C1

O-RING

- special

1шт.

7

125308A1

IDENTITY PLATE

PLATE - breather element, upper

1шт.

8

125309A1

ELEVATOR

ELEMENT - breather

1шт.

9

125305A1

IDENTITY PLATE

PLATE - breather element, lower

1шт.

10

125310A1

COVER PLATE

SHIELD - breather

1шт.

11

1959249C1

SCREW

- special, with washer, breather

2шт.

12

125304A1

HYD CONNECTOR

CONNECTOR - cylinder head cover to breather tube

1шт.

13

125313A1

RIGID TUBE

TUBE - breather

1шт.

14

217-1074

HYD CONNECTOR,1" - 11-1/2 NPTF

NIPPLE - hex, 1 PT x 2-11/32 inch, oil filler extension parts

1шт.

15

221-1379

ELBOW

- pipe, 90 degree, 1 inch, oil filler extension parts

1шт.

16

217-166

STEM,90 Degree Elbow, 1-1/4" Hose Barb x 1" Male NPTF

- 90 degree, 1-1/4 stem end x 1 inch PT, oil filler extension parts

1шт.

17

135922A1

HOSE,31.75 mm ID x 110.00, SAE 100R3

- 110 mm (4-5/16 inch) long, oil filler extension parts

1шт.

18

214-1420

HOSE CLAMP,#20, 0.81" - 1.75", Type F Worm

CLAMP, HOSE, , Adj., Oil filler extension parts #20, 0.81/1.75 Type F Worm

2шт.

19

141079A1

TUBE,32 mm OD, 132, 85 mm Length

- extension, oil filler, parts

1шт.

20

831821C1

PLUG

CAP - fill, engine oil, extension parts

1шт.

21

135934A1

CLAMP

- P-type, special, oil filler extension parts

1шт.

22

141082A1

BRACKET

- mounting, oil fill tube, extension parts

1шт.

23

413-616

BOLT,Hex, 3/8" - 16 x 1", Gr 5

- hex, 3/8 NC x 1 inch, Oil filler extension parts

2шт.

24

231-5146

FLANGE NUT,3/8"-16

Oil filler extension parts Flg, USR, 3/8"-16

2шт.

Выбрано товаров: 24