Запчасти Case 460 (4-02) - ALTERNATOR MOUNTING, KUBOTA V1505-B ENGINE (04) - ELECTRICAL SYSTEMS

Схема запчастей Case 460 - (4-02) - ALTERNATOR MOUNTING, KUBOTA V1505-B ENGINE (04) - ELECTRICAL SYSTEMS
8
1
9
6
4
3
2
7
FIT
1:1
100%

Артикул

Название

Примечание

Количество

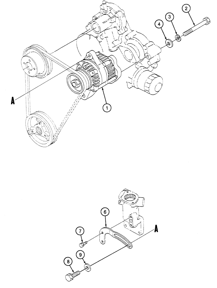
1

125564A1

ALTERNATOR

ALTERNATOR ASSEMBLY - engine, parts list figure 4-6

1шт.

125564A1R

REMAN-ALTERNATOR

Remanufactured ALTERNATOR, 12 volt 30 ampere, N.A. Only

1шт.

125564A1C

CORE-ALTERNATOR

Return Number, N.A. Only

1шт.

2

126139A1

BOLT,Hex

BOLT - hex, special

1шт.

3

202508A1

SCREW

WASHER - spring, special

1шт.

4

126140A1

WASHER

WASHER - flat

1шт.

6

125565A1

BELT TENSIONER

BRACE - alternator

1шт.

7

1959319C1

BOLT

BOLT - hex, special

1шт.

8

126393A1

CAPTIVE WASHER SCREW

BOLT - hex, with lockwasher

1шт.

9

126142A1

WASHER

WASHER - flat

1шт.

Выбрано товаров: 10