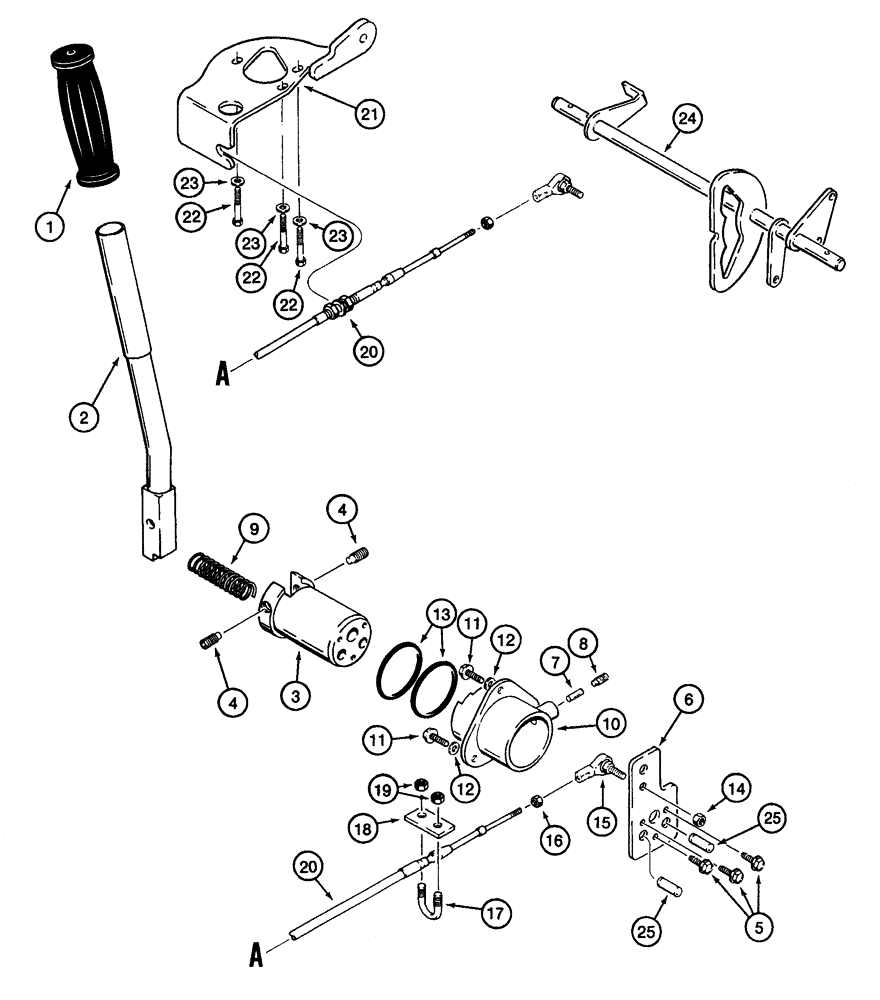
Запчасти Case 460 (6-02) - GROUND DRIVE CONTROLS, HAND CONTROL LEVER TO GROUND DRIVE CONTROL SHAFT (06) - POWER TRAIN

Схема запчастей Case 460 - (6-02) - GROUND DRIVE CONTROLS, HAND CONTROL LEVER TO GROUND DRIVE CONTROL SHAFT (06) - POWER TRAIN
6
4
8
25
25
14
7
16
15
9
3
20
21
22
17
23
24
19
23
11
22
5
10
12
12
20
13
1
23
4
18
11
22
2
FIT
1:1
100%

Артикул

Название

Примечание

Количество

1

D128268

HANDLE

GRIP - control lever, black

1шт.

2

H674568

HANDLE

LEVER - ground drive control

1шт.

3

136779A1

SHAFT

- control pivot

1шт.

4

H438152

SET SCREW

SCREW - set, special

2шт.

5

H438153

SCREW,Hex Washer, #10 - 24 x 1/2"

- hex washer head, No. 10 NC x 1/2 inch

3шт.

6

133602A1

LARGE PLATE

PLATE - cable drive

1шт.

7

H438119

PAD

PLUG - friction, control handle mount

1шт.

8

H438151

SET SCREW

SCREW - set, special

1шт.

9

H438122

SPRING

- locking

1шт.

10

H674569

ANCHOR

MOUNT - control handle

1шт.

11

H438153

SCREW,Hex Washer, #10 - 24 x 1/2"

- hex washer head, No. 10 NC x 1/2 inch

3шт.

12

495-31022

WASHER,#10

3шт.

13

S5625

O-RING,1.864" ID x 2.004" OD x 0.07"

- control handle mount

2шт.

14

230-4715

LOCK NUT,5/16"-24, GA

NUT - hex, self-locking, 5/16 inch NF

1шт.

15

H289652

BALL JOINT,5/16" - 24 x 1-3/8" L

JOINT - ball, female, 5/16 inch NF, cable end

1шт.

16

425-155

JAM NUT,Jam, 5/16"-24, G5

- hex, jam, 5/16 inch NF

1шт.

17

H166421

HARDWARE

U-BOLT - 1/4 inch NC, cable retaining

1шт.

18

H373779

LARGE PLATE

SPACER - cable

1шт.

19

232-4114

LOCK NUT,1/4"-20, GC

NUT, LOCK, 1/4"-20, GC

2шт.

20

123631A1

CABLE

- ground drive control

1шт.

21

131919A1

BRACKET

- cable mounting

1шт.

22

614-8025

BOLT,Hex, M8 x 1.25 x 25mm, Cl 8.8, Full Thd

- hex, full threads, 8 - 1.25 x 25 mm

3шт.

23

496-11034

WASHER,11/32" x 11/16" x 1/16", HDN

- flat, 11/32 x 11/16 x 1/16 inch, hardened

3шт.

24

121438A1

SHAFT

- control, ground drive

1шт.

25

37-1610

PIN,3/8" x 5/8"

- dowel, 3/8 x 5/8 inch, hardened

2шт.

Выбрано товаров: 25