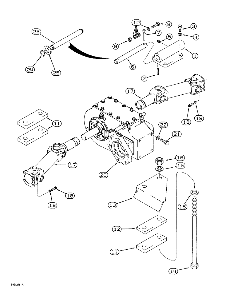
Запчасти Case 560 (6-30) - DRIVE LINE MOUNTING, WITH PIVOT MOUNTED ON FRONT AXLE HOUSING (06) - POWER TRAIN

Схема запчастей Case 560 - (6-30) - DRIVE LINE MOUNTING, WITH PIVOT MOUNTED ON FRONT AXLE HOUSING (06) - POWER TRAIN
21
1
10
24
14
13
17
4
15
19
11
15
9
18
11
22
3
19
16
17
5
7
18
25
8
12
6
2
23
20
FIT
1:1
100%

Артикул

Название

Примечание

Количество

H675111

CENTER AXLE

AXLE ASSEMBLY - front and rear, not shown, parts list Figures 6-40 - 6-52, used with Ref. 1, pivot, mounted on front axle housing and Ref. 17, 104099A1, drive shafts

2шт.

1

104169A1

PIVOT

- front axle

1шт.

2

837-12036

DOWEL,12mm OD x 36mm L

PIN - dowel, 12 x 36 mm, hardened

2шт.

3

628-16040

BOLT,Hex, M16 x 2 x 40mm, Cl 10.9, Full Thd

4шт.

4

T53567

BEARING WASHER,16.66mm ID x 33.33mm OD x 3.43mm Thk

WASHER - flat, special, hardened

4шт.

5

219-1

LUBE NIPPLE,1/8" - 27 NPTF

FITTING - grease, straight, 1/8 PT x 21/32 inch

1шт.

6

130185A1

PIN

- pivot, front axle, no longer available, order Ref. 23, 132235A1, pin, (2) Ref. 24, D26918, snap rings, and (4) Ref. 25, 495-81203, washers

1шт.

7

H313981

PIN

- retaining, used with Ref. 6, 130185A1, pin

1шт.

8

413-632

BOLT,Hex, 3/8" - 16 x 2", Gr 5

- hex, 3/8 NC x 2 inch, Used with Ref. 6, 130185A1, Pin

1шт.

9

232-4116

NUT,3/8"-16, GC

NUT, LOCK, , Used with Ref. 6, 130185A1, pin 3/8"-16, GC

1шт.

10

496-21041

WASHER,13/32" x 13/16" x .089", HDN

- flat, 13/32 x 13/16 x 3/32", hardened, Used with Ref. 6, 130185A1, pin

5шт.

11

104170A1

BAR

- clamping, rear axle

3шт.

12

117969A1

BAR

- clamping, rear axle, upper right-hand

1шт.

13

117970A1

GUARD

- steering indicator, rear

1шт.

14

413-16168

BOLT,Hex, 1" - 8 x 10-1/2", Gr 5

- hex, 1 NC x 10-1/2 inch

4шт.

15

D36505

WASHER,26.99mm ID x 47.63mm OD x 2.38mm Thk

- flat, special, 1-1/16 x 1-7/8 x 9/64 inch

8шт.

16

232-41116

LOCK NUT,1"-8, GC

NUT, LOCK, 1"-8, GC

4шт.

17

104099A1

SHAFT

ASSEMBLY - drive, front and rear, parts list Figure 6-38, no longer available, see Figure 6-38 for service when replacing complete drive shaft

2шт.

18

864-10030

HEX SOC SCREW,M10 x 30mm, Cl 8.8

SCREW, , 104099A1, Shaft Hex Soc Hd, M10 x 30, 8.8

8шт.

19

892-11010

LOCK WASHER,M10

8шт.

20

112558A1

CASE

TRANSMISSION ASSEMBLY - ground drive, parts list Figure 6-34

1шт.

21

413-820

BOLT,Hex, 1/2" - 13 x 1-1/4", Gr 5

- hex, 1/2 NC x 1-1/4 inch

4шт.

22

496-21053

WASHER,17/32" x 1 1/16" x .134"

- flat, 17/32 x 1-1/16 x 1/8 inch, hardened

4шт.

23

132235A1

PIN

- pivot, front axle

1шт.

24

103-16125

SNAP RING,#125, Ext

Ring, Snap, , Pivot pin #125, Ext

2шт.

25

495-81203

WASHER,1 9/32" x 2" x .120"

- flat, 1-9/32 x 2 x 1/8 inch

4шт.

Выбрано товаров: 26