Запчасти Case 560 (6-31A) - DRIVE LINE MOUNTING, WITH PIVOT CAST IN FRONT AXLE HOUSING (06) - POWER TRAIN

Схема запчастей Case 560 - (6-31A) - DRIVE LINE MOUNTING, WITH PIVOT CAST IN FRONT AXLE HOUSING (06) - POWER TRAIN
5
10
10
4
10c
1
9
10d
11
10a
13
3
4
7
12
10c
11
14
15
12
10b
10b
10a
10d
8
6
8
2
FIT
1:1
100%

Артикул

Название

Примечание

Количество

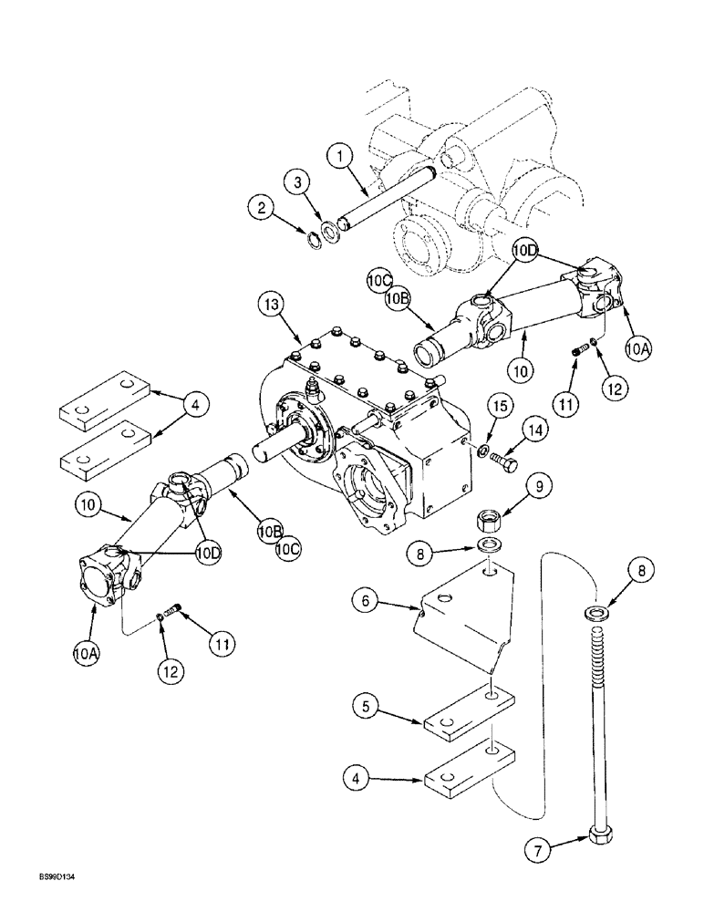
133220A1

AXLE HOUSING

AXLE ASSEMBLY - front, pivot cast in housing, not shown, parts list Figures 6-40 - 6-52, used with Ref. 10, 135571A1 drive shaft

1шт.

135973A1

AXLE

ASSEMBLY - rear, not shown, parts list Figures 6-40 - 6-52, used with 133220A1 front axle, and Ref. 10, 135571A1 drive shaft

1шт.

1

132235A1

PIN

- pivot, front axle

1шт.

2

103-16125

SNAP RING,#125, Ext

Ring, Snap, , Pivot pin #125, Ext

2шт.

3

495-81203

WASHER,1 9/32" x 2" x .120"

- flat, 1-9/32 x 2 x 1/8 inch

4шт.

4

104170A1

BAR

- clamping, rear axle

3шт.

5

117969A1

BAR

- clamping, rear axle, upper right-hand

1шт.

6

117970A1

GUARD

- steering indicator, rear

1шт.

7

413-16168

BOLT,Hex, 1" - 8 x 10-1/2", Gr 5

- hex, 1 NC x 10-1/2 inch

4шт.

8

D36505

WASHER,26.99mm ID x 47.63mm OD x 2.38mm Thk

- flat, special, 1-1/16 x 1-7/8 x 9/64 inch

8шт.

9

232-41116

LOCK NUT,1"-8, GC

NUT, LOCK, 1"-8, GC

4шт.

135571A1

SHAFT

ASSEMBLY - drive, front and rear, used with 133220A1 and 135973A1 axles, Includes: 10A - 10D

2шт.

10

NSS

NOT SOLD SEPARAT

SHAFT - drive

1шт.

10a

179586A1

FORK

BRACKET - flange

1шт.

10b

179584A1

LINKAGE YOKE

YOKE - slip, drive shaft

1шт.

10c

247896A1

SEAL

SEAL - dust

1шт.

10d

179587A1

JOINT

- universal

2шт.

11

863-12030

HEX SOC SCREW,M12 x 30mm, Cl 12.9

BOLT - hex socket, 12 - 1.75 x 30 mm, class 12.9

8шт.

12

892-11012

LOCK WASHER,M12

WASHER, LOCK, M12

8шт.

13

112558A2

CASE

TRANSMISSION ASSEMBLY - ground drive, parts list Figure 6-34

1шт.

14

413-820

BOLT,Hex, 1/2" - 13 x 1-1/4", Gr 5

- hex, 1/2 NC x 1-1/4 inch

4шт.

15

496-21053

WASHER,17/32" x 1 1/16" x .134"

- flat, 17/32 x 1-1/16 x 1/8 inch, hardened

4шт.

Выбрано товаров: 22