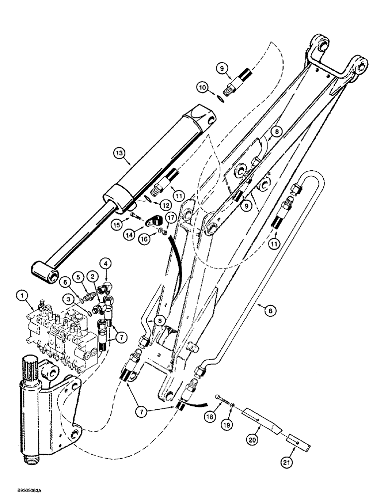
Запчасти Case 560 (8-050) - BACKHOE BOOM CYLINDER HYDRAULIC CIRCUIT, D100 BACKHOE (08) - HYDRAULICS

Схема запчастей Case 560 - (8-050) - BACKHOE BOOM CYLINDER HYDRAULIC CIRCUIT, D100 BACKHOE (08) - HYDRAULICS
8
6
2
14
11
11
8
8
7
16
5
12
19
9
3
9
15
7
18
4
10
21
17
13
1
20
FIT
1:1
100%

Артикул

Название

Примечание

Количество

1

H674300

VALVE

ASSEMBLY - control, backhoe, parts list Figures 8-56 - 8-62, see Figure 9-20 for mounting

1шт.

2

218-5106

90 ELBOW,90 Degree Elbow, 3/4" - 16 Male JIC x 3/4" - 16 Male ORB

- 90 degree, 3/4-16 inch flare x adj O-ring boss, Includes: Ref. 3

1шт.

3

237-6008

O-RING,0.087" Thk x 0.644" ID, -908, Cl 6, 90 Duro

8-1, 90 Duro, .644" ID x .087" Thk

1шт.

4

218-5230

ELBOW,90 Degree, 3/4"-16, 37 Degree x 3/4"-16, 37 Degree Fem Sw

- 90 degree, 3/4-16 inch flare x swivel

1шт.

5

218-5059

HYD CONNECTOR,3/4"-16, 37 Degree x 3/4"-16, O-Ring

ADAPTER - straight, 3/4-16 inch flare x O-ring boss, Incl. Ref 6

1шт.

6

237-6008

O-RING,0.087" Thk x 0.644" ID, -908, Cl 6, 90 Duro

8-1, 90 Duro, .644" ID x .087" Thk

1шт.

7

H434463

HOSE

- 1225 mm (48-1/4 inch) long, control valve to tube, replaces 117596A1 hose

2шт.

8

H593392

TUBE,0.5" OD

- intermediate, to boom cylinder

2шт.

9

H244921

HYDRAULIC HOSE,9.52 mm ID x 381.00 mm, SAE 100R1

To Closed End of Boom Cylinder, Includes: Ref. 10 9.52 mm ID x 381.00 mm, SAE 100R1

1шт.

10

237-6008

O-RING,0.087" Thk x 0.644" ID, -908, Cl 6, 90 Duro

8-1, 90 Duro, .644" ID x .087" Thk

1шт.

11

H268540

HYDRAULIC HOSE,9.52 mm ID x 889.00 mm, SAE 100R1

- To rod end of boom cylinder, Includes Ref. 12 9.52 mm ID x 889.00 mm, SAE 100R1

1шт.

12

237-6008

O-RING,0.087" Thk x 0.644" ID, -908, Cl 6, 90 Duro

8-1, 90 Duro, .644" ID x .087" Thk

1шт.

13

G100936

CYLINDER,Double Acting, 38.1mm Rod, 371.35mm Stroke

ASSEMBLY - 76 (3) ID x 372 mm (14-5/8 inch) stroke, boom, parts list Figure 8-68

1шт.

14

H51763

CLAMP

- P-type, hose

2шт.

15

413-412

BOLT,Hex, 1/4" - 20 x 3/4", Gr 5

- hex, 1/4 NC x 3/4 inch

2шт.

16

495-11028

WASHER,1/4", SAE

(flat, 9/32 x 5/8 x 1/16") 1/4", SAE

2шт.

17

230-4214

LOCK NUT,1/4"-20, GA

NUT - hex, self-locking, 1/4 inch NC

2шт.

18

413-532

BOLT,Hex, 5/16" - 18 x 2", Gr 5

1шт.

19

492-11031

LOCK WASHER,5/16"

WASHER, LOCK, 5/16"

1шт.

20

H52589

CLAMP

- hose

1шт.

21

H51748

CLAMP

SPACER - tube

1шт.

Выбрано товаров: 21