Запчасти Case 560 (8-052) - BACKHOE DIPPER CYLINDER HYDRAULIC CIRCUIT, D100 BACKHOE (08) - HYDRAULICS

Схема запчастей Case 560 - (8-052) - BACKHOE DIPPER CYLINDER HYDRAULIC CIRCUIT, D100 BACKHOE (08) - HYDRAULICS
13
3
17
9
13
18
11
15
5
16
15
1
9
18
8
2
14
13
17
11
6
12
11
3
10
4
14
3
3
2
5
7
FIT
1:1
100%

Артикул

Название

Примечание

Количество

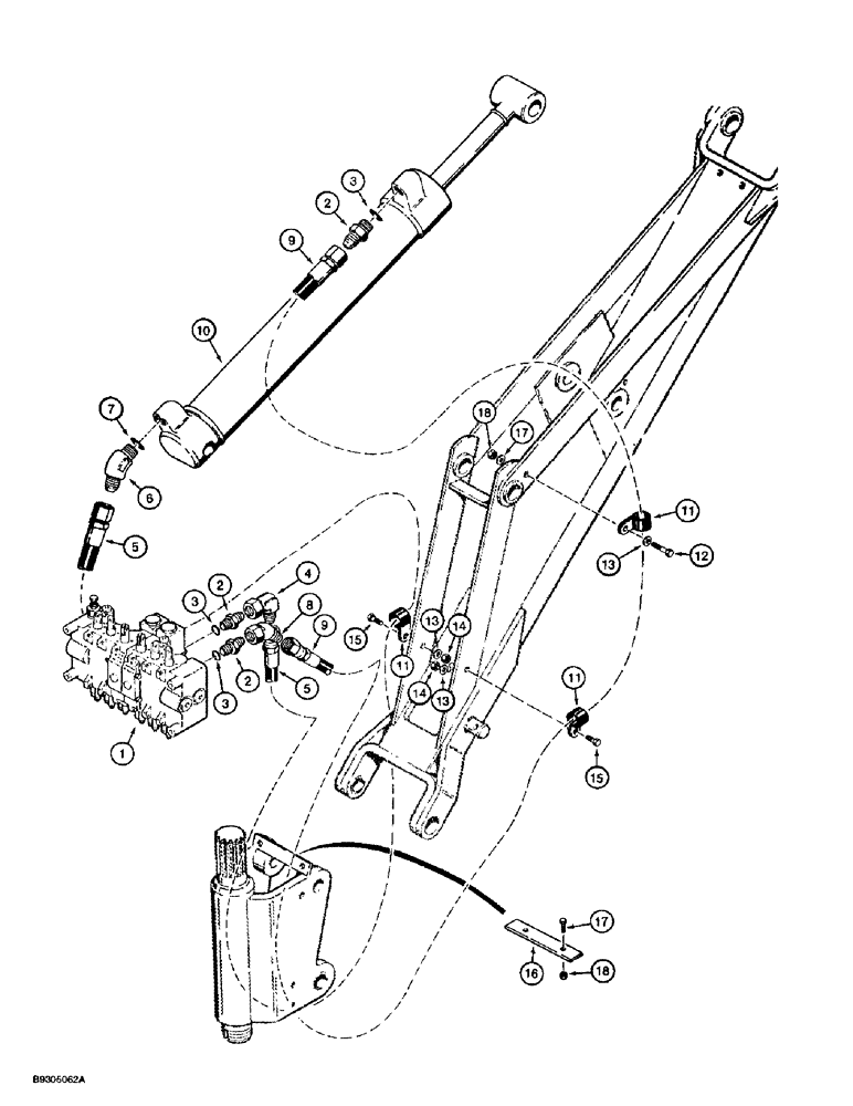
1

H674300

VALVE

ASSEMBLY - control, backhoe, parts list Figures 8-56 - 8-62, see Figure 9-20 for mounting

1шт.

2

218-5059

HYD CONNECTOR,3/4"-16, 37 Degree x 3/4"-16, O-Ring

ADAPTER - straight, 3/4-16 inch flare x O-ring boss, Incl. Ref 3

3шт.

3

237-6008

O-RING,0.087" Thk x 0.644" ID, -908, Cl 6, 90 Duro

8-1, 90 Duro, .644" ID x .087" Thk

1шт.

4

218-5230

ELBOW,90 Degree, 3/4"-16, 37 Degree x 3/4"-16, 37 Degree Fem Sw

- 90 degree, 3/4-16 inch flare x swivel

1шт.

5

H434465

HOSE

- 1600 mm (63 inch) long, to closed end of dipper cylinder

1шт.

6

218-5136

ELBOW,45 Degree Elbow, 3/4" - 16 Male JIC x 3/4" - 16 Male ORB

Adj O-ring boss, Incl. Ref 7 45º, 3/4"-16, 37º x 3/4"-16, O-Ring

1шт.

7

237-6008

O-RING,0.087" Thk x 0.644" ID, -908, Cl 6, 90 Duro

8-1, 90 Duro, .644" ID x .087" Thk

1шт.

8

218-5173

ELBOW,45 Degree Elbow, 3/4" - 16 Male JIC x 3/4" - 16 Female JIC

- 45 degree, 3/4-16 inch flare x swivel

1шт.

9

H434464

HOSE

- 2200 mm (86-5/8 inch) long, to rod end of dipper cylinder

1шт.

10

G100936

CYLINDER,Double Acting, 38.1mm Rod, 371.35mm Stroke

ASSEMBLY - 76 (3) ID x 372 mm (14-5/8 inch) stroke, dipper, parts list Figures 8-68

1шт.

11

H51763

CLAMP

- P-type, hose

3шт.

12

413-416

BOLT,Hex, 1/4" - 20 x 1", Gr 5

- hex, 1/4 NC x 1 inch

1шт.

13

495-11028

WASHER,1/4", SAE

(flat, 9/32 x 5/8 x 1/16") 1/4", SAE

4шт.

14

230-4214

LOCK NUT,1/4"-20, GA

NUT - hex, self-locking, 1/4 inch NC

3шт.

15

413-412

BOLT,Hex, 1/4" - 20 x 3/4", Gr 5

- hex, 1/4 NC x 3/4 inch

2шт.

16

H434415

BRACKET

CLAMP - hose

1шт.

17

413-424

BOLT,Hex, 1/4" - 20 x 1-1/2", Gr 5

2шт.

18

230-4214

LOCK NUT,1/4"-20, GA

NUT - hex, self-locking, 1/4 inch NC

2шт.

Выбрано товаров: 18