Запчасти Case 560 (8-054) - BACKHOE BUCKET CYLINDER HYDRAULIC CIRCUIT, D100 BACKHOE (08) - HYDRAULICS

Схема запчастей Case 560 - (8-054) - BACKHOE BUCKET CYLINDER HYDRAULIC CIRCUIT, D100 BACKHOE (08) - HYDRAULICS
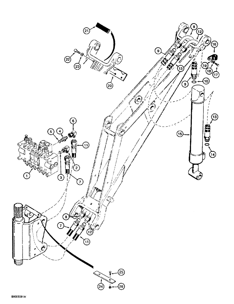
7
13
23
5
10
12
15
1
25
11
8
11
28
3
16
17
21
9
8
22
19
4
7
12
6
16
13
2
20
24
9
14
FIT
1:1
100%

Артикул

Название

Примечание

Количество

1

H674300

VALVE

ASSEMBLY - control, backhoe, parts list Figures 8-56 - 8-62

1шт.

2

218-5106

90 ELBOW,90 Degree Elbow, 3/4" - 16 Male JIC x 3/4" - 16 Male ORB

- 90 degree, 3/4-16 inch flare x adj O-ring boss, Includes: Ref. 3

1шт.

3

237-6008

O-RING,0.087" Thk x 0.644" ID, -908, Cl 6, 90 Duro

8-1, 90 Duro, .644" ID x .087" Thk

1шт.

4

218-5059

HYD CONNECTOR,3/4"-16, 37 Degree x 3/4"-16, O-Ring

ADAPTER - straight, 3/4-16 inch flare x O-ring boss, Incl. Ref 5

1шт.

5

237-6008

O-RING,0.087" Thk x 0.644" ID, -908, Cl 6, 90 Duro

8-1, 90 Duro, .644" ID x .087" Thk

1шт.

6

218-5230

ELBOW,90 Degree, 3/4"-16, 37 Degree x 3/4"-16, 37 Degree Fem Sw

- 90 degree, 3/4-16 inch flare x swivel

1шт.

7

H434463

HOSE

- 1225 mm (48-1/4 inch) long, at control valve, to closed end of bucket cylinder

1шт.

8

H593376

TUBE,0.5" OD

- intermediate, to closed end of bucket cylinder

1шт.

9

H268565

HYDRAULIC HOSE,9.52 mm ID x 1066.80 mm, SAE 100R1

- At closed end of bucket cylinder, Includes Ref. 10 9.52 mm ID x 1066.80 mm, SAE 100R1

1шт.

10

237-6008

O-RING,0.087" Thk x 0.644" ID, -908, Cl 6, 90 Duro

8-1, 90 Duro, .644" ID x .087" Thk

1шт.

11

H434463

HOSE

- 1225 mm (48-1/4 inch) long, at control valve to rod end of bucket cylinder

1шт.

12

H593384

TUBE,12.7 mm OD

- intermediate, to rod end of bucket cylinder

1шт.

13

H357863

HOSE,9.65mm ID x 1549.4mm L, SAE 100R1

at Rod End of Bucket Cylinder, Includes: Ref. 14 0.38" ID x 61.00", SAE 100R1

1шт.

14

237-6008

O-RING,0.087" Thk x 0.644" ID, -908, Cl 6, 90 Duro

8-1, 90 Duro, .644" ID x .087" Thk

1шт.

15

G100936

CYLINDER,Double Acting, 38.1mm Rod, 371.35mm Stroke

ASSEMBLY - 76 (3) ID x 372 mm (14-5/8 inch) stroke, bucket, parts list Figure 8-68

1шт.

16

H51763

CLAMP

- P-type, hose

2шт.

17

413-412

BOLT,Hex, 1/4" - 20 x 3/4", Gr 5

- hex, 1/4 NC x 3/4 inch

2шт.

18

492-11025

LOCK WASHER,1/4"

WASHER, LOCK, 1/4"

2шт.

19

495-11028

WASHER,1/4", SAE

(flat, 9/32 x 5/8 x 1/16") 1/4", SAE

2шт.

20

H51755

CLAMP

- tube, at boom

1шт.

21

H61069

FLAP

CUSHION - tubes, at boom

1шт.

22

413-532

BOLT,Hex, 5/16" - 18 x 2", Gr 5

1шт.

23

492-11031

LOCK WASHER,5/16"

WASHER, LOCK, 5/16"

1шт.

24

H434415

BRACKET

CLAMP - hose

1шт.

25

413-424

BOLT,Hex, 1/4" - 20 x 1-1/2", Gr 5

2шт.

26

230-4214

LOCK NUT,1/4"-20, GA

NUT - hex, self-locking, 1/4 inch NC

2шт.

Выбрано товаров: 0