Запчасти Case 560 (9-026) - BACKHOE SWING TOWER AND BOOM, D100 BACKHOE (09) - CHASSIS/ATTACHMENTS

Схема запчастей Case 560 - (9-026) - BACKHOE SWING TOWER AND BOOM, D100 BACKHOE (09) - CHASSIS/ATTACHMENTS
11
20
13
9
6
1
8
7
18
5
10
16
21
15
12
4
17
14
2
3
FIT
1:1
100%

Артикул

Название

Примечание

Количество

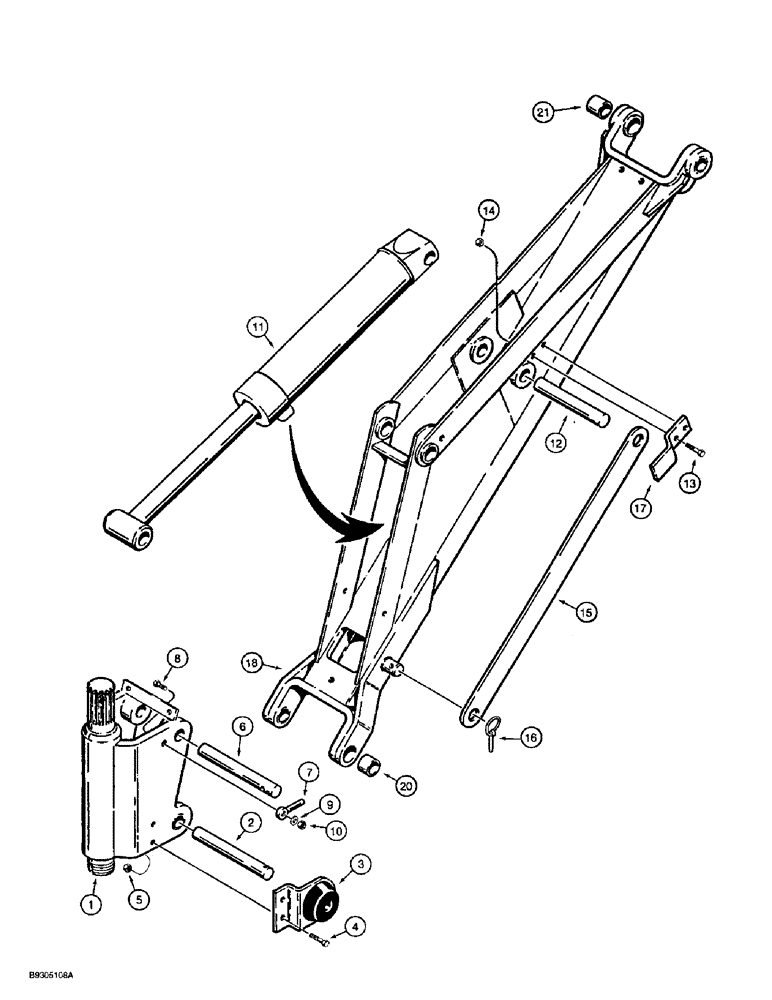
1

H672641

POST

TOWER ASSEMBLY - swing, backhoe, parts list Figure 9-24

1шт.

2

H50526

PIN

- mounting, boom pivot, boom to swing tower

1шт.

3

H625756

BRACKET

BUMPER - rubber, pin retainer and swing cushion

2шт.

4

413-824

BOLT,Hex, 1/2" - 13 x 1-1/2", Gr 5

4шт.

5

230-4218

LOCK NUT,1/2"-13, GA

NUT - hex, self-locking, 1/2 inch NC

4шт.

6

H56945

AXLE PIN

PIN - mounting, tboom cylinder rod end to swing tower

1шт.

7

H313981

PIN

- retaining

1шт.

8

413-624

BOLT,Hex, 3/8" - 16 x 1-1/2", Gr 5

- hex, 3/8 NC x 1-1/2 inch

1шт.

9

496-21041

WASHER,13/32" x 13/16" x .089", HDN

- flat, 13/32 x 13/16 x 3/32", hardened

1шт.

10

232-4116

NUT,3/8"-16, GC

NUT, LOCK, 3/8"-16, GC

1шт.

11

G100936

CYLINDER,Double Acting, 38.1mm Rod, 371.35mm Stroke

ASSEMBLY - 76 (3) ID x 372 mm (14-5/8 inch) stroke, boom, parts list Figure 8-68

1шт.

12

H50690

AXLE PIN,28.57mm OD x 171.45mm L

PIN - closed end of boom, Serial Range: cylinder-boom

1шт.

13

413-416

BOLT,Hex, 1/4" - 20 x 1", Gr 5

- hex, 1/4 NC x 1 inch

4шт.

13

413-616

BOLT,Hex, 3/8" - 16 x 1", Gr 5

4шт.

14

232-4116

NUT,3/8"-16, GC

NUT, LOCK, 3/8"-16, GC

4шт.

15

H56952

DRAG LINK

LINK - transport

2шт.

16

A30338

PIN

- lock

2шт.

17

H60616

AXLE PIN

RETAINER - pin

2шт.

H514620

BOOM

ASSEMBLY - backhoe, Includes: Ref. 18 - 21

1шт.

18

NSS

NOT SOLD SEPARAT

BOOM - backhoe

1шт.

20

H50435

BUSHING,28.91mm ID x 36.63mm OD x 25.4mm L

- boom pivot

2шт.

21

H56184

BUSHING,29.08mm ID x 44.5mm OD x 28.6mm L

- bucket pivot

2шт.

Выбрано товаров: 22