Запчасти Case 560 (9-030) - BACKHOE DIPPER AND BUCKET, D100 BACKHOE (09) - CHASSIS/ATTACHMENTS

Схема запчастей Case 560 - (9-030) - BACKHOE DIPPER AND BUCKET, D100 BACKHOE (09) - CHASSIS/ATTACHMENTS
11
12
9
4
11
24
12
23
20
7
19
15
5
10
1
6
8
18
1
25
9
3
10
21
13
8
17
16
22
18
FIT
1:1
100%

Артикул

Название

Примечание

Количество

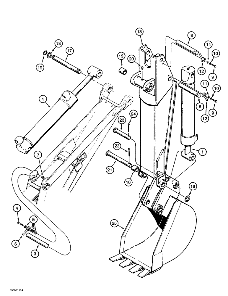
1

G100936

CYLINDER,Double Acting, 38.1mm Rod, 371.35mm Stroke

ASSEMBLY - 76 (3) ID x 372 mm (14-5/8 inch) stroke, bucket and dipper, parts list Figure 8-68

2шт.

3

H50690

AXLE PIN,28.57mm OD x 171.45mm L

PIN - dipper cylinder closed, Serial Range: end-boom

1шт.

4

413-624

BOLT,Hex, 3/8" - 16 x 1-1/2", Gr 5

- hex, 3/8 NC x 1-1/2 inch

1шт.

5

496-21041

WASHER,13/32" x 13/16" x .089", HDN

- flat, 13/32 x 13/16 x 3/32", hardened

4шт.

6

H313981

PIN

- retaining

1шт.

7

232-4116

NUT,3/8"-16, GC

NUT, LOCK, 3/8"-16, GC

1шт.

8

H50690

AXLE PIN,28.57mm OD x 171.45mm L

PIN - dipper cylinder rod to dipper and bucket cylinder closed, Serial Range: end-dipper

2шт.

9

413-620

BOLT,Hex, 3/8" - 16 x 1-1/4", Gr 5

- hex, 3/8 NC x 1-1/4 inch

2шт.

10

492-11038

LOCK WASHER,3/8"

2шт.

11

496-21041

WASHER,13/32" x 13/16" x .089", HDN

- flat, 13/32 x 13/16 x 3/32", hardened

2шт.

12

H313981

PIN

- retaining

2шт.

H514687

BOOM

DIPPER ASSEMBLY - backhoe, Includes: Ref. 13 - 16

1шт.

13

NSS

NOT SOLD SEPARAT

DIPPER - backhoe

1шт.

15

H56192

BUSHING,28.91mm ID x 36.63mm OD x 44.45mm L

- dipper pivot

2шт.

16

H56184

BUSHING,29.08mm ID x 44.5mm OD x 28.6mm L

- bucket pivot

2шт.

17

H50658

PIVOT

PIN -, Serial Range: boom-dipper

1шт.

18

195-81016

WASHER,1.140" x 1 7/8" x .032"

1шт.

19

103-11112

SNAP RING,#112, Ext

Ring, Snap, #112, Ext

2шт.

20

219-8

LUBE NIPPLE,1/4" - 28 NPTF

NIPPLE, LUBE, , straight, taper 1/4"-28 NPT x .54" lg

1шт.

21

H50682

PIN

- clevis, bucket pivot, Serial Range: dipper-bucket

1шт.

22

432-2432

COTTER PIN,3/8" x 2"

Pin, Split (Cotter), , Dipper to bucket pin 3/8" x 2"

1шт.

23

H257048

PIN,28.5mm OD x 146.05mm L

- mounting, cylinder rod, Serial Range: end-bucket

1шт.

24

432-1628

COTTER PIN,1/4" x 1 3/4"

Pin, Split (Cotter), , Bucket cylinder pin 1/4" x 1 3/4"

1шт.

25

REF

INSTRUCTION

BUCKET - backhoe, see Figures 9-32 and 9-34 for bucket options

1шт.

Выбрано товаров: 24