Запчасти Case 560 (9-046) - BACKHOE STABILIZERS, D125 BACKHOE (09) - CHASSIS/ATTACHMENTS

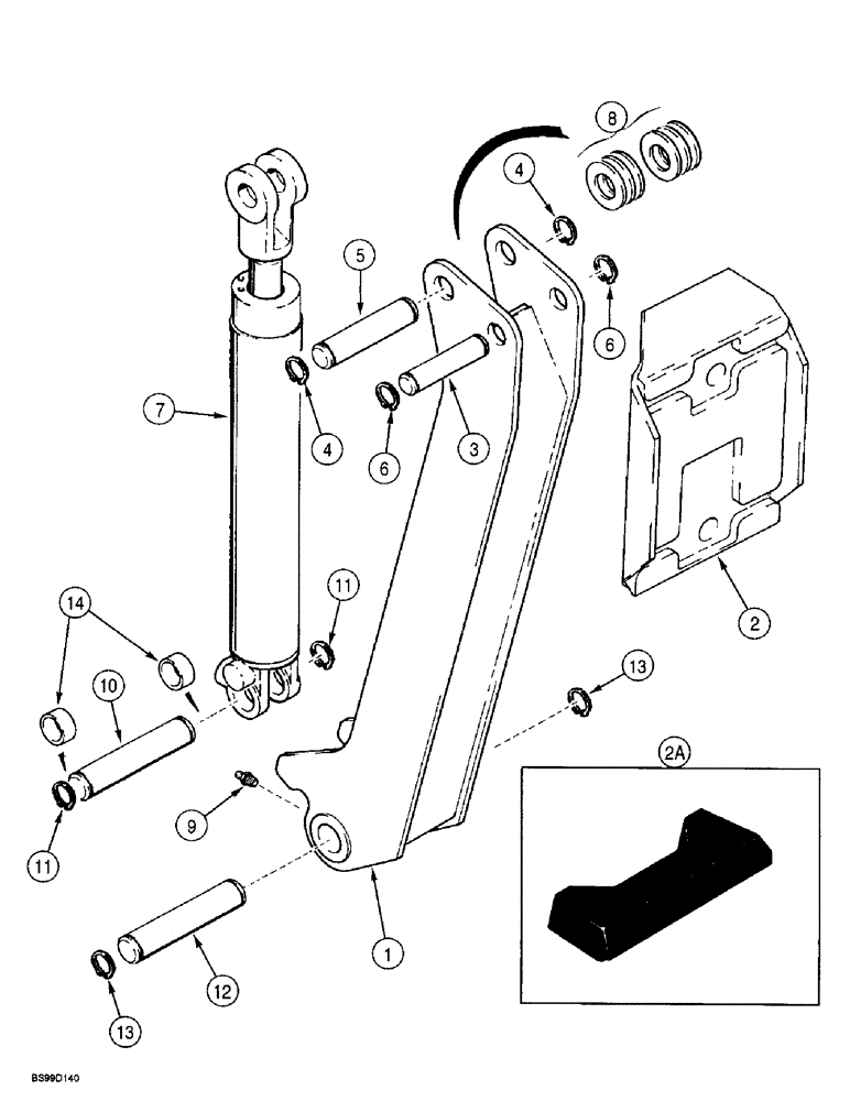
Схема запчастей Case 560 - (9-046) - BACKHOE STABILIZERS, D125 BACKHOE (09) - CHASSIS/ATTACHMENTS
10
2
5
1
13
7
9
6
2a
13
4
12
3
6
14
4
11
11
8
FIT
1:1
100%

Артикул

Название

Примечание

Количество

1

H674650

STABILIZER

- backhoe, fold down

2шт.

2

H434430

LARGE PLATE

PAD - stabilizer cast

2шт.

2a

R31222

SHOE

PAD - track, rubber, if used

2шт.

3

H434379

PIN,28.63mm OD x 151mm L

-, Serial Range: stabilizer-pad

2шт.

4

103-16125

SNAP RING,#125, Ext

Ring, Snap, #125, Ext

4шт.

5

H434380

PIN

-, Serial Range: cylinder-stabilizer

2шт.

6

100-16112

SNAP RING,#112, Ext

Ring, Snap, #112, Ext

4шт.

7

101643A1

CYLINDER ASSY.,Double Acting, 35.1mm Rod, 406.4mm Stroke

CYLINDER ASSEMBLY - 76 (3) ID x 406 mm (16 inch) stroke, stabilizer, parts list Figure 8-100

2шт.

8

495-21138

WASHER,1 1/4"

- flat, 1-3/8 x 3 x 5/32 inch

12шт.

9

219-8

LUBE NIPPLE,1/4" - 28 NPTF

NIPPLE, LUBE, , straight, taper 1/4"-28 NPT x .54" lg

2шт.

10

H434381

PIN,31.8mm OD x 31.8mm L

- mounting, cylinder to backhoe frame

2шт.

11

103-16125

SNAP RING,#125, Ext

Ring, Snap, #125, Ext

4шт.

12

H434382

PIN,38.15mm OD x 204mm L

- mounting, stabilizer to backhoe frame

2шт.

13

D25279

SNAP RING,M35, Int

RING - snap

4шт.

14

103502A1

SPECIAL NUT

SPACER - 38.5 x 42 x 23 mm, cylinder pin to backhoe frame

4шт.

Выбрано товаров: 15