Запчасти Case 560 (9-075C) - TRENCHER BOOM & MOUNTING, DIRECT DRIVE TRENCHER, ROCK BOOM, 5 FT., 50,000 LB. & 75,000 LB. CHAINLINE (09) - CHASSIS/ATTACHMENTS

Схема запчастей Case 560 - (9-075C) - TRENCHER BOOM & MOUNTING, DIRECT DRIVE TRENCHER, ROCK BOOM, 5 FT., 50,000 LB. & 75,000 LB. CHAINLINE (09) - CHASSIS/ATTACHMENTS
19
26
15
6
16
6
15
9
27
10
3
27
14
29
28
7
17
25
22
8
12
1
4
20
20
13
27
23
8
7
28
5
21
17
16
2
14
11
28
4
18
FIT
1:1
100%

Артикул

Название

Примечание

Количество

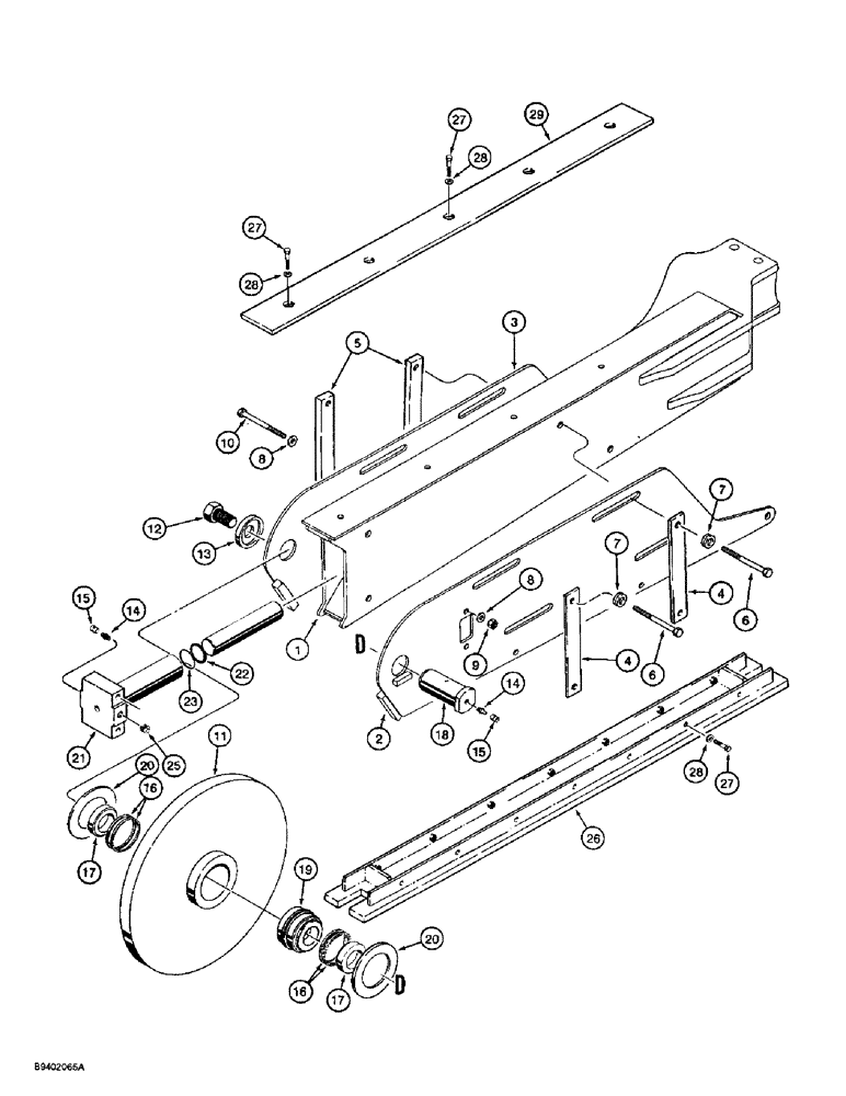
1

123860A1

BOOM

- rock, 5 foot, direct drive trencher

1шт.

2

123874A1

PLATE

- rock boom end, right-hand

1шт.

3

123873A1

PLATE

- rock boom end, left hand

1шт.

4

101563A1

BAR

- clamp, boom end plate retaining

2шт.

5

101562A1

BAR

- threaded, boom end plate retaining

2шт.

6

413-1072

BOLT,Hex, 5/8" - 11 x 4-1/2", Gr 5

4шт.

7

H434670

LOCK WASHER

- disc locking, special

4шт.

8

H274894

WASHER

- flat, special

4шт.

9

232-4118

NUT,1/2"-13, GC

NUT, LOCK, 1/2"-13, GC

2шт.

10

413-868

BOLT,Hex, 1/2" - 13 x 4-1/4", Gr 5

- hex, 1/2 NC x 4-1/4 inch

2шт.

11

H675070

ROLLER

- rock boom end

1шт.

12

413-1224

BOLT,Hex, 3/4" - 10 x 1-1/2", Gr 5

- hex, 3/4 NC x 1-1/2 inch

1шт.

13

139027A1

WASHER,19.45mm ID x 76.2mm OD x 13mm Thk

- flat, special

1шт.

14

219-66

LUBE NIPPLE,1/8"-27 NPT, Dustproof

FITTING - grease, straight, with cap, 1/8 PT x 1 inch, Includes: Ref. 15

1шт.

15

NSS

NOT SOLD SEPARAT

CAP - grease fitting, order 219-66 grease fitting

1шт.

16

H435218

SEAL

- boom end roller

4шт.

17

H438569

SPACER

- seal, rock boom end

2шт.

18

H438570

PIN,63.5mm OD x 104.5mm L

- boom end roller

1шт.

19

H759118

BEARING ASSY,52.4mm ID x 92.1mm OD x 54.75mm W

BEARING - tapered roller

1шт.

20

H435229

WASHER,80.2mm ID x 140mm OD x 1.58mm Thk

- flat, special, boom end roller

2шт.

21

H674743

CYLINDER ASSY.,44.46mm Bore Dia

ADJUSTER - chain, rock boom

1шт.

22

H755009

RING

- backup, adjuster O-ring

1шт.

23

238-6327

O-RING,0.21" Thk x 1.725" ID, -327, Cl 6, 90 Duro

1шт.

24

H434551

ROD

- adjuster

1шт.

25

H114728

PLUG

- hex socket, 3/8 inch PT, grease bleed

1шт.

26

101570A1

CHANNEL

- wear pad, lower

1шт.

27

413-616

BOLT,Hex, 3/8" - 16 x 1", Gr 5

15шт.

28

496-21041

WASHER,13/32" x 13/16" x .089", HDN

- flat, 13/32 x 13/16 x 3/32", hardened

15шт.

29

117591A1

BAR

PAD - wear, upper

1шт.

Выбрано товаров: 29