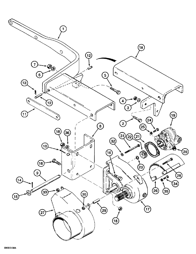
Запчасти Case 560 (9-098) - HYDRA-BORER AND GEARBOX MOUNTING (09) - CHASSIS/ATTACHMENTS

Схема запчастей Case 560 - (9-098) - HYDRA-BORER AND GEARBOX MOUNTING (09) - CHASSIS/ATTACHMENTS
32
24
1a
16
18
13
29
11
18
21
6
17
16
14
2
10
12
7
1
27
35
26
15
4
33
22
31
12
25
20
36
3
5
19
30
28
23
34
9
8
FIT
1:1
100%

Артикул

Название

Примечание

Количество

1

117597A1

FRAME

- Hydra-Borer, used on models without offset trencher

1шт.

1a

138645A1

ANCHOR

FRAME - Hydra-Borer, used on models with offset trencher

1шт.

2

413-832

BOLT,Hex, 1/2" - 13 x 2", Gr 5

Used on models with offset trencher Hex, 1/2"-13 x 2", G5

3шт.

3

496-21053

WASHER,17/32" x 1 1/16" x .134"

- flat, 17/32 x 1-1/16 x 1/8 inch, hardened, Used on models with offset trencher

3шт.

4

230-4218

LOCK NUT,1/2"-13, GA

NUT - hex, self-locking, 1/2 inch NC, used on models with offset trencher

3шт.

5

413-1256

BOLT,Hex, 3/4" - 10 x 3-1/2", Gr 5

Used with 117597A1 frame Hex, 3/4"-10 x 3 1/2", G5

3шт.

6

H426817

WASHER

- flat, special, hardened, used with 117597A1 frame

6шт.

7

232-41112

NUT,3/4"-10, GC

NUT, LOCK, , Used with 117597A1 frame 3/4"-10, GC

1шт.

8

H672537

MOUNTING PARTS

BRACKET - Hydra-Borer gearbox mounting

1шт.

9

H434278

SHAFT

- pivot

1шт.

10

432-1624

COTTER PIN,1/4" x 1 1/2"

Pin, Split (Cotter), 1/4" x 1-1/2"

2шт.

11

H434194

LINK

- support

2шт.

12

H175414

PIN

- locking

1шт.

13

H32292

PIN

- hair, locking pin retaining

2шт.

14

432-816

COTTER PIN,1/8" x 1"

1/8" x 1"

2шт.

15

495-11081

WASHER,3/4", SAE

2шт.

16

413-832

BOLT,Hex, 1/2" - 13 x 2", Gr 5

4шт.

17

H666875

GEARBOX ASSY

GEARBOX ASSEMBLY - Hydra-Borer, parts list Figure 9-100

1шт.

18

232-41112

NUT,3/4"-10, GC

NUT, LOCK, 3/4"-10, GC

4шт.

19

H654814

MOTOR

ASSEMBLY - hydraulic, Hydra-Borer, parts list Figure 8-158

1шт.

20

221-84

REDUCER,Hex, 1/4" x 1/8" NPT

- pipe, 1/4 male x 1/8 inch female

1шт.

21

H32375

GASKET

- motor

1шт.

22

H426023

SPUR

GEAR - input pinion

1шт.

23

100-1168

SNAP RING,#68, Ext

Ring, Snap, #68, Ext

2шт.

24

413-720

BOLT,Hex, 7/16" - 14 x 1-1/4", Gr 5

- hex, 7/16 NC x 1-1/4 inch

2шт.

25

492-11044

LOCK WASHER,7/16"

WASHER, LOCK, 7/16"

2шт.

26

H645838

SHIELD

- Hydra-Borer shaft

1шт.

27

H645788

GUARD

- Hydra-Borer

1шт.

28

413-544

BOLT,Hex, 5/16" - 18 x 2-3/4", Gr 5

- hex, 5/16 NC x 2-3/4 inch

1шт.

29

H217174

SPACER

-, Serial Range: gearbox-guard

1шт.

30

230-4215

NUT,5/16"-18, GA

NUT - hex, self-locking, 5/16 inch NC

1шт.

31

413-672

BOLT,Hex, 3/8" - 16 x 4-1/2", Gr 5

- hex, 3/8 NC x 4-1/2 inch

1шт.

32

495-11041

WASHER,0.406" ID x 0.812" OD x 0.065" W

(Flat, 13/32 x 13/16 x 1/16") 3/8", SAE

1шт.

33

230-4216

LOCK NUT,3/8"-16, GA

NUT - hex, self-locking, 3/8 inch NC

1шт.

34

413-616

BOLT,Hex, 3/8" - 16 x 1", Gr 5

Included with H666875 gearbox Hex, 3/8"-16 x 1", G5, Full Thd

2шт.

35

492-11038

LOCK WASHER,3/8"

included with H666875 gearbox 3/8"

2шт.

36

H274894

WASHER

- flat, special

2шт.

Выбрано товаров: 37