Запчасти Case 560 (9-116) - PLOW MOUNTING BRACKET, P75 PLOW (09) - CHASSIS/ATTACHMENTS

Схема запчастей Case 560 - (9-116) - PLOW MOUNTING BRACKET, P75 PLOW (09) - CHASSIS/ATTACHMENTS
7
3
6
10
1
5
8
9
2
4
FIT
1:1
100%

Артикул

Название

Примечание

Количество

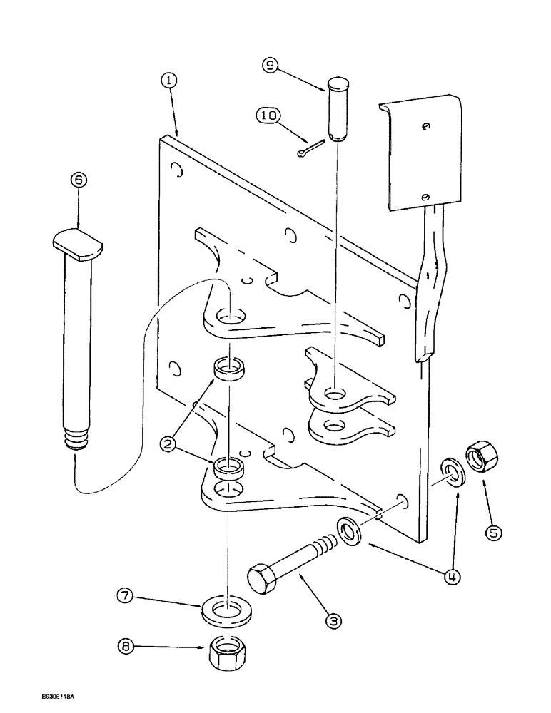
1

120714A1

MOUNTING PARTS

BRACKET - mounting, plow to basic machine, Includes: Ref. 2

1шт.

2

D33127

BUSHING,38.33mm ID x 47.63mm OD x 12.7mm L

- pivot plate

2шт.

3

413-1240

BOLT,Hex, 3/4" - 10 x 2-1/2", Gr 5

Hex, 3/4"-10 x 2-1/2", G5

6шт.

4

D34666

WASHER,33.34mm ID x 63.5mm OD x 2.38mm Thk

- flat, special, 3/4 inch

12шт.

5

232-41112

NUT,3/4"-10, GC

NUT, LOCK, 3/4"-10, GC

6шт.

6

120727A1

PIVOT PIN

PIN - pivot, plow

1шт.

7

495-81293

WASHER,1.53" ID x 2.06" OD x 0.11" Thk

- flat, 1-17/32 x 2-1/16 x 1/8 inch

2шт.

8

232-41120

LOCK NUT,1 1/4"-7, GC

NUT, LOCK, 1 1/4"-7, GC

1шт.

9

427-16350

CLEVIS PIN,25.4mm OD x 88.9mm L

PIN - clevis, 1 x 3-1/2 inch, hardened

1шт.

10

432-1028

COTTER PIN,5/32" x 1 3/4"

PIN, SPLIT (COTTER), 5/32" x 1 3/4"

1шт.

11

127447A1

DECAL

- plow control pattern, lift/swing, not shown, see Figure 9-142 for decal

1шт.

Выбрано товаров: 11