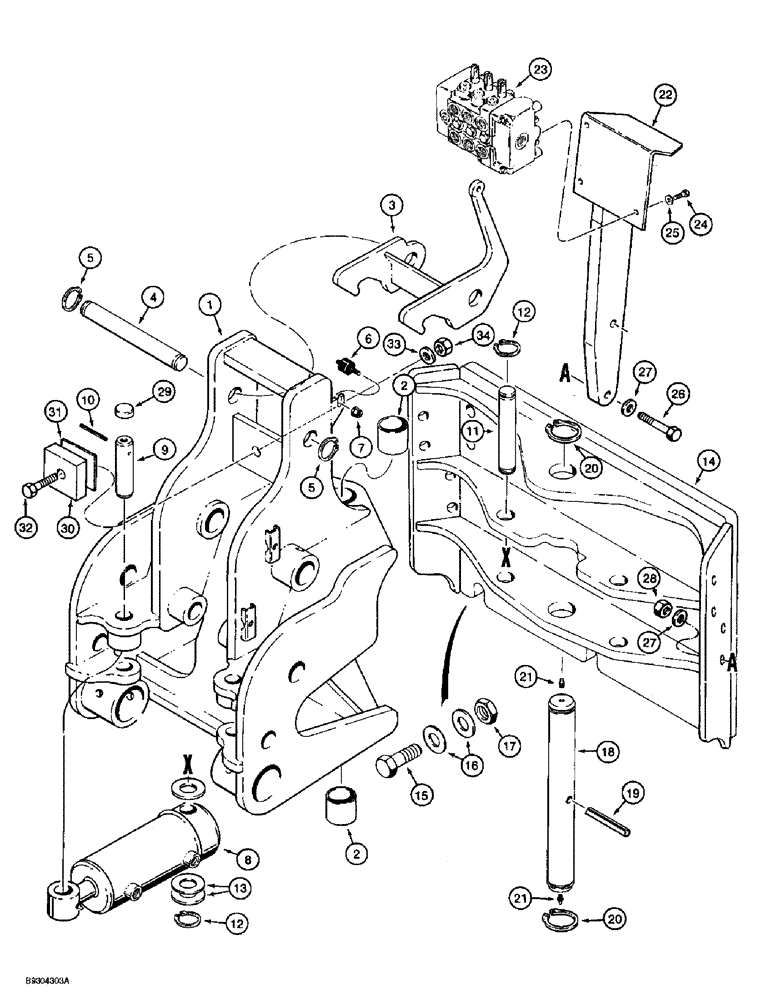
Запчасти Case 560 (9-124) - PLOW SWING TOWER AND MOUNTING BRACKET, P85 PLOW (09) - CHASSIS/ATTACHMENTS

Схема запчастей Case 560 - (9-124) - PLOW SWING TOWER AND MOUNTING BRACKET, P85 PLOW (09) - CHASSIS/ATTACHMENTS
25
15
10
13
33
18
7
3
32
14
20
12
27
31
5
22
4
17
23
6
26
2
20
34
11
16
29
19
8
21
24
2
30
27
21
1
28
12
5
9
FIT
1:1
100%

Артикул

Название

Примечание

Количество

1

H673803

FRAME

TOWER - plow swing

1шт.

2

H433644

BUSHING

- Teflon fabric lined, plow swing tower

2шт.

3

H673804

LATCH

- transport, plow lift arm, see Figure 9-126 for plow lift arm and mounting

1шт.

4

H434493

PIN

- transport latch

1шт.

5

103-16125

SNAP RING,#125, Ext

Ring, Snap, , Transport latch pin #125, Ext

2шт.

6

H359216

MOUNTING PARTS

INSULATOR - latch

1шт.

7

231-5145

SERRATED NUT,Flg, USR, 5/16"-18

NUT - hex serrated flange, 5/16 inch NC

1шт.

8

H673704

CYLINDER,101.6 mm ID x 327 mm L

ASSEMBLY - 102 (4) ID x 152 mm (6 inch) stroke, plow swing, parts list Figure 8-148

2шт.

9

H436865

PIN

- plow swing cylinder, rod end

2шт.

10

38-32440

PIN,3/8" x 2 1/2", Coiled

2шт.

11

H434801

PIN

- pivot, swing cylinder, closed end

2шт.

12

103-16125

SNAP RING,#125, Ext

Ring, Snap, , Plow swing cylinder closed end pin #125, Ext

4шт.

13

495-81209

WASHER,1.31" ID x 2.5" OD x 0.13" Thk

- flat, 1-5/16 x 2-1/2 x 5/32 inch

6шт.

14

112759A1

SUPPORT

BRACKET - mounting

1шт.

15

413-1240

BOLT,Hex, 3/4" - 10 x 2-1/2", Gr 5

Hex, 3/4"-10 x 2-1/2", G5

5шт.

16

H426817

WASHER

- flat, special, hardened

10шт.

17

232-41112

NUT,3/4"-10, GC

NUT, LOCK, 3/4"-10, GC

5шт.

18

H436866

PIN

- plow swing

1шт.

19

38-34064

PIN,5/8" x 4", Coiled

1шт.

20

103-16200

SNAP RING,#200, Ext

Ring, Snap, , Plow swing pin #200, Ext

2шт.

21

219-8

LUBE NIPPLE,1/4" - 28 NPTF

NIPPLE, LUBE, , straight, taper 1/4"-28 NPT x .54" lg

2шт.

22

118447A1

PEDESTAL

BRACKET - mounting, plow control valve

1шт.

23

H674318

VALVE

ASSEMBLY - control, plow, parts list Figures 8-138 - 8-144

1шт.

24

414-512

BOLT,Hex, 5/16" - 24 x 3/4", Gr 5

2шт.

25

H426775

WASHER

- flat, special, hardened

2шт.

26

426-1044

BOLT,Hex, 5/8" - 11 x 2-3/4", Gr 8

- hex, 5/8 NC x 2-3/4 inch, grade 8

2шт.

27

T53567

BEARING WASHER,16.66mm ID x 33.33mm OD x 3.43mm Thk

WASHER - flat, special, hardened

4шт.

28

232-41110

NUT,5/8"-11, GC

NUT, LOCK, 5/8"-11, GC

2шт.

29

41-1620

PLUG,Cup, 1 1/4", Stainless

- cup, 1-1/4 inch diameter

2шт.

30

D90990

GUARD

BUMPER - rubber, plow swing tower

1шт.

31

H438536

SHIM,1.50mm Thk

Bumper, Used between plow swing tower and bumper 1.50mm Thk

1шт.

32

413-620

BOLT,Hex, 3/8" - 16 x 1-1/4", Gr 5

- hex, 3/8 NC x 1-1/4 inch

1шт.

33

496-21041

WASHER,13/32" x 13/16" x .089", HDN

- flat, 13/32 x 13/16 x 3/32", hardened

1шт.

34

232-4116

NUT,3/8"-16, GC

NUT, LOCK, 3/8"-16, GC

1шт.

Выбрано товаров: 34