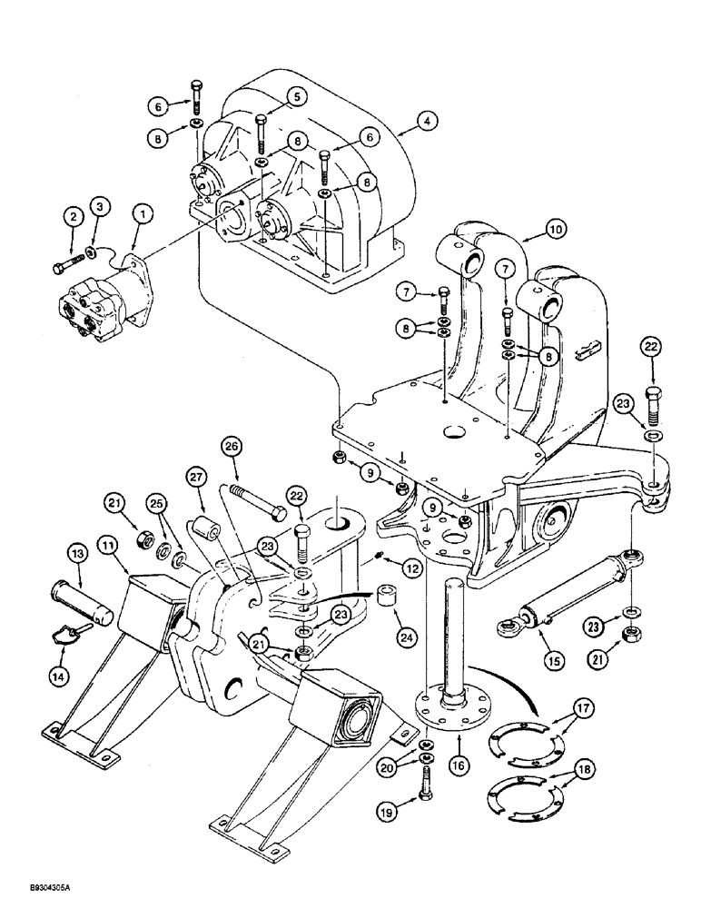
Запчасти Case 560 (9-128) - PLOW MOTOR, GEARBOX AND BLADE MOUNTING, P85 PLOW (09) - CHASSIS/ATTACHMENTS

Схема запчастей Case 560 - (9-128) - PLOW MOTOR, GEARBOX AND BLADE MOUNTING, P85 PLOW (09) - CHASSIS/ATTACHMENTS
5
2
7
23
23
9
4
27
8
7
22
8
14
9
11
23
1
17
12
21
26
8
18
6
25
16
21
15
21
3
24
22
20
6
13
10
19
8
8
23
FIT
1:1
100%

Артикул

Название

Примечание

Количество

1

H674364

MOTOR, HYDRAULIC

MOTOR ASSEMBLY - hydrostatic drive, plow, parts list Figure 8-152

1шт.

2

413-828

BOLT,Hex, 1/2" - 13 x 1-3/4", Gr 5

2шт.

3

H274894

WASHER

- flat, special

2шт.

4

H563619

BOX

GEARBOX ASSEMBLY - plow, parts list Figure 9-132

1шт.

5

413-840

BOLT,Hex, 1/2" - 13 x 2-1/2", Gr 5

- hex, 1/2 NC x 2-1/2 inch

1шт.

6

413-836

BOLT,Hex, 1/2" - 13 x 2-1/4", Gr 5

7шт.

7

413-824

BOLT,Hex, 1/2" - 13 x 1-1/2", Gr 5

2шт.

8

H274894

WASHER

- flat, special

12шт.

9

232-4118

NUT,1/2"-13, GC

NUT, LOCK, 1/2"-13, GC

8шт.

10

114981A1

CHASSIS

FRAME - plow gearbox mounting

1шт.

11

105966A1

MOUNTING PARTS

BRACKET - plow blade mounting, parts list Figure 9-130, see Machinery Price List for plow blade and chute information

1шт.

12

219-8

LUBE NIPPLE,1/4" - 28 NPTF

NIPPLE, LUBE, , straight, taper 1/4"-28 NPT x .54" lg

1шт.

13

H437057

PIN

- plow blade retaining

2шт.

14

D130037

HEADED PIN,8.73mm OD

PIN - locking, plow blade retaining pin

2шт.

15

111620A2

CYLINDER

ASSEMBLY - 64 (2-1/2) ID x 203 mm (8 inch) stroke, plow blade steering, parts list Figure 8-150

1шт.

16

104797A2

AXLE

PIN - plow blade pivot

1шт.

17

104799A2

SHIM

- 1/32 inch thick

1шт.

18

105866A2

SHIM

- 7/64 inch thick

1шт.

19

413-1028

BOLT,Hex, 5/8" - 11 x 1-3/4", Gr 5

- hex, 5/8 NC x 1-3/4 inch

4шт.

20

495-11066

WASHER,5/8", SAE

- flat, 21/32 x 1-5/16 x 3/32 inch

16шт.

21

232-41116

LOCK NUT,1"-8, GC

NUT, LOCK, 1"-8, GC

4шт.

22

413-1660

BOLT,Hex, 1" - 8 x 3-3/4", Gr 5

- hex, 1 NC x 3-3/4 inch

2шт.

23

D36505

WASHER,26.99mm ID x 47.63mm OD x 2.38mm Thk

- flat, special, 1-1/16 x 1-7/8 x 9/64 inch

4шт.

24

114879A1

SPACER

- rod end

1шт.

25

H435357

WASHER

- disc-locking, special

6шт.

26

413-1696

BOLT,Hex, 1" - 8 x 6", Gr 5

- hex, 1 NC x 6 inch

3шт.

27

H435475

SPACER

- blade mounting bracket

1шт.

Выбрано товаров: 27