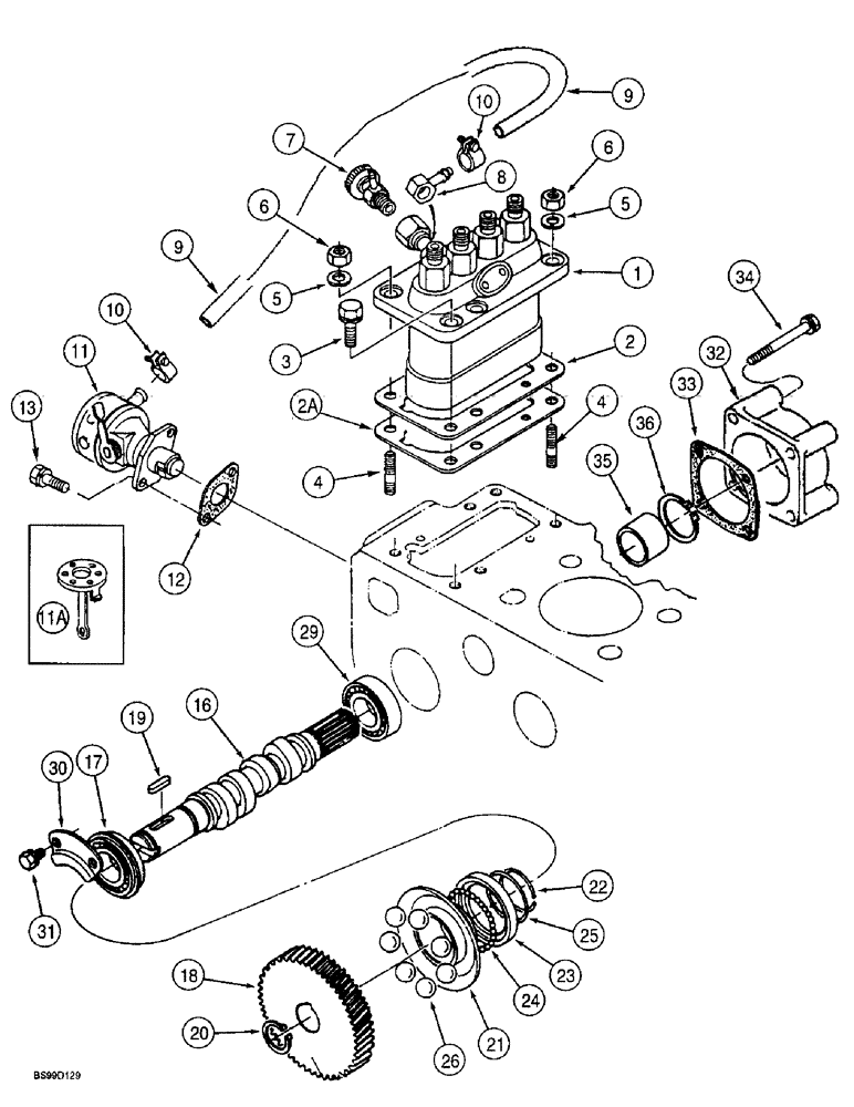
Запчасти Case 560 (3-05A) - INJECTION PUMP DRIVE, KUBOTA V2203IDI ENGINE, P.I.N. JAF0295741 AND AFTER (03) - FUEL SYSTEM

Схема запчастей Case 560 - (3-05A) - INJECTION PUMP DRIVE, KUBOTA V2203IDI ENGINE, P.I.N. JAF0295741 AND AFTER (03) - FUEL SYSTEM
4
24
21
23
25
1
5
11
10
34
6
9
9
30
2a
11a
19
7
36
22
12
17
6
18
3
10
13
8
4
20
35
2
33
31
16
32
5
26
29
FIT
1:1
100%

Артикул

Название

Примечание

Количество

1

126964A1

PUMP

ASSEMBLY - fuel injection, parts list Figure 3-13A

1шт.

2

202424A1

BLOCK

SHIM - injection pump

1шт.

2

202425A1

BLOCK

SHIM - injection pump

1шт.

2a

202426A1

BLOCK

SHIM - injection pump

1шт.

3

1959456C1

BOLT

- hex, special

4шт.

4

1959457C1

STUD

- pump mounting

2шт.

5

1959162C1

LOCK WASHER

- lock

2шт.

6

43362

NUT,M8 x 1.25, Cl 10

M8, Cl 10

2шт.

7

1959487C1

HEATED GLASS

VALVE - shutoff

1шт.

8

1959483C1

FITTING

CONNECTOR - tube, Includes: Ref. 9 and 10

1шт.

9

126966A1

PIPE

TUBE - fuel

1шт.

10

1959486C1

CLIP

CLAMP - tube

2шт.

11

126967A1

PUMP

- fuel transfer, Includes: Ref. 11A

1шт.

11a

1959479C2

DIAPHRAGM

- fuel transfer pump

1шт.

12

1981641C1

GASKET

- fuel transfer pump

1шт.

13

1959319C1

BOLT

- hex, special

2шт.

202448A1

HEATED GLASS

CAMSHAFT ASSEMBLY - fuel pump drive, Includes: Ref. 16 - 26

1шт.

16

202449A1

CAMSHAFT

- fuel pump

1шт.

17

126998A1

BEARING, BALL

BEARING - ball

1шт.

18

202451A1

GEAR

- injection pump

1шт.

19

127002A1

KEY

- camshaft

1шт.

20

127003A1

RING

- snap

1шт.

21

202454A1

SLEEVE

- governor

1шт.

22

127033A1

RING

- retaining, governor sleeve

1шт.

23

127034A1

CASE

HOUSING - governor ball

1шт.

24

1959466C1

BALL

- governor

39шт.

25

127035A1

OIL SEAL

RING - retaining

1шт.

26

202458A1

BALL

- governor

7шт.

29

127055A1

BEARING, BALL

BEARING - ball

1шт.

30

221622A1

STOP LOCK

STOP - fuel camshaft

1шт.

31

126123A1

CAPTIVE WASHER SCREW

- hex, with lock washer

2шт.

32

221623A1

COVER

- fuel camshaft

1шт.

33

127059A1

GASKET

- cover

1шт.

34

221624A1

BOLT

- cover

4шт.

35

127060A1

COLLAR

- camshaft

1шт.

36

127062A1

RING

- snap

1шт.

Выбрано товаров: 36