Запчасти Case 560 (3-07A) - GOVERNOR CONTROL ASSEMBLY, KUBOTA V2203IDI ENGINE, P.I.N. JAF0295741 AND AFTER (03) - FUEL SYSTEM

Схема запчастей Case 560 - (3-07A) - GOVERNOR CONTROL ASSEMBLY, KUBOTA V2203IDI ENGINE, P.I.N. JAF0295741 AND AFTER (03) - FUEL SYSTEM
5
6
9
12
1
3
8
6
11
7
4
2
10
13
14
15
FIT
1:1
100%

Артикул

Название

Примечание

Количество

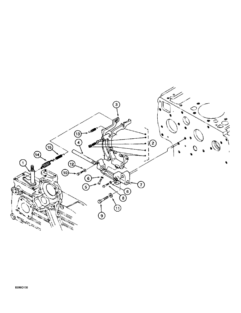
1

221629A1

LEVER

- governor

1шт.

370081A1

LEVER ASSY.

LEVER ASSEMBLY - fork, complete set, Includes: Ref. 2 - 8

1шт.

2

NSS

NOT SOLD SEPARAT

LEVER - fork, No. 1

1шт.

3

NSS

NOT SOLD SEPARAT

LEVER - fork, No. 2

1шт.

4

127080A1

SHAFT

- fork lever

1шт.

5

127081A1

BOLT

- shaft lever

1шт.

6

1959206C1

SPRING WASHER

- lock

2шт.

7

221642A1

SUPPORT

HOLDER - fork lever

1шт.

8

127084A1

BOLT,Hex

- hex, special

1шт.

9

126138A1

CAPTIVE WASHER SCREW,Hex

- hex, special

2шт.

10

1959430C1

BOLT

- hex, special

1шт.

11

126373A1

SPRING WASHER

WASHER - flat

2шт.

12

127086A1

WASHER

- flat

1шт.

13

202420A1

SPRING

- start

1шт.

14

203036A1

SPRING

- governor, No. 1

1шт.

15

202422A1

SPRING

- governor, No. 2

1шт.

Выбрано товаров: 16