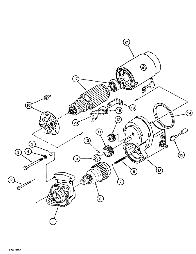
Запчасти Case 560 (4-05A) - STARTER ASSEMBLY - 126895A1, KUBOTA V2203IDI ENGINE, P.I.N. JAF0295741 AND AFTER (04) - ELECTRICAL SYSTEMS

Схема запчастей Case 560 - (4-05A) - STARTER ASSEMBLY - 126895A1, KUBOTA V2203IDI ENGINE, P.I.N. JAF0295741 AND AFTER (04) - ELECTRICAL SYSTEMS
3
2
11
10
14
16
5
1
18
4
19
12
15
21
13
17
9
6
7
8
20
FIT
1:1
100%

Артикул

Название

Примечание

Количество

1

126895A1

STARTING MOTOR

STARTER ASSEMBLY - engine, see Figure 2-27A for mounting parts, Includes: Ref. 2 - 21

1шт.

2

221639A1

BOLT

- pan head

2шт.

3

202525A1

BOLT

BOLT - hex

2шт.

4

1959206C1

SPRING WASHER

- lock, special

2шт.

5

129626A1

O-RING

- sealing

2шт.

6

202516A1

SWITCH

- over running

1шт.

7

129531A1

BALL

- steel

1шт.

8

129532A1

SPRING

- detent

1шт.

9

129530A1

STOP

RETAINER - gear

1шт.

10

129529A1

PIN

- roll

5шт.

11

129528A1

GEAR

- starter

1шт.

12

202517A1

GEAR

- starter

1шт.

13

202522A1

SWITCH

- magnetic

1шт.

14

129539A1

O-RING

- sealing

1шт.

15

129630A1

ELECTRICAL WIRE

WIRE - connecting

1шт.

16

202520A1

BRUSH ASSY.

HOLDER - brush

1шт.

17

202514A1

ARMATURE

- starter

1шт.

18

129622A1

INSULATOR

- starter

1шт.

19

129619A1

TERMINAL CONNECTOR

TERMINAL - cover

1шт.

20

129624A1

COVER

- terminal

1шт.

21

202513A1

STATOR

YOKE - starter

1шт.

Выбрано товаров: 21