Запчасти Case 60 (06-002) - GROUND DRIVE

Схема запчастей Case 60 - (06-002) - GROUND DRIVE
6
13
28
4
27
11
25
8
5
15
17
12a
3
16
3
7
18
26
14
4
6
19
10
12
2
20
21
29
2
23
5
22
1
28
24
9
FIT
1:1
100%

Артикул

Название

Примечание

Количество

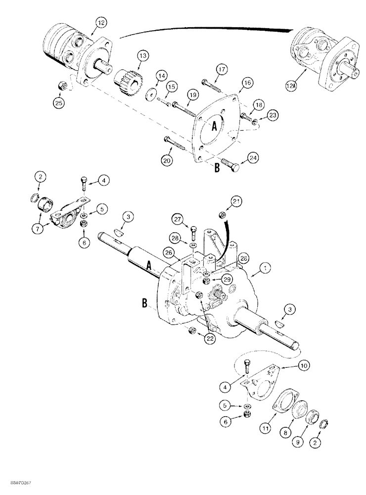
1

H674322

AXLE HOUSING

TRANSAXLE ASSEMBLY trencher, including shafts

1шт.

2

100-1698

SNAP RING,#98, Ext

Shaft

2шт.

3

126-128

WOODRUFF KEY,#18, 1/4" x 1 1/8", HT

2шт.

4

413-616

BOLT,Hex, 3/8" - 16 x 1", Gr 5

4шт.

5

496-21041

WASHER,13/32" x 13/16" x .089", HDN

4шт.

6

232-4116

NUT,3/8"-16, GC

4шт.

7

H674325

BEARING

ball, with collar, Includes: Ref. 8 - 11

2шт.

8

160796C91

BALL BEARING,25.4mm ID x 51.99mm OD x 16.56mm W

ball

1шт.

9

564853R11

COLLAR

locking, bearing

1шт.

10

665721R1

BLOCK

HOUSING bearing

1шт.

11

50591

FLANGE,52mm

bearing

1шт.

12

H674323

MOTOR

ASSEMBLY hydrostatic drive, parts list Figure 6-14, no longer available, for service order 111485A1

1шт.

12a

111485A1

MOTOR

ASSEMBLY hydrostatic drive, parts list Figure 6-16

1шт.

13

H437468

GEAR

motor input

1шт.

14

H437740

WASHER

special, gear retaining

1шт.

16

H437469

PLATE

motor mounting

1шт.

17

413-632

BOLT,Hex, 3/8" - 16 x 2", Gr 5

1шт.

18

413-616

BOLT,Hex, 3/8" - 16 x 1", Gr 5

1шт.

19

413-640

BOLT,Hex, 3/8" - 16 x 2-1/2", Gr 5

1шт.

20

413-636

BOLT,Hex, 3/8" - 16 x 2-1/4", Gr 5

1шт.

21

425-146

JAM NUT,3/8" - 16, Gr 5

1шт.

22

232-4116

NUT,3/8"-16, GC

2шт.

23

492-11038

LOCK WASHER,3/8"

1шт.

24

413-828

BOLT,Hex, 1/2" - 13 x 1-3/4", Gr 5

2шт.

25

232-4118

NUT,1/2"-13, GC

2шт.

26

H437198

ANGLE

support

1шт.

27

413-616

BOLT,Hex, 3/8" - 16 x 1", Gr 5

1шт.

28

496-21041

WASHER,13/32" x 13/16" x .089", HDN

2шт.

29

232-4116

NUT,3/8"-16, GC

1шт.

15

413-420

BOLT,Hex, 1/4" - 20 x 1-1/4", Gr 5

1шт.

Выбрано товаров: 30