Запчасти Case 60 (06-008) - GROUND DRIVE HYDRAULIC CIRCUIT

Схема запчастей Case 60 - (06-008) - GROUND DRIVE HYDRAULIC CIRCUIT
27
20
1
12
13
17
20
16
2
8
22
17a
4
7
9a
28
15a
17a
19a
23
7
14
9
11
21
7
19
24
15
25
3
26
15a
15
16
29
6
5
17
16
27
30
18
8
10
FIT
1:1
100%

Артикул

Название

Примечание

Количество

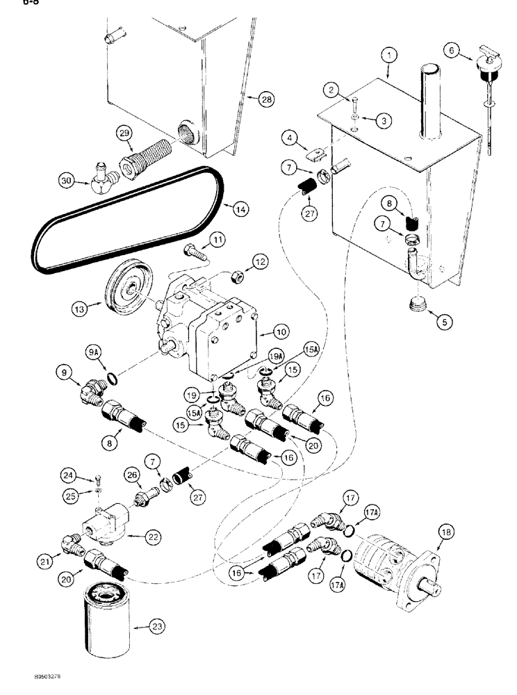
1

H674726

TANK

RESERVOIR hydraulic, no longer used, for servicer order Refs. 28 - 30 in this Figure

1шт.

2

413-516

BOLT,Hex, 5/16" - 18 x 1", Gr 5

4шт.

3

496-11034

WASHER,11/32" x 11/16" x 1/16", HDN

4шт.

4

H346650

NUT

U-type, 5/16 inch NC

4шт.

5

221-846

PLUG,Hex Soc, 1"-11 1/2

hex socket, 1 inch PT

1шт.

6

H437958

DIPSTICK

reservoir

1шт.

7

214-1412

HOSE CLAMP,#12, 0.69" - 1.25", Type F Worm

3шт.

8

H437742

HOSE ASSY.

1168 mm (46 inch) long, Serial Range: reservoir-pump

1шт.

9

218-5107

90 ELBOW,90 Degree Elbow, 7/8" - 14 Male JIC x 7/8" - 14 Male ORB

Adj O-ring boss, Incl. Ref. 9A

1шт.

9a

237-6010

O-RING,0.097" Thk x 0.755" ID, -910, Cl 6, 90 Duro

1шт.

10

H674324

PUMP

ASSEMBLY ground drive and trencher lift, parts list Figure 6-10

1шт.

11

413-824

BOLT,Hex, 1/2" - 13 x 1-1/2", Gr 5

2шт.

12

232-4118

NUT,1/2"-13, GC

2шт.

13

H439405

SHEAVE

pump drive, replaces H437750

1шт.

13a

126-113

WOODRUFF KEY,#61, 3/16" x 5/8", HT

Used with H439405 pulley, not shown

1шт.

14

H437738

BELT,1143.00 mm L

Ground Drive

1шт.

15

218-5106

90 ELBOW,90 Degree Elbow, 3/4" - 16 Male JIC x 3/4" - 16 Male ORB

Includes Ref. 15A

2шт.

15a

237-6008

O-RING,0.087" Thk x 0.644" ID, -908, Cl 6, 90 Duro

1шт.

16

H437953

HOSE ASSY.

406 mm (16 inch) long, Serial Range: pump-motor

2шт.

17

218-5146

ELBOW,45 Degree Elbow, 3/4" - 16 Male JIC x 7/8" - 14 Male ORB

ELBOW 45 degree, 3/4-16 flare x 7/8-14 inch adj O ring, Includes: Ref. 17A

2шт.

17a

237-6010

O-RING,0.097" Thk x 0.755" ID, -910, Cl 6, 90 Duro

1шт.

18

REF

INSTRUCTION

MOTOR ASSEMBLY hydrostatic drive, see Figures 6-14or 6-16for correct assembly and components, mounting parts Figure 6-2

1шт.

19

218-5117

ELBOW,90 Degree Elbow, 7/8" - 14 Male JIC x 3/4" - 16 Male ORB

ELBOW 90 degree, 7/8-14 flare x 3/4-16 inch adj O-ring boss, Includes: Ref. 19A

1шт.

19a

237-6008

O-RING,0.087" Thk x 0.644" ID, -908, Cl 6, 90 Duro

1шт.

20

H437954

HOSE ASSY.

460 mm (18-1/8 inch) long, Serial Range: pump-filter

1шт.

21

218-494

ELBOW,90 Degree Elbow, 7/8" - 14 Male JIC x 3/4" - 14 Male NPTF

90 degree, 7/8-14 flare x 3/4 inch PT

1шт.

22

H616508

FILTER HEAD

BASE

1шт.

23

H311647

HYDRAULIC OIL FILTER

ELEMENT

1шт.

24

413-412

BOLT,Hex, 1/4" - 20 x 3/4", Gr 5

2шт.

25

492-11025

LOCK WASHER,1/4"

2шт.

26

217-381

FITTING,5/8" Hose Barb x 3/4" Male NPTF

ADAPTER straight, 5/8 stem end x 3/4 inch PT

1шт.

27

H437743

HOSE

370 mm (14-1/2 inch) long, Serial Range: filter-reservoir

1шт.

28

141201A1

TANK

RESERVOIR hydraulic

1шт.

29

H501478

STRAINER ASSY.

SCREEN suction filter

1шт.

30

217-165

ELBOW,90 Degree, 3/4" NPT x 5/8" Barbed

ELBOW 90 degree, 5/8 stem end x 3/4 inch PT

1шт.

Выбрано товаров: 35