Запчасти Case 660 (6-22) - PUMP DRIVE - H673649 (06) - POWER TRAIN

Схема запчастей Case 660 - (6-22) - PUMP DRIVE - H673649 (06) - POWER TRAIN
14a
19a
17
13
7
19
3
21
8
23
16a
20
16
25
4
22
9
14
11
24
2
8a
12
15
5
12
26
10
20
5
1
18
6
FIT
1:1
100%

Артикул

Название

Примечание

Количество

H673649

BOX

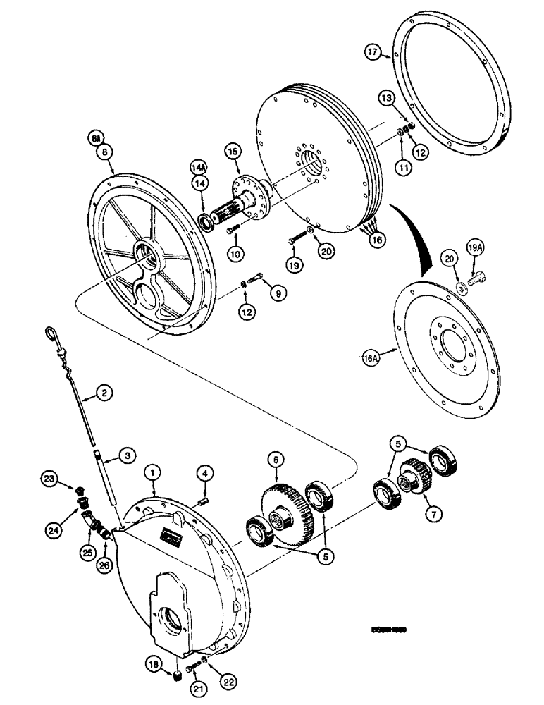
DRIVE ASSEMBLY - pump, Includes: Ref. 1 - 18

1шт.

1

100448A1

HOUSING

- pump drive

1шт.

2

109117A1

DIPSTICK

- oil level, used with 109118A1 tube

1шт.

2

100455A1

DIPSTICK

- oil level, used with 100459A1 tube

1шт.

3

109118A1

TUBE

- dipstick, used with 3/8 inch dia. hole in housing

1шт.

3

100459A1

TUBE

- dipstick, used with 1/2 inch dia. hole in housing

1шт.

4

37-1616

DOWEL,3/8" x 1"

PIN - dowel, 3/8 x 1 inch, hardened

1шт.

5

ST264

BEARING, BALL,50 mm ID x 90 mm OD x 20 mm

BEARING - ball, input and output gears

4шт.

6

100452A1

GEAR

- input, 42 teeth

1шт.

7

100451A1

GEAR

- pinion, 31 teeth, output

1шт.

8

100449A1

COVER

- pump drive housing, prior to pump drive S.N. 298, used Ref. 14, 2-1/4 inch shaft seal

1шт.

8a

128128A1

COVER

- pump drive housing, pump drive S.N. 298 and after, uses Ref. 14A, 2 inch shaft seal

1шт.

9

413-620

BOLT,Hex, 3/8" - 16 x 1-1/4", Gr 5

- hex, 3/8 NC x 1-1/4 inch

8шт.

10

413-616

BOLT,Hex, 3/8" - 16 x 1", Gr 5

12шт.

11

495-11041

WASHER,0.406" ID x 0.812" OD x 0.065" W

(Flat, 13/32 x 13/16 x 1/16") 3/8", SAE

12шт.

12

492-11038

LOCK WASHER,3/8"

23шт.

13

425-106

NUT,3/8"-16, Cl 5

12шт.

14

100458A1

SEAL

- pump drive shaft, 2-1/4 inch diameter, prior to pump drive S.N. 298, used with Ref. 8 cover

1шт.

14a

1957347C1

OIL SEAL

- pump drive shaft, 2 inch diameter, pump drive S.N. 298 and after, used with Ref. 8A cover

1шт.

15

100456A1

SHAFT

- splined, pump drive

1шт.

16

100450A1

LARGE PLATE

PLATE - drive, set of five, no longer available, order 180822A1 plate, Ref. 16A and (8) 614-10020 bolts, Ref. 19A

1шт.

16a

180822A1

LARGE PLATE

PLATE - drive

1шт.

17

100457A1

SPACER

- drive plate

1шт.

18

217-436

PLUG,Hex Soc, 3/8" - 18 NPTF

- hex socket headless, 3/8 inch PT

1шт.

19

814-10045

BOLT,Hex, M10 x 1.5 x 45mm, Cl 8.8

- hex, 10 - 1.5 x 45 mm, Used with 100450A1 drive plate

8шт.

19a

614-10020

BOLT,Hex, M10 x 1.5 x 20mm, Cl 8.8, Full Thd

Used with 180822A1 plate Hex, M10 x 20, 8.8, Full Thd

8шт.

20

496-21041

WASHER,13/32" x 13/16" x .089", HDN

- flat, 13/32 x 13/16 x 3/32", hardened

8шт.

21

614-10030

BOLT,Hex, M10 x 1.5 x 30mm, Cl 8.8, Full Thd

Full Thd Hex, M10 x 30, 8.8

12шт.

22

892-11010

LOCK WASHER,M10

12шт.

23

A50096

VALVE

- relief

1шт.

24

221-87

REDUCER,1/2" NPT x 1/8" NPT

- pipe, 1/2 male x 1/8 inch female

1шт.

25

221-1368

ELBOW,45 Degree, 1/2" NPT

- pipe, 45 degree, 1/2 inch

1шт.

26

221-190

PIPE,Nipple, 1/2" NPT x 2"

NIPPLE - straight, 1/2 PT x 2 inch

1шт.

Выбрано товаров: 33