Запчасти Case 660 (6-26) - DRIVE LINE MOUNTING (06) - POWER TRAIN

Схема запчастей Case 660 - (6-26) - DRIVE LINE MOUNTING (06) - POWER TRAIN
7
8
10
9
4
8
5
4
6
13
5
11
2
7
2
14
12
1
FIT
1:1
100%

Артикул

Название

Примечание

Количество

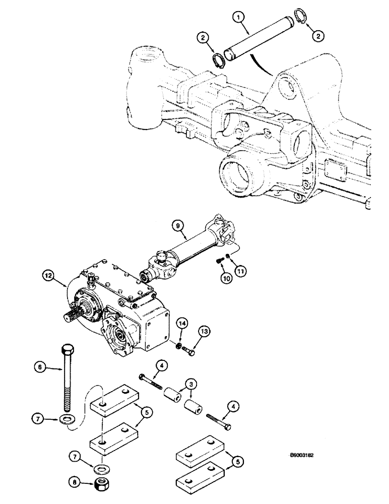
H672824

CENTER AXLE

AXLE ASSEMBLY - front and rear, not shown, parts list Figs. 6-38 - 6-50

2шт.

1

H435132

PIN

- pivot, front axle

1шт.

2

100-11187

SNAP RING,#187, Ext

Ring, Snap, #187, Ext

2шт.

3

H438186

SPACER

- rear axle steering stop

2шт.

4

814-14100

BOLT,Hex, M14 x 2 x 100mm, Cl 8.8

2шт.

5

H435097

BAR

- clamping, rear axle

4шт.

6

413-16168

BOLT,Hex, 1" - 8 x 10-1/2", Gr 5

- hex, 1 NC x 10-1/2 inch

4шт.

7

D36505

WASHER,26.99mm ID x 47.63mm OD x 2.38mm Thk

- flat, special, 1-1/16 x 1-7/8 x 9/64 inch

8шт.

8

232-41116

LOCK NUT,1"-8, GC

NUT, LOCK, 1"-8, GC

4шт.

9

H674201

DRIVE SHAFT

SHAFT ASSEMBLY - drive, front and rear, parts list Fig. 6-36

2шт.

10

864-10030

HEX SOC SCREW,M10 x 30mm, Cl 8.8

SCREW, Hex Soc Hd, M10 x 30, 8.8

8шт.

11

892-11010

LOCK WASHER,M10

8шт.

12

H673650

TRANSMISSION

ASSEMBLY - ground drive, parts list Figs. 6-30 and 6-32

1шт.

13

413-820

BOLT,Hex, 1/2" - 13 x 1-1/4", Gr 5

- hex, 1/2 NC x 1-1/4 inch

4шт.

14

80679

LOCK WASHER,1/20.507 CST ZND

WASHER, LOCK, 1/2"

4шт.

Выбрано товаров: 0